LTC1694-1
PRODUCTIONSMBus/I2C Accelerator*
- Part Models
- 4
- 1ku List Price
- Starting From $2.20
Overview
- Improves SMBus/I2C™ Rise Time Transition
- Ensures Data Integrity with Multiple Devices on the SMBus/I2C
- Improves Low State Noise Margin
- Wide Supply Voltage Range: 2.7V to 6V
- Parallel Multiple LTC1694-1 Devices for Increased Drive
- Low Profile (1mm) SOT-23 (ThinSOT™) Package
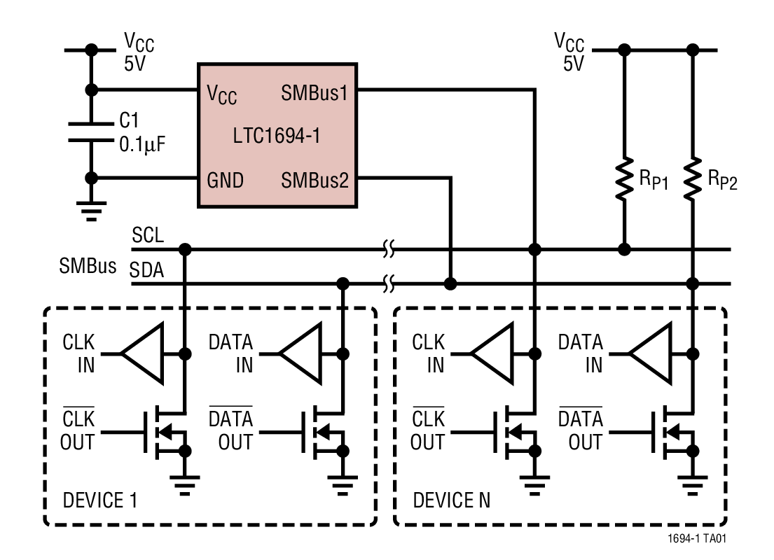
The LTC1694-1 is a dual SMBus active pull-up designed to enhance data transmission speed and reliability under all specified SMBus loading conditions. The LTC1694-1 is also compatible with the Philips I2C Bus.
The LTC1694-1 allows multiple device connections or a longer, more capacitive interconnect, without compromising slew rates or bus performance, by supplying a high pull-up current of 2.2mA to slew the SMBus or I2C lines during positive bus transitions.
During negative transitions or steady DC levels, the LTC1694-1 sources zero current. External resistors, one on each bus line, trigger the LTC1694-1 during positive bus transitions and set the pull-down current level. These resistors determine the slew rate during negative bus transitions and the logic low DC level.
The LTC1694-1 is available in a 5-pin SOT-23 package.
Applications
- Notebook and Palmtop Computers
- Portable Instruments
- Battery Chargers
- Industrial Control Application
- TV/Video Products
- ACPI SMBus Interface
Documentation
Data Sheet 1
Product Selector Card 1
ADI has always placed the highest emphasis on delivering products that meet the maximum levels of quality and reliability. We achieve this by incorporating quality and reliability checks in every scope of product and process design, and in the manufacturing process as well. "Zero defects" for shipped products is always our goal. View our quality and reliability program and certifications for more information.
| Part Model | Pin/Package Drawing | Documentation | CAD Symbols, Footprints, and 3D Models |
|---|---|---|---|
| LTC1694-1CS5#TRMPBF | 5-Lead TSOT-23 | ||
| LTC1694-1CS5#TRPBF | 5-Lead TSOT-23 | ||
| LTC1694-1IS5#TRMPBF | 5-Lead TSOT-23 | ||
| LTC1694-1IS5#TRPBF | 5-Lead TSOT-23 |
This is the most up-to-date revision of the Data Sheet.
Hardware Ecosystem
| Parts | Product Life Cycle | Description |
|---|---|---|
| Interface Transceivers 1 | ||
| LTM2883 | PRODUCTION | SPI/Digital or I2C μModule Isolator with Adjustable ±12.5V and 5V Regulated Power |
Latest Discussions
No discussions on LTC1694-1 yet. Have something to say?
Start a Discussion on EngineerZone®