LTC1414
PRODUCTION14-Bit, 2.2 Msps, Sampling A/D Converter
- Part Models
- 6
- 1ku List Price
- Starting From $22.79
Overview
- Sample Rate: 2.2Msps
- Outstanding Spectral Purity:
- 80dB S/(N + D) and 95dB SFDR at 100kHz
- 78dB S/(N + D) and 84dB SFDR at Nyquist
- Ultralow Distortion with Single-Ended or Differential Inputs
- ±2.5V Bipolar Input Range Eliminates Level Shifting and Rail-to-Rail Op Amp Requirements
- Easy Hookup for External or Internal Reference
- No Pipeline Delay
- Power Dissipation: 175mW on ±5V Supplies
- 28-Pin Narrow SSOP Package
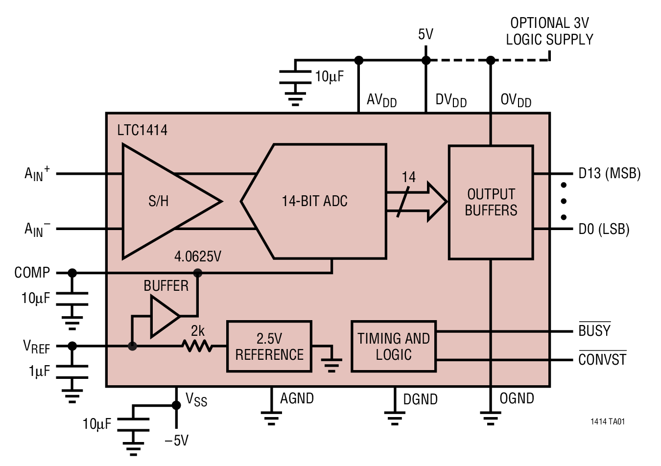
The LTC1414 is a 14-bit, 2.2Msps, sampling A/D converter which draws only 175mW from ±5V supplies. This high performance ADC includes a high dynamic range sample-and-hold, a precision reference and requires no external components.
The LTC1414's high performance sample-and-hold has a full-scale input range of ±2.5V. Outstanding AC performance includes 80dB S/(N + D) and 95dB SFDR with a 100kHz input. The performance remains high at the Nyquist input frequency of 1.1MHz with 78dB S/(N + D) and 84dB SFDR.
The unique differential input sample-and-hold can acquire single-ended or differential input signals up to its 40MHz bandwidth. The 70dB common mode rejection can eliminate ground loops and common mode noise by measuring signal differentially from the source.
The ADC has a microprocessor compatible, 14-bit parallel output port. There is no pipeline delay in the conversion results.
Applications
- Telecommunications
- Digital Signal Processing
- Multiplexed Data Acquisition Systems
- High Speed Data Acquisition
- Spectrum Analysis
- Imaging Systems
Documentation
Data Sheet 1
Reliability Data 1
Product Selector Card 2
ADI has always placed the highest emphasis on delivering products that meet the maximum levels of quality and reliability. We achieve this by incorporating quality and reliability checks in every scope of product and process design, and in the manufacturing process as well. "Zero defects" for shipped products is always our goal. View our quality and reliability program and certifications for more information.
| Part Model | Pin/Package Drawing | Documentation | CAD Symbols, Footprints, and 3D Models |
|---|---|---|---|
| LTC1414CGN#PBF | 28-Lead SSOP (Narrow 0.15 Inch) | ||
| LTC1414CGN#TRPBF | 28-Lead SSOP (Narrow 0.15 Inch) | ||
| LTC1414DICE | CHIPS OR DIE | ||
| LTC1414DICE#MILDICE | CHIPS OR DIE | ||
| LTC1414IGN#PBF | 28-Lead SSOP (Narrow 0.15 Inch) | ||
| LTC1414IGN#TRPBF | 28-Lead SSOP (Narrow 0.15 Inch) |
| Part Models | Product Lifecycle | PCN |
|---|---|---|
|
Oct 3, 2024 - 24_0235 (QSOP/SSOP PKG) Migrating Bottom Trace Code Marking to Top Side Laser Marking |
||
| LTC1414CGN#PBF | PRODUCTION | |
| LTC1414CGN#TRPBF | PRODUCTION | |
| LTC1414IGN#PBF | PRODUCTION | |
| LTC1414IGN#TRPBF | PRODUCTION | |
|
Aug 10, 2022 - 22_0177 Laser Top Mark Conversion for QSOP20_24_28 Assembled in ADPG [PNG] and UTL |
||
| LTC1414CGN#PBF | PRODUCTION | |
| LTC1414CGN#TRPBF | PRODUCTION | |
| LTC1414IGN#PBF | PRODUCTION | |
| LTC1414IGN#TRPBF | PRODUCTION | |
This is the most up-to-date revision of the Data Sheet.