LT1381
PRODUCTIONLow Power 5V RS232 Dual Driver/Receiver with 0.1µF Capacitors
- Part Models
- 4
- 1ku List Price
- Starting From $2.90
Overview
- ESD Protection over ±10kV
- Low Cost
- Uses Small Capacitors: 0.1µF
- CMOS Comparable Low Power: 40mW
- Operates from a Single 5V Supply
- 120kBaud Operation for RL = 3k, CL = 2500pF
- 250kBaud Operation for RL = 3k, CL = 1000pF
- Rugged Bipolar Design
- Outputs Assume a High Impedance State When Powered Down
- Absolutely No Latchup
- Available in Narrow SO Package
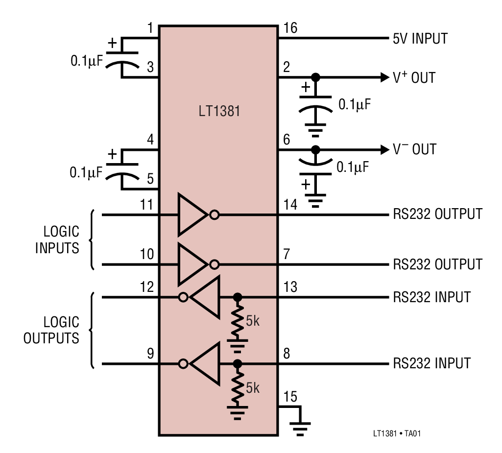
The LT1381 is a dual RS232 driver/receiver pair with integral charge pump to generate RS232 voltage levels from a single 5V supply. The circuit features rugged bipolar design to provide operating fault tolerance and ESD protection unmatched by competing CMOS designs. Using only 0.1µF external capacitors, the circuit consumes only 40mW of power and can operate to 120kbaud even while driving heavy capacitive loads. New ESD structures on the chip allow the LT1381 to survive multiple ±10kV strikes, eliminating the need for costly TransZorbs® on the RS232 line pins. Driver outputs are protected from overload and can be shorted to ground or up to ±25V without damage. During power-off conditions, driver and receiver outputs are in a high impedance state, allowing line sharing.
Applications
- Portable Computers
- Battery-Powered Systems
- Power Supply Generator
- Terminals
- Modems
Documentation
Data Sheet 1
Reliability Data 1
Video 1
Product Selector Card 2
ADI has always placed the highest emphasis on delivering products that meet the maximum levels of quality and reliability. We achieve this by incorporating quality and reliability checks in every scope of product and process design, and in the manufacturing process as well. "Zero defects" for shipped products is always our goal. View our quality and reliability program and certifications for more information.
| Part Model | Pin/Package Drawing | Documentation | CAD Symbols, Footprints, and 3D Models |
|---|---|---|---|
| LT1381CS#PBF | 16-Lead SOIC (Narrow 0.15 Inch) | ||
| LT1381CS#TRPBF | 16-Lead SOIC (Narrow 0.15 Inch) | ||
| LT1381IS#PBF | 16-Lead SOIC (Narrow 0.15 Inch) | ||
| LT1381IS#TRPBF | 16-Lead SOIC (Narrow 0.15 Inch) |
| Part Models | Product Lifecycle | PCN |
|---|---|---|
|
Oct 8, 2024 - 24_0236 Migrating Bottom Trace Code Marking to Top Side Laser Marking for SOIC_N Package |
||
| LT1381CS#PBF | PRODUCTION | |
| LT1381CS#TRPBF | PRODUCTION | |
| LT1381IS#PBF | PRODUCTION | |
| LT1381IS#TRPBF | PRODUCTION | |
|
Oct 12, 2022 - 22_0252 Epoxy Change from Henkel 8290 to 8290A for 16-Lead SOIC Package |
||
| LT1381CS#PBF | PRODUCTION | |
| LT1381CS#TRPBF | PRODUCTION | |
| LT1381IS#PBF | PRODUCTION | |
| LT1381IS#TRPBF | PRODUCTION | |
|
Aug 6, 2022 - 22_0173 Laser Top Mark Conversion for SOICN14 and SOICN16 Packages Assembled on ADPG [PNG] |
||
| LT1381CS#PBF | PRODUCTION | |
| LT1381CS#TRPBF | PRODUCTION | |
| LT1381IS#PBF | PRODUCTION | |
| LT1381IS#TRPBF | PRODUCTION | |
This is the most up-to-date revision of the Data Sheet.
Hardware Ecosystem
| Parts | Product Life Cycle | Description |
|---|---|---|
| Interface Transceivers 1 | ||
| LTM2882 | PRODUCTION | Dual Isolated RS232 μModule Transceiver + Power |