HMC744
RECOMMENDED FOR NEW DESIGNS
14 Gbps Fast Rise Time 1:2 Fanout Buffer with Programmable Output Voltage & Positive Supply
- Part Models
- 3
- 1ku List Price
- price unavailable
Overview
- Inputs Terminated Internally in 50 Ohms
- Differential & Single-Ended Operation
- Propagation Delay: 120 ps
- Programmable Differential Output Voltage Swing: 600 - 1100 mV
- Fast Rise & Fall Times: 22 / 20 ps
- Low Power Consumption: 287 mW typ.
- Single Supply: +3.3V
- 16 Lead Ceramic 3×3mm SMT Package: 9mm2
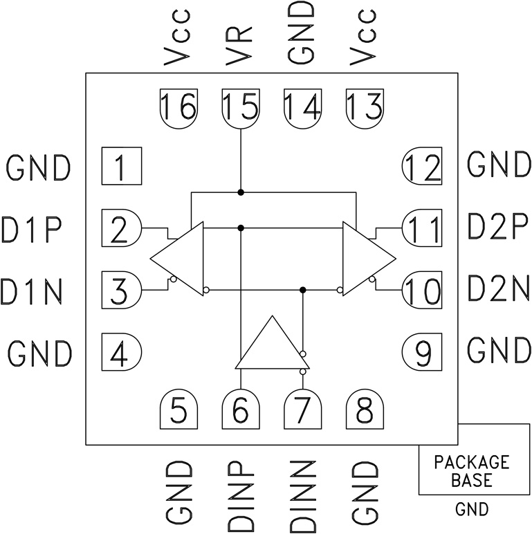
The HMC744LC3 is a 1:2 Fanout Buffer designed to support data transmission rates up to 14 Gbps, and clock frequencies as high as 14 GHz.
All differential inputs to the HMC744LC3 are CML and terminated on-chip with 50 Ohms to the positive supply, Vcc, and may be AC or DC coupled. The differential CML outputs are source terminated to 50 Ohms and may also be AC or DC coupled. Outputs can be connected directly to a 50 Ohm Vcc-terminated system, while DC blocking capacitors may be used if the terminating system is 50 Ohms to ground. The HMC744LC3 also features an output level control pin, VR, which allows for loss compensation or signal-level optimization. the HMC744LC3 operates from a single 3.3 V supply and is available in ROHS-compliant 3×3 mm SMT package.
APPLICATIONS
- RF ATE Applications
- Broadband Test & Measurement
- Serial Data Transmission up to 14 Gbps
- Clock Buffering up to 14 GHz
Documentation
Data Sheet 1
Quality Documentation 3
Product Selection Guide 1
ADI has always placed the highest emphasis on delivering products that meet the maximum levels of quality and reliability. We achieve this by incorporating quality and reliability checks in every scope of product and process design, and in the manufacturing process as well. "Zero defects" for shipped products is always our goal. View our quality and reliability program and certifications for more information.
| Part Model | Pin/Package Drawing | Documentation | CAD Symbols, Footprints, and 3D Models |
|---|---|---|---|
| HMC744LC3 | 16-Lead LCC (3mm x 3mm w/ EP) | ||
| HMC744LC3TR | 16-Lead LCC (3mm x 3mm w/ EP) | ||
| HMC744LC3TR-R5 | 16-Lead LCC (3mm x 3mm w/ EP) |
This is the most up-to-date revision of the Data Sheet.