HMC6832

LAST TIME BUY

Low Noise, 2:8 Differential, Fanout Buffer

Viewing:

Overview

  • Ultralow noise floor: −165.9 dBc/Hz or −165.2 dBc/Hz (LVPECL or LVDS) at 2000 MHz
  • Configurable to LVPECL or pseudo LVDS outputs
  • 2.5 V or 3.3 V LVPECL operation (LVDS 2.5 V only)
  • Wideband: 10 MHz to 3500 MHz operating frequency range
  • Flexible input interface
    • LVPECL, LVDS, CML, and CMOS compatible
    • AC or dc coupling
    • On-chip 50 kΩ pull-up/pull-down resistors to VDD and GND
  • Multiple output drivers
    • Up to 8 differential or 16 single-ended LVPECL or LVDS outputs
  • Low speed digital control via the IN_SEL and CONFIG pins
  • 28-lead, 5 mm × 5 mm, LFCSP package, 25 mm2

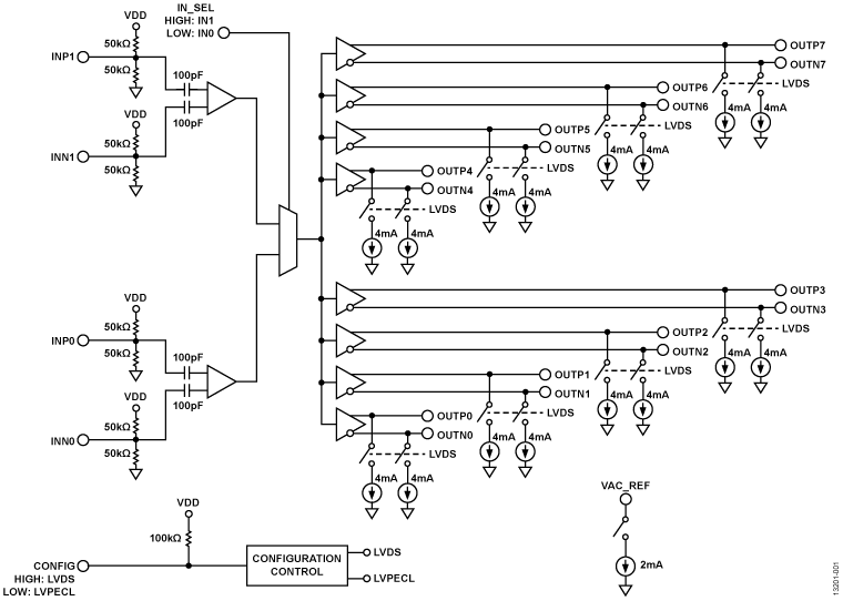
The HMC6832 is an input selectable, 2:8 differential fanout buffer designed for low noise clock distribution. The IN_SEL control pin selects one of the two differential inputs. This input is then buffered to all eight differential outputs. The low jitter outputs of the HMC6832 lead to synchronized low noise switching of downstream circuits, such as mixers, analog-todigital converters (ADCs)/digital-to-analog converters (DACs), or serializer/deserializer (SERDES) devices. The device is capable of low voltage, positive emitter-coupled logic (LVPECL) or low voltage differential signaling (LVDS) configurations by pulling the CONFIG pin low for LVPECL or high or open (internally pulled high) for pseudo LVDS.

Product Highlights

  1. Multiple Output Configurations.
    The CONFIG pin allows the user to select LVPECL or LVDS output termination.
  2. Multiple Supply Voltage Operation.
    The HMC6832 operates at 2.5 V or 3.3 V for LVPECL terminations (2.5 V only for LVDS).
  3. Low Noise.
    The HMC6832 noise is low, typically from −168 dBc/Hz to −162 dBc/Hz up to 3000 MHz.
  4. Low Propagation Delay.
    The HMC6832 displays a low delay, less than 207 ps, typical. Channel skew is also low, ±5 ps, typical.
  5. Low Core Current.
    The HMC6832 has a low core current of 56 mA, typical.

Applications

  • SONET, Fibre Channel, GigE clock distribution
  • ADC/DAC clock distribution
  • Low skew and jitter clocks
  • Wireless/wired communications
  • Level translation
  • High performance instrumentation
  • Medical imaging
  • Single-ended to differential conversions

HMC6832
Low Noise, 2:8 Differential, Fanout Buffer
HMC6832 Functional Block Diagram HMC6832 Pin Configuration
Add to myAnalog

Add product to the Products section of myAnalog (to receive notifications), to an existing project or to a new project.

Create New Project
Ask a Question

Documentation

Learn More
Add to myAnalog

Add media to the Resources section of myAnalog, to an existing project or to a new project.

Create New Project

Software Resources

Can't find the software or driver you need?

Request a Driver/Software

Hardware Ecosystem

Parts Product Life Cycle Description
LTC6955 LAST TIME BUY Ultralow Jitter, 7.5GHz, 11 Output Fanout Buffer Family
ADCLK948 RECOMMENDED FOR NEW DESIGNS Two Selectable Inputs, 8 LVPECL Outputs SiGe Clock Fanout Buffer
Modal heading
Add to myAnalog

Add product to the Products section of myAnalog (to receive notifications), to an existing project or to a new project.

Create New Project

Tools & Simulations


Evaluation Kits

eval board
EVAL-HMC6832

HMC6832 Evaluation Board

Features and Benefits

  • On-board LDO voltage regulator for 2.5 V/3.3 V device under test (DUT) supply
  • LDO can be bypassed to allow for an external supply
  • AC-coupled differential SMA connectors
  • SMA connectors for
    • 2 differential input clocks
    • 8 analog differential outputs
  • Jumpers to enable/disable the LDO voltage regulator
  • Clip on access points for power/ground
  • Jumper for input clock selection
  • Matched RF differential traces

Product Details

User guide UG-942 describes the two evaluation boards for evaluating the HMC6832 fully differential output buffer. Both evaluation boards, EV1HMC6832ALP5L and EV2HMC6832ALP5L, allow access to all HMC6832 input/outputs via SMAs.

The EV1HMC6832ALP5L is configured for the LVPECL version of the product whereas the EV2HMC6832ALP5L is configured for LVDS. Each board has an on-board low dropout (LDO) regulator for 2.5 V/3.3 V operation that can be disabled to use an external supply. Each board has matched RF differential traces for testing output to output channel skew.

For full specifications on the HMC6832, see the product data sheet, which should be consulted in conjunction with this user guide when working with the evaluation board. The evaluation board schematics and the HMC6832 data sheet are available on the HMC6832 product page.

EVAL-HMC6832
HMC6832 Evaluation Board
EV1HMC6832ALP5L-Angle (1)-web EV1HMC6832ALP5L-Angle (2)-web EV1HMC6832ALP5L-Bottom-web EV1HMC6832ALP5L-Top-web

Latest Discussions

Recently Viewed