This product implements technologies licensed by HDMI.org. Customers must be HDMI adopters listed at HDMI.org to purchase it.

For more information contact your local Analog Devices Sales Office

ADV7511W

NOT RECOMMENDED FOR NEW DESIGNS

165 MHz High Performance HDMI Transmitter

Viewing:

Overview

GENERAL

  • Incorporates HDMI v.1.4 features 3D video support
  • 165 MHz supports all video formats up to 1080p and UXGA
  • Supports gamut metadata packet transmission
  • Integrated CEC buffer/controller
  • Compatible with DVI v.1.0 and HDCP v.1.3
  • Video/audio inputs accept logic levels from 1.8 V to 3.3 V

DIGITAL VIDEO

  • 3D video ready
  • Programmable two-way color space converter
  • Supports RGB, YCbCr, and DDR
  • Supports ITU656-based embedded syncs
  • Automatic input video format timing detection (CEA-861-E)

DIGITAL AUDIO

  • Supports standard SPDIF for stereo LPCM or compressed audio up to 192 kHz
  • High Bit-Rate Audio (HBR)
  • 8-channel uncompressed LPCM I2S audio up to 192 kHz

SPECIAL FEATURES FOR EASY SYSTEM DESIGN

  • On-chip MPU with I2C main to perform HDCP operations and EDID reading operations
  • 5 V tolerant I2C and HPD I/Os, no extra device needed
  • No audio main clock needed for supporting SPDIF and I2S
  • On-chip MPU reports HDMI events through interrupts and registers

The ADV7511W is a 165 MHz High-Definition Multimedia Interface (HDMI) transmitter, which is ideal for automotive infotainment applications.

The digital video interface contains an HDMI v1.4a and a DVI v.1.0-compatible transmitter, and supports HDTV formats up to 1080p60 and graphics resolutions up to UXGA at 60Hz. The ADV7511W supports HDMI v1.4a features including extended colorimetry, high bit rate audio and 3D video. With the inclusion of high-bandwidth digital content protection (HDCP), the ADV7511W allows the secure transmission of protected content as specified by the HDCP v.1.4 protocol.

The ADV7511W supports both SPDIF and 8-channel I2S audio. Its high fidelity 8-channel I2S can transmit either stereo or 7.1 surround audio up to 768 kHz. The SPDIF can carry compressed audio including Dolby® Digital, DTS®, and THX®. Fabricated in an advanced CMOS process, the ADV7511W is provided in a 64-lead LQFP surface-mount plastic package with exposed paddle and is specified over the −40°C to +105°C temperature range.

APPLICATIONS

  • Automotive Infotainment
  • Head units
  • DVD players
  • Ruggedized PCs

ADV7511W
165 MHz High Performance HDMI Transmitter
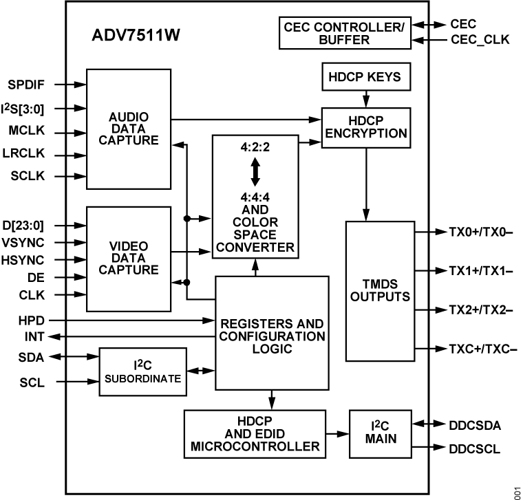
ADV7511W Functional Block Diagram ADV7511W Pin Configuration
Add to myAnalog

Add product to the Products section of myAnalog (to receive notifications), to an existing project or to a new project.

Create New Project
Ask a Question

Documentation

Learn More
Add to myAnalog

Add media to the Resources section of myAnalog, to an existing project or to a new project.

Create New Project

Software Resources


Tools & Simulations


Evaluation Kits

EVAL-ADV7511W

ADV7511W Evaluation Board

Product Details

This evaluation board is no longer available. Please use EVAL-ADV7612.
This page provides documentation and ordering information for the ADV7511W 165 MHz High Performance HDMI Transmitter evaluation board.

EVAL-ADV7612

ADV7612 and ADV7511 Evaluation Board

Product Details

This is a board for evaluating the combination the ADV7612 HDMI receiver and the ADV7511 HDMI transmitter. It has dual HDMI inputs and HDMI output. There is a Blackfin BF524 on the board which is a controller and can be used for audio processing between input and output. The video and audio bus is jumper-able so any of the parts can be evaluated by themselves or with customer hardware in between. Evaluation software is available. Documentation on how to alter jumpers and Scripts are available that will make ADV7612 work like ADV7611 and ADV7511 work like ADV7513.

Customers wishing to order the EVAL-ADV7612-7511 or the EVAL-ADV7612-7511P must be HDMI adopters listed at HDMI.org. Customers wishing to order the EVAL-ADV7612-7511 must also be HDCP licensees.

EVAL-ADV7511W
ADV7511W Evaluation Board
EVAL-ADV7612
ADV7612 and ADV7511 Evaluation Board

Latest Discussions

Recently Viewed