ADN4695E

PRODUCTION

3.3 V, 100 Mbps, Full-Duplex, High Speed M-LVDS Transceiver with Type 2 Receiver

Viewing:

Overview

  • Multipoint LVDS transceivers (low voltage differential signaling driver and receiver pairs)
  • Switching rate: 100 Mbps (50 MHz)
  • Supported bus loads: 30 Ω to 55 Ω
  • Choice of 2 receiver types
    • Type 2 (ADN4694E/ADN4695E): threshold offset of 100 mV for open-circuit and bus-idle fail-safe
  • Conforms to TIA/EIA-899 standard for M-LVDS
  • Glitch-free power-up/power-down on M-LVDS bus
  • Controlled transition times on driver output
  • Common-mode range: −1 V to +3.4 V, allowing communication with 2 V of ground noise
  • See data sheet for additional features

The ADN4690E / ADN4692E / ADN4694E / ADN4695E are multipoint, low voltage differential signaling (M-LVDS) transceivers (driver and receiver pairs) that can operate at up to 100 Mbps (50 MHz). Slew rate control is implemented on the driver outputs. The receivers detect the bus state with a differential input of as little as 50 mV over a common-mode voltage range of −1 V to +3.4 V. ESD protection of up to ±15 kV is implemented on the bus pins. The parts adhere to the TIA/EIA-899 standard for M-LVDS and complement TIA/EIA-644 LVDS devices with additional multipoint capabilities.

The ADN4690E / ADN4692E are Type 1 receivers with 25 mV of hysteresis, so that slow-changing signals or loss of input does not lead to output oscillations. The ADN4694E / ADN4695E are Type 2 receivers exhibiting an offset threshold, guaranteeing the output state when the bus is idle (bus-idle fail-safe) or the inputs are open (open-circuit fail-safe).

The parts are available as half-duplex in an 8-lead SOIC package (the ADN4690E / ADN4694E) or as full-duplex in a 14-lead SOIC package (the ADN4692E / ADN4695E).

APPLICATIONS

  • Backplane and cable multipoint data transmission
  • Multipoint clock distribution
  • Low power, high speed alternative to shorter RS-485 links
  • Networking and wireless base station infrastructure

ADN4695E
3.3 V, 100 Mbps, Full-Duplex, High Speed M-LVDS Transceiver with Type 2 Receiver
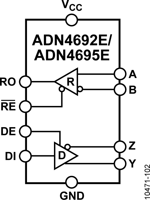
ADN4692E/ADN4695E Functional Block Diagram ADN4692E/ADN4695E Pin Configuration
Add to myAnalog

Add product to the Products section of myAnalog (to receive notifications), to an existing project or to a new project.

Create New Project
Ask a Question

Documentation

Learn More
Add to myAnalog

Add media to the Resources section of myAnalog, to an existing project or to a new project.

Create New Project

Tools & Simulations


Evaluation Kits

eval board
EVAL-ADN4697E

M-LVDS Full-Duplex Evaluation Board (ADN4692E/ADN4693E/ADN4695E/ADN4697E)

Product Details

The EVAL-ADN469xEFDEBZ allows quick and easy evaluation of full-duplex M-LVDS transceivers (ADN4692E, ADN4693E, ADN4695E, and ADN4697E). The evaluation board allows all of the input and output functions to be exercised without the need for external components. Screw terminal blocks provide convenient connections for power and ground, with SMB jack connectors for high speed logic and M-LVDS bus signals.


The evaluation board has a 14-lead SOIC footprint for a full-duplex M-LVDS transceiver from the ADN469xE family.

EVAL-ADN4697E
M-LVDS Full-Duplex Evaluation Board (ADN4692E/ADN4693E/ADN4695E/ADN4697E)

Latest Discussions

Recently Viewed