ADN4691E

PRODUCTION

3.3 V, 200 Mbps, Half-Duplex, High Speed M-LVDS Transceiver with Type 1 Receiver

Viewing:

Overview

  • Multipoint LVDS transceivers (low voltage differential signaling driver and receiver pairs)
  • Switching rate: 200 Mbps (100 MHz)
  • Supported bus loads: 30 Ω to 55 Ω
  • Type 1 receiver type: hysteresis of 25 mV
  • Conforms to TIA/EIA-899 standard for M-LVDS
  • Glitch free power-up/power-down on M-LVDS bus
  • Controlled transition times on driver output
  • Common-mode range: −1 V to +3.4 V, allowing communication with 2 V of ground noise
  • Driver outputs high-Z when disabled or powered off
  • See data sheet for additional features

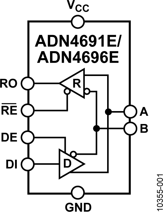
The ADN4691E / ADN4693E / ADN4696E / ADN4697E are multipoint, low voltage differential signaling (M-LVDS) transceivers (driver and receiver pairs) that can operate at up to 200 Mbps (100 MHz). The receivers detect the bus state with a differential input of as little as 50 mV over a common-mode voltage range of −1 V to +3.4 V. ESD protection of up to ±15 kV is implemented on the bus pins. The devices adhere to the TIA/EIA-899 standard for M-LVDS and complement TIA/EIA- 644 LVDS devices with additional multipoint capabilities.

The ADN4691E / ADN4693E are Type 1 receivers with 25 mV of hysteresis so that slow-changing signals or loss of input does not lead to output oscillations. The ADN4696E / ADN4697E are Type 2 receivers exhibiting an offset threshold, guaranteeing the output state when the bus is idle (bus-idle fail-safe) or the inputs are open (open-circuit fail-safe).

The devices are available as half-duplex in an 8-lead SOIC package (the ADN4691E / ADN4696E) or as full-duplex in a 14-lead SOIC package (the ADN4693E / ADN4697E). 

APPLICATIONS

  • Backplane and cable multipoint data transmission
  • Multipoint clock distribution
  • Low power, high speed alternative to shorter RS-485 links
  • Networking and wireless base station infrastructure

ADN4691E
3.3 V, 200 Mbps, Half-Duplex, High Speed M-LVDS Transceiver with Type 1 Receiver
ADN4691E/ADN4696E Functional Block Diagram ADN4691E/ADN4696E Pin Configuration
Add to myAnalog

Add product to the Products section of myAnalog (to receive notifications), to an existing project or to a new project.

Create New Project
Ask a Question

Documentation

Learn More
Add to myAnalog

Add media to the Resources section of myAnalog, to an existing project or to a new project.

Create New Project

Tools & Simulations


Evaluation Kits

eval board
EVAL-ADN4696E

M-LVDS Half-Duplex Evaluation Board (ADN4690E/ADN4691E/ADN4694E/ADN4696E)

Product Details

The EVAL-ADN469xEHDEBZ allows quick and easy evaluation of half-duplex M-LVDS transceivers (ADN4690E, ADN4691E, ADN4694E, ADN4696E). The evaluation board allows all of the input and output functions to be exercised without the need for external components. Screw terminal blocks provide convenient connections for power and ground, with SMB jack connectors for high-speed logic and M-LVDS bus signals.

The evaluation board has an 8-lead SOIC footprint for a half-duplex M-LVDS transceiver from the ADN469xE family.

eval board
AD-SYNCHRONA14-EBZ

Multichannel System Clocking Device

Features and Benefits

Processing System

  • Raspberry Pi 4, ARM Cortex-A72, 2GB SDRAM

User Interfaces

  • Gigabit Ethernet
  • 2 × USB 3.0 ports
  • 2 × USB 2.0 ports
  • SPI interface
  • GPIO
  • 2 bicolor LEDs
  • Male pin header

Clock Processing Devices

  • HMC7044 (High Performance, 3.2 GHz, 14-Output Jitter Attenuator)
  • AD9545 (1 PPS Synchronizer and Adaptive Clock Translator)

Clock Outputs

  • 4 x TWINAX LVPECL AC&DC coupled, 100Ω diff
  • 2 x SMA LVPECL AC coupled*
  • 4 x SMA CMOS*
  • 4 x SMA LVDS AC coupled*

*Configurable differential outputs, 50Ω diff

Clock Inputs

  • 3 differential 100Ω SMA clock inputs
  • PPS input
  • SYNC input
  • 10MHz input

Internal references

  • 100Mhz and 122.88Mhz Ultra-Low Phase Noise VCXO's (-165dBc/Hz)
  • 40Mhz and 38.4Mhz TCXO's (±1ppm) 50MHz OCXO(+/- 10ppb)
  • Internal references are software configurable

Power supply

  • DC 12V, 3A barrel jack

Product Details

The AD-SYNCHRONA14-EBZ is an ideal self-contained device to use in evaluation and prototyping of applications that need a highly accurate frequency and phase-controlled source clock. It is designed around the Analog Devices AD9545 and HMC7044 and greatly simplifies clock distribution and multi-channel synchronization in complex systems. It is intended to be used by trained professionals in a laboratory environment, and not intended as an end product for commercial use. It can be taken as a complete reference design and customised as required for any end customer applications. Full design details are made available free of charge.

The AD-SYNCHRONA14-EBZ comes in a 1U mechanical form factor. Using popular industry connector SMA and TwinAX interfaces most labs will already have the needed cables.

With its internal OCXO it can operate in standalone mode or be fed from a choice of external sources, such as 3 separate high speed differential clock inputs, a 10MHz reference and 1PPS. This flexibility combined with the capability to select either of the internal VCXO options of 100MHz or 122.88MHz, gives almost unlimited choice for the frequency of interest and accuracy needed for a wide variety of application areas. 

APPLICATIONS

  • High accuracy reference clock distribution
  • Systems clocked from a single source
  • Clocks derived from 100MHz or 122.88MHz
  • Phased Array Systems, RADAR, EW, SATCOMS, SDR
  • Bench Equipment
  • Remote controlled operation

EVAL-ADN4696E
M-LVDS Half-Duplex Evaluation Board (ADN4690E/ADN4691E/ADN4694E/ADN4696E)
AD-SYNCHRONA14-EBZ
Multichannel System Clocking Device
AD-SYNCHRONA14-EBZ Evaluation Board - Front View AD-SYNCHRONA14-EBZ Evaluation Board Evaluation Board - Back View AD-SYNCHRONA14-EBZ Evaluation Board

Latest Discussions

Recently Viewed