ADM9264

Obsolete

Quad Power Supply Monitor for Desktop PCs

Viewing:

Overview

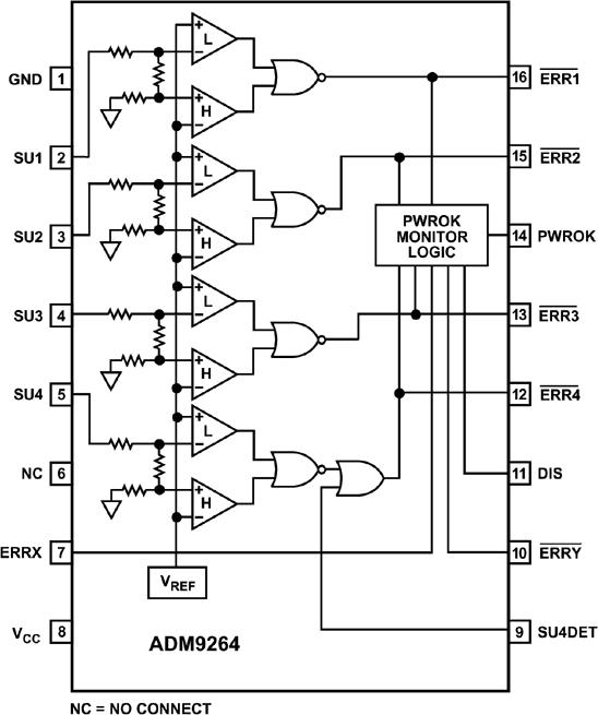
The ADM9264 is a Quad Supply Monitor IC which simultaneously monitors four separate power supply voltages and outputs error signals if any of the supply voltages go out of limits. It is designed for PC supply monitoring but can be used on any system where multiple power supplies require monitoring. The error output signals are available individually and also gated into a common output - PWROK. Auxiliary inputs ERRX, ERRY are provided which are also gated into the main PWROK signal. These inputs allow signals from other monitoring circuits (for example temperature sensor, alarm, etc.) to be linked into the ADM9264.

Each power supply monitor circuit uses a proprietary window comparator design whereby a three resistor network is used in conjunction with two comparators and a single precision voltage reference to check if the supply is within its required operating tolerance. An added feature of this design is that the power supply voltages being monitored can be higher than the power supply voltage to the monitoring IC itself.

Analog Devices' experience in the design of power supply supervisory circuits is used to provide an optimum solution for the overall circuit in terms of cost, performance and power consumption. Key features of the design include the incorporation of hysteresis and glitch immunity into the comparators, which minimizes the possibility of spurious triggering by noise spikes on the supplies being monitored.

The part is manufactured on one of Analog Devices' proprietary BiCMOS processes, which also includes high performance thin film resistors to achieve the accuracy required for the precision voltage reference and power supply high and low trip points.

ADM9264
Quad Power Supply Monitor for Desktop PCs
135522584ADM9264-fbl
Add to myAnalog

Add product to the Products section of myAnalog (to receive notifications), to an existing project or to a new project.

Create New Project
Ask a Question

Documentation

Learn More
Add to myAnalog

Add media to the Resources section of myAnalog, to an existing project or to a new project.

Create New Project

Software Resources

Can't find the software or driver you need?

Request a Driver/Software

Latest Discussions

No discussions on ADM9264 yet. Have something to say?

Start a Discussion on EngineerZone®

Recently Viewed