ADG604

PRODUCTION

1 pC Charge Injection, 100 pA Leakage CMOS ±5 V/5 V/3 V 4-Channel Multiplexer

Viewing:

Overview

  • 1 pC Charge Injection (Over the Full Signal Range)
  • ±2.7 V to ±5.5 V Dual Supply
  • 2.7 V to 5.5 V Single Supply
  • Temperature Range: −40°C to +125°C
  • 100 pA Max @ 25°C Leakage Currents
  • 85 Ω Typ On Resistance
  • Rail-to-Rail Operation
  • Fast Switching Times
  • Typical Power Consumption (<0.1 μW)
  • TTL/CMOS Compatible Inputs
  • 14-Lead TSSOP Package

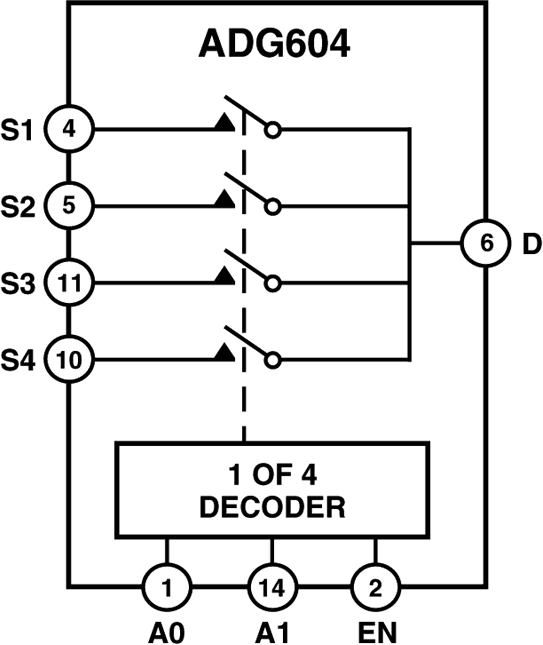
The ADG604 is a CMOS analog multiplexer, comprising four single channels. It operates from a dual supply of ± 2.7 V to ±5.5 V, or from a single supply of 2.7 V to 5.5 V.

The ADG604 switches one of four inputs to a common output, D, as determined by the 3-bit binary address lines, A0, A1, and EN. A Logic “0” on the EN pin disables the device.

The ADG604 offers ultralow charge injection of ±1.5 pC over the entire signal range and leakage currents of 10 pA typical at 25°C. It offers on resistance of 85 Ω typ, which is matched to within 2 Ω between channels. The ADG604 also has low power dissipation yet gives high switching speeds. The ADG604 is available in a 14-lead TSSOP package.

PRODUCT HIGHLIGHTS

  1. Ultralow Charge Injection (QINJ: ±1.5 pC Typ over the Full Signal Range)
  2. Leakage Current <0.5 nA max @ 85°C
  3. Dual ±2.7 V to ±5.5 V or Single 2.7 V to 5.5 V Supply
  4. Fully Specified to 125°C
  5. Small 14-Lead TSSOP Package

APPLICATIONS

  • Automatic Test Equipment
  • Data Acquisition Systems
  • Battery-Powered Instruments
  • Communication Systems
  • Sample and Hold Systems
  • Remote-Powered Equipment
  • Audio and Video Signal Routing
  • Relay Replacement
  • Avionics

ADG604
1 pC Charge Injection, 100 pA Leakage CMOS ±5 V/5 V/3 V 4-Channel Multiplexer
ADG604 Functional Block Diagram ADG604 Pin Configuration
Add to myAnalog

Add product to the Products section of myAnalog (to receive notifications), to an existing project or to a new project.

Create New Project
Ask a Question

Documentation

Learn More
Add to myAnalog

Add media to the Resources section of myAnalog, to an existing project or to a new project.

Create New Project

Software Resources

Can't find the software or driver you need?

Request a Driver/Software

Evaluation Kits

eval board
EVAL-14TSSOPEBZ

EVAL-14TSSOPEBZ Evaluation Board

Features and Benefits

  • 14-lead TSSOP evaluation board 
  • Clamp allows the main device to be easily changed 
  • Gold pin connectors allow the addition of passive components 
  • SMB connectors for the input/output of signals 
  • Additional space on-board to allow for prototyping 

Product Details

The EVAL-14TSSOPEBZ evaluation board evaluates 14-lead TSSOP devices in the Switches and Multiplexers Portfolio that must be purchased separately from the evaluation board. A clamp is supplied with the EVAL-14TSSOPEBZ to secure a 14-lead TSSOP device to the evaluation board without the need for soldering, making the board reusable for multiple devices.

A 14-lead TSSOP device can be clamped or soldered to the center of the evaluation board. Each pin of the device that the eval board evaluates has a corresponding link from K1 to K14 that can be set to either VDD or GND. A wire screw terminal supplies VDD and GND. SMB connectors on the board allow additional external signals to be supplied to the device. In addition, there is space available at the top of the board for prototyping.

For full details, see the corresponding product data sheet, which must be used in conjunction with this user guide when using the evaluation board.

EVAL-14TSSOPEBZ
EVAL-14TSSOPEBZ Evaluation Board
EVAL-14TSSOPEBZANGLE-web EVAL-14TSSOPEBZBOTTOM-web EVAL-14TSSOPEBZTOP-web

Latest Discussions

Recently Viewed