ADDI9036

NOT RECOMMENDED FOR NEW DESIGNS

CCD TOF Signal Processor with Programmable Timing and V-Driver

Viewing:

Overview

  • 12-bit, 45 MHz ADC
  • CDS with variable gain
  • 0 dB to 36 dB, 10-bit VGA
  • Black level clamp with variable level control
  • Precision Timing core with 174 ps resolution
  • Integrated, 7-channel H-driver and RG clock drivers
  • 7-channel LD driver
  • Integrated 16-channel V-driver
  • Complete on-chip ISA timing generator
  • I2C serial interface
  • MIPI CSI-2 transmit interface with support for 1 or 2 data lanes
  • On-chip driver for external crystal
  • 8 GPOs
  • 6 mm × 6 mm, 117-ball WLCSP package with 0.5 mm pitch

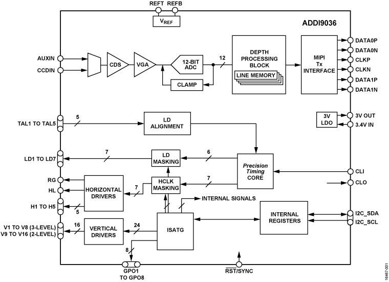
The ADDI9036 is a complete, 45 MHz, front-end solution for charge coupled device (CCD) time of flight (TOF) imaging applications. The ADDI9036 includes an analog front end (AFE), a programmable instruction set architecture (ISA) timing generator (ISATG), a 7-channel laser diode (LD) driver, a 7-channel H-driver, and a 16-channel vertical driver (V-driver). The Precision Timing® core allows adjustment of the CCD horizontal clocks and LD outputs with approximately 174 ps resolution at 45 MHz operation.

The AFE includes black level clamping, a correlated double sampler (CDS), a variable gain amplifier (VGA), and a 12-bit analog-to-digital converter (ADC). The AFE data is output through the MIPI® CSI-2 transmit interface.

The internal registers can be programmed by an I2C serial interface.

The ADDI9036 is packaged in a 6 mm × 6 mm, 117-ball WLCSP and is specified over an operating temperature range of −20°C to +85°C.

Applications

  • TOF CCD cameras

ADDI9036
CCD TOF Signal Processor with Programmable Timing and V-Driver
ADDI9036 Functional Block Diagram
Add to myAnalog

Add product to the Products section of myAnalog (to receive notifications), to an existing project or to a new project.

Create New Project
Ask a Question

Documentation

Data Sheet 1

Technical Articles 2

Request an NDA

Complete documentation is available upon completion of a Non-Disclosure Agreement (NDA).

Request an NDA
Learn More
Add to myAnalog

Add media to the Resources section of myAnalog, to an existing project or to a new project.

Create New Project

Software Resources


Evaluation Kits

eval board
AD-96TOF1-EBZ

3D Time of Flight Development Platform

Features and Benefits

The ADI ToF system uses a VGA CCD that enables the user to capture a 640x480 depth map of an image, providing up to 4x higher resolution than many other TOF systems on the market. This enables users to detect and measure the distance to smaller and thinner objects that would otherwise be invisible to other ToF systems. More information is included in our ToF technology page.

  • Range: <6m
  • FoV: 90° x 69.2°
  • Wavelength 940nm
  • Near: 25cm – 80cm
  • Medium: 30cm – 4.5m
  • Far: 3m – 6m
  • Accuracy < 2% for all ranges
  • Frame Rate: 30 fps max (dependent on application processor, OS and interface to host computer)
  • Resolution: 640 x 480 pixels 
  • Multiple interface options to PC (USB, ETH, WiFi)
  • ToF specific API for system control & data acquisition
  • Operating system for Linux, Windows, Mac
  • Complete open source software framework: wrappers for MATLAB®, Python, RobotOS
  • Platform allows for software/algorithm development while hardware can be optimized
  • 3rd Party network to help modify platform for individual production needs
 

Product Details

The AD-96TOF1-EBZ is a proven hardware platform for depth perception. When paired with processor board from the 96Boards eco system, it can be used for 3D software and algorithm development. While the software and algorithms are being developed, the hardware design can be leveraged for productization. ADI can suggest 3rd party developers to help customize the platform to meet individual application needs.

Depending on customer preferences and development experience, different 96Boards processor boards can be used for overall system evaluation and custom development. There is also a Raspberry Pi interface available on the Mezzanine board for extra customer flexibility.

This solution offers the ability to be very small and low power while measuring depth at up to 6m distances, good outdoor and indoor performance and VGA resolution.

It can be used for applications like:

  • Robotics
  • Industrial automation
  • SLAM (Simultaneous Localization and Mapping)
  • Augmented Reality
  • Virtual Reality
  • Drones
  • Automotive sensing

eval board
AD-FXTOF1-EBZ

3D ToF Development Kit

Features and Benefits

The AD-FXTOF1-EBZ is a depth sensing solution, ideal for developing 3D computer vision systems. It uses a VGA CCD that enables the capture of a 640×480 depth map of a scene at 30 frames per second, providing up to 4× higher resolution than many other TOF systems on the market. This enables the detection and measurement of distances to smaller and thinner objects that would otherwise be invisible to other ToF systems. More information is included in our ToF technology page.

  • Output: Depth & IR images @ 640 × 480 pixels (VGA), 30fps
  • Distance sensing range: up to 3m
  • Measurement accuracy: typical < 2% of the measured distance
  • Connectivity: 2 lanes MIPI CSI-2, 25 pin flex cable or 15 pin flex cable via an interposer board
  • Supply: 5V @ 2000mA
  • Optics: 940nm VCSEL, FOV: 87°x67°; AR coated lens with 940 BPF, FoV: 87°×67°
  • Operating temperature: -20°C ~ 75°C
  • Tested for shock & vibe, temperature & humidity, drop
  • Certified Eye safe in accordance with IEC 60825-1:2014 & 2007
  • Compatible with Analog Devices open source 3D ToF SDK

Product Details

The AD-FXTOF1-EBZ is a proven hardware platform for depth sensing. It is fully compatible with the existing ADI 3DTOF Open Source SDK and prototyping software platform.

It can be used with existing ADI algorithms for use cases around people detection, occupancy and activity sensing, objects detection and classification, autonomous and service robots, volumetric measurement for logistics and industrial applications and many other machine vision applications.

The kit contains an interposer board to adapt the 25-pin interface of the ToF module to a 15-pin interface compatible with popular development systems such as the Raspberry PI, Nvidia Jetson Nano or Nvidia Xavier NX.


eval board
AD-3DSMARTCAM1-PRZ

Smart Camera for 3D & 2D sensing

Features and Benefits

  • 3D and 2D sensing
  • AI Edge processing capability
  • WiFi and Gigabit Ethernet connectivity
  • Open Source SDK with Windows and Linux support 

Product Details

The AD-3DSMARTCAM1-PRZ is a 2D & 3D machine vision solution with AI edge processing capabilities. It can be used for implementing advanced machine vision applications for different industry segments including logistics, robotics, agriculture and people activity monitoring.

An open-source SDK that accompanies the hardware platform enables configuring the camera and extracting depth, IR and RGB data from the camera on the host system of your choice. Windows and Linux support are built into the SDK as well as sample code and wrappers for various languages including Python, C/C++ and MATLAB. The SDK also integrates with 3rd party technologies like OpenCV, Open3D and RoS.

APPLICATIONS

  • Logistics
  • Robotics
  • Agriculture
  • Building Management 
  • People Activity Monitoring
Specification Table
Camera
3D ToF sensor FoV 90x60, Range: 4m, Resolution 640x480 @ 30fps
RGB sensor FoV 128x68, Range 6m, Resolution 1920x1080 @ 30fps
Connectivity
WiFi 802.11a/b/g/n/ac, 867Mbps with dual stream in 802.11n, 2x2 Access Points with MIMO standard
Ethernet (optional) 1xRJ45 10M/100M/1G self-adaptive Ethernet port
Bluetooth 5.0 Bluetooth Class 1 or Class2 transmitter operation, Adaptive frequency hopping
Power supply
External power 12V DC @ 2A
Power over Ethernet (optional) PoE+ IEEE802.3-2012, max 20W
Operating Conditions
Temperature Range -25C to 60C
Operating Class IP66
Computing Resources
CPU Quad-core ARM A57 @ 1.43 GHz
GPU 128-core Maxwell
Memory 4 GB 64-bit LPDDR4 25.6 GB/s
Storage 16GB eMMC
Certifications
Safety, EMC, Environment Eye safe and conforms to necessary regional standards

AD-96TOF1-EBZ
3D Time of Flight Development Platform
AD-96TOF1-EBZ
AD-FXTOF1-EBZ
3D ToF Development Kit
AD-FXTOF1-EBZKIT Camera AD-FXTOF1-EBZ - Angle View AD-FXTOF1-EBZKIT - Angle View AD-FXTOF1-EBZ Diagram
AD-3DSMARTCAM1-PRZ
Smart Camera for 3D & 2D sensing
AD-3DSMARTCAM1-PRZ

Latest Discussions

Recently Viewed