ADAU1977
PRODUCTIONQuad ADC with Diagnostics (10V Input)
- Part Models
- 3
- 1ku List Price
- Starting From $4.90
Overview
- Programmable microphone bias (5 V to 9 V) with diagnostics
- Four 10 V rms capable direct-coupled differential inputs
- 109 dB ADC dynamic range
- On-chip PLL for master clock
- −95 dB THD + N
- Selectable digital high-pass filter
- 24-bit ADC with 8 kHz to 192 kHz sample rates
- Low EMI design
- See data sheet for additional features
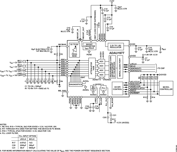
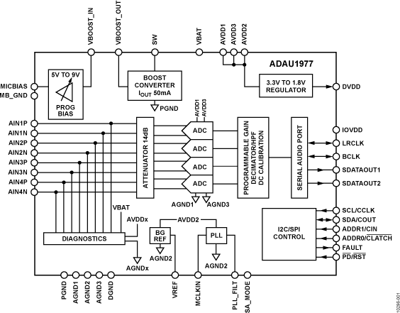
The ADAU1977 incorporates four high performance analog-to-digital converters (ADCs) with direct-coupled inputs capable of 10 V rms. The ADC uses multibit sigma-delta (Σ-Δ) architecture with continuous time front end for low EMI. The ADCs can be connected to the electret microphone (ECM) directly and provide the bias for powering the microphone. Built-in diagnostic circuitry detects faults on input lines and includes comprehensive diagnostics for faults on microphone inputs. The faults reported are short to battery, short to microphone bias, short to ground, short between positive and negative input pins, and open input terminals. In addition, each diagnostic fault is available as an IRQ flag for ease in system design. An I2C/SPI control port is also included. The ADAU1977 uses only a single 3.3 V supply. The part internally generates the microphone bias voltage. The microphone bias is programmable in a few steps from 5 V to 9 V. The low power architecture reduces the power consumption. An on-chip PLL can derive the master clock from an external clock input or frame clock (sample rate clock). When fed with a frame clock, the PLL eliminates the need for a separate high frequency master clock in the system. The ADAU1977 is available in a 40-lead LFCSP package.
Applications
- Automotive audio systems
- Active Noise Cancellation System
Documentation
Data Sheet 1
User Guide 1
Device Drivers 1
ADI has always placed the highest emphasis on delivering products that meet the maximum levels of quality and reliability. We achieve this by incorporating quality and reliability checks in every scope of product and process design, and in the manufacturing process as well. "Zero defects" for shipped products is always our goal. View our quality and reliability program and certifications for more information.
| Part Model | Pin/Package Drawing | Documentation | CAD Symbols, Footprints, and 3D Models |
|---|---|---|---|
| ADAU1977WBCPZ | 40-Lead LFCSP (6mm x 6mm w/ EP) | ||
| ADAU1977WBCPZ-R7 | 40-Lead LFCSP (6mm x 6mm w/ EP) | ||
| ADAU1977WBCPZ-RL | 40-Lead LFCSP (6mm x 6mm w/ EP) |
| Part Models | Product Lifecycle | PCN |
|---|---|---|
|
Jun 5, 2014 - 13_0302 Assembly Transfer of Select 6x6 LFCSP Products to Amkor Philippines |
||
| ADAU1977WBCPZ | PRODUCTION | |
| ADAU1977WBCPZ-R7 | PRODUCTION | |
| ADAU1977WBCPZ-RL | PRODUCTION | |
This is the most up-to-date revision of the Data Sheet.
Software Resources
Device Drivers 1
Evaluation Software 0
Can't find the software or driver you need?
