ADAQ4370-4

RECOMMENDED FOR NEW DESIGNS

Quad, 16-bit, 2 MSPS, Simultaneous Sampling, μModule Data Acquisition Solution

Viewing:

Overview

  • Easy to use μModule® data acquisition system
    • 11× footprint reduction versus discrete solution
    • Integrated critical passive components
    • 5 V single supply operation
  • Guaranteed 16-bit no missing codes
  • On-chip oversampling function
  • 2-bit resolution boost
  • Out of range indicator (ALERT)
  • INL: ±0.85 LSB typical, ±2 LSB maximum
  • SNR (typical)
    • 90.8 dB at gain = 1.0, fIN = 1 kHz
    • 97.5 dB with OSR = ×8 at gain = 1.0, fIN = 1 kHz
  • Channel-to-Channel phase matching: 0.005° typical at fIN = 20 kHz
  • Integrated high precision reference, 3 ppm/oC typical drift
  • Gain error: 0.01% typical
  • Gain drift: 0.8 ppm/°C typical
  • Integrated internal buffer with VCM generation
  • Integrated fully differential ADC driver with signal scaling
    • Wide input common-mode voltage range
    • High common-mode rejection
  • Single-ended to differential conversion
  • Pin selectable input range with overrange
    • Input ranges: ±2 V, ±3.3 V, ±5.5 V, ±11 V
    • Gain/Attenuation: G = 0.3, 0.6, 1.0, and 1.6
  • High-speed serial interface
  • 8 mm x 8 mm, 0.8 mm pitch, 81-ball CSP_BGA package

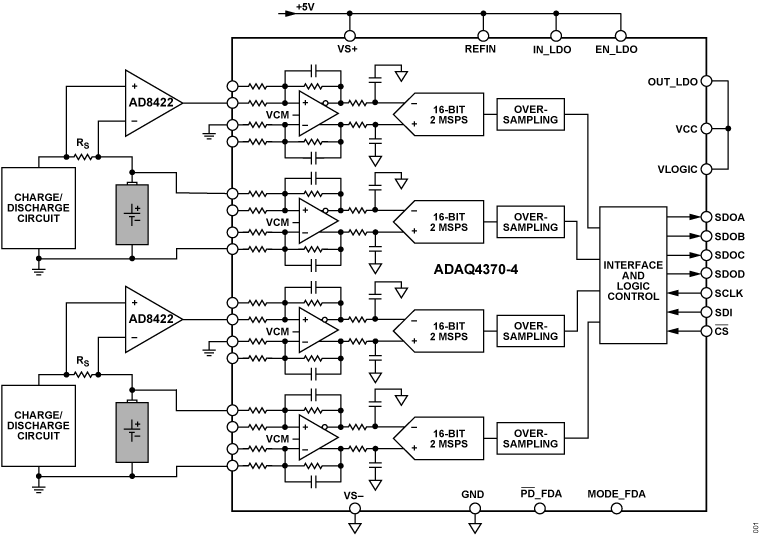
The ADAQ4370-4 is a quad-channel precision data acquisition (DAQ) signal chain μModule solution that reduces the development cycle of a precision measurement system by transferring the signal chain design challenges of component selection, optimization, and layout from the designer to the device.

Using system-in-package (SIP) technology, the ADAQ4370-4 reduces end system component count by combining multiple common signal processing and conditioning blocks into a single device. These blocks include a quad-channel, high resolution 16-bit, 2 MSPS simultaneous sampling SAR ADC, low noise, fully differential ADC driver amplifier, a 3.3 V precision voltage reference, low-noise buffer amplifiers, and low-dropout linear regulator.

The ADAQ4370-4 has an on-chip oversampling blocks to improve the dynamic range and reduce noise at lower bandwidths. The oversampling can boost up to two bits of added resolution. It provides the flexibility of a configurable ADC driver feedback loop to allow four gain and attenuation adjustments, and accept both fully differential or single-ended to differential input configuration.

Using Analog Devices, Inc. iPassives® technology, the ADAQ4370-4 incorporates critical passive components with superior matching and drift characteristics to minimize temperature dependent error sources and to offer optimized signal chain performance. Housed in a small 8 mm × 8 mm × 0.8 mm pitch, 81- ball CSP_BGA package, the ADAQ4370-4 enables compact design without sacrificing performance and simplifies end system bill of materials management. The ADAQ4370-4's optimum performance is guaranteed with a single 5 V supply operation, all the required bypass and decoupling capacitors are included inside the package. The level of ADAQ4370-4 system integration solves many design challenges, which enables a compact and simple solution for a multichannel application.

The conversion result can clock out simultaneously through 4-wire mode for faster throughput or through 1-wire serial mode when slower throughput is allowed. The ADAQ4370-4 is compatible with 1.8 V, 2.5 V, and 3.3 V interfaces using the separate logic supply. The ADAQ4370-4 is specified to operate over a temperature range of −40°C to +105°C.

APPLICATIONS

  • Lab grade battery test system
  • Motor control current sense
  • Motor control position feedback
  • Sonar
  • Power quality monitoring
  • Data acquisition system
  • Erbium-Doped Fiber Amplifier (EDFA) applications
  • I and Q demodulation

ADAQ4370-4
Quad, 16-bit, 2 MSPS, Simultaneous Sampling, μModule Data Acquisition Solution
ADAQ4370-4 Functional Block Diagram ADAQ4370-4  Pin Configuration
Add to myAnalog

Add product to the Products section of myAnalog (to receive notifications), to an existing project or to a new project.

Create New Project
Ask a Question

Documentation

Learn More
Add to myAnalog

Add media to the Resources section of myAnalog, to an existing project or to a new project.

Create New Project

Software Resources

Can't find the software or driver you need?

Request a Driver/Software

Evaluation Kits

eval board
EVAL-ADAQ4370-4

Evaluating the ADAQ4370-4 Quad, 16-Bit, 2 MSPS, Simultaneous Sampling, μModule Data Acquisition Solutions

Features and Benefits

  • ADAQ4370-4 quad, 16-bit, 4/2 MSPS, μModule® evaluation boards
  • Versatile analog signal conditioning circuitry
  • On-board LDO and power supply circuits
  • PC software for control and data analysis of time and frequency domain
  • System demonstration platform-compatible (SDP-H1, high-speed controller board (EVAL-SDP-CH1Z))

    Product Details

    The EV-ADAQ4380-4FMCZ and EV-ADAQ4370-4FMCZ evaluation boards (see Figure 1) enable a simple evaluation of the ADAQ4380-4 and ADAQ4370-4 quad, 16-bit, 4/2 MSPS, simultaneous sampling, μModule data acquisition solutions, respectively. The evaluation boards demonstrate the performance of the ADAQ4380-4 and ADAQ4370-4 μModules and are versatile tools for variety of applications.

    The ADAQ4380-4 and ADAQ4370-4 μModules combine multiple common signal processing and conditioning blocks into a single device that includes a low noise, fully differential analog-to-digital converter (ADC) drivers, a high precision 3.3 V reference chip, low-noise reference buffer, high resolution, quad, 16-bit, 4/2 MSPS simultaneous sampling successive approximation register (SAR) ADC, and all the critical passive components necessary for optimum performance.

    The EV-ADAQ4380-4FMCZ and EV-ADAQ4370-4FMCZ evaluation boards interface with high-speed system demonstration platform SDP-H1 (EVAL-SDP-CH1Z) board through a 160-pin FMC connector, as shown in Figure 2.

    Refer to the ADAQ4380-4 and ADAQ4370-4 data sheets for full specifications, which must be consulted in conjunction with this user guide when using the EV-ADAQ4380-4FMCZ and EVADAQ4370- 4FMCZ evaluation boards. For the current schematic, layouts, and bill of materials, refer to the EVAL-ADAQ4380-4 or EVAL-ADAQ4370-4 product page.

    EVAL-ADAQ4370-4
    Evaluating the ADAQ4370-4 Quad, 16-Bit, 2 MSPS, Simultaneous Sampling, μModule Data Acquisition Solutions
    EV-ADAQ4380-4FMCZ Evaluation Board EV-ADAQ4380-4FMCZ Evaluation Board - Bottom View EV-ADAQ4380-4FMCZ Evaluation Board - Top View

    Latest Discussions

    No discussions on ADAQ4370-4 yet. Have something to say?

    Start a Discussion on EngineerZone®

    Recently Viewed