Two engineers working in the lab

Save time and deliver your solutions faster with ADI’s new suite of precision technology signal chains. Align your applications ranging from Smart Industry to Instrumentation, Electrification to Digital Health, to exactly the right precision technology combinations.

Tailor your signal chain with confidence

AD8104

PRODUCTION

600 MHz, 32 × 16 Buffered Analog Crosspoint Switch

Viewing:

Overview

  • High channel count, 32 × 16 high speed, nonblocking switch array
  • Differential or single-ended operation
  • Differential G = +1 (AD8104) or G = +2 (AD8105)
  • Pin compatible with AD8117/AD8118, 32 x 32 switch arrays
  • Flexible power supplies 
    • Single +5 V supply, or dual ±2.5 V supplies
  • Serial or parallel programming of switch array
  • Excellent video performance
    • >50 MHz 0.1 dB gain flatness
    • 0.05% differential gain error (RL = 150 Ω)
    • 0.05° phase error (RL = 150 Ω)
  • High impedance output disable allows connection of multiple devices with minimal loading on output bus
  • Excellent ac performance
    • Bandwidth: 600 MHz
    • Slew rate: 1800 V/μs
    • Settling time: 2.5 ns to 1%
  • Low power of 1.7 W
  • Low all hostile crosstalk
    • < −70 dB at 5 MHz
    • < −40 dB @ 600 MHz
  • Reset pin allows disabling of all outputs (connected through a capacitor to ground provides power-on reset capability)
  • 304-ball BGA package (31 mm × 31 mm)

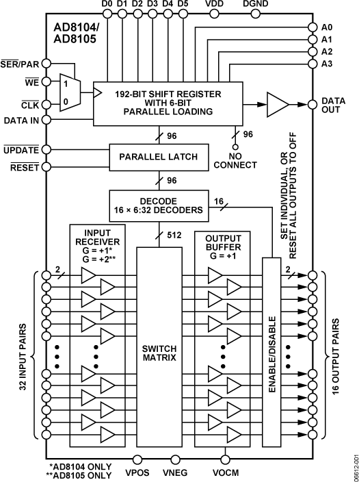
The AD8104/AD8105 are high speed, 32 × 16 analog crosspoint switch matrices. They offer 600 MHz bandwidth and slew rate of 1800 V/μs for high resolution computer graphics (RGB) signal switching. With less than −70 dB of crosstalk and −90 dB isolation (@ 5 MHz), the AD8104/AD8105 are useful in many high speed applications. The 0.1 dB flatness, which is greater than 50 MHz, makes the AD8104/AD8105 ideal for composite video switching.

The AD8104/AD8105 include 16 independent output buffers that can be placed into a high impedance state for paralleling crosspoint outputs so that off-channels present minimal loading to an output bus. The AD8104 has a differential gain of +1, while the AD8105 has a differential gain of +2 for ease of use in back-terminated load applications. They operate as fully differential devices or can be configured for single-ended operation. Either a single +5 V supply or dual ±2.5 V supplies can be used, while consuming only 340 mA of idle current with all outputs enabled. The channel switching is performed via a double-buffered, serial digital control (which can accommodate daisy-chaining of several devices), or via a parallel control, allowing updating of an individual output without reprogramming the entire array.

The AD8104/AD8105 are packaged in a 304-ball BGA package and are available over the extended industrial temperature range of −40°C to +85°C.

Applications

  • Routing of high speed signals including
    • RGB and component video routing
    • KVM
    • Compressed video (MPEG, wavelet)
    • Data communications

AD8104
600 MHz, 32 × 16 Buffered Analog Crosspoint Switch
AD8104-05-fbl AD8104-05 Pin Configuration AD8104-05 Circuit Diagram
Add to myAnalog

Add product to the Products section of myAnalog (to receive notifications), to an existing project or to a new project.

Create New Project
Ask a Question

Documentation

Learn More
Add to myAnalog

Add media to the Resources section of myAnalog, to an existing project or to a new project.

Create New Project

Software Resources

Can't find the software or driver you need?

Request a Driver/Software

Evaluation Kits

EVAL-AD8104

AD8104 Evaluation Board

Product Details

This page provides ordering information for teh AD8104 600 MHz, 32x16 Buffered Analog Crosspoint Switch evaluation board.

EVAL-AD8104
AD8104 Evaluation Board

Latest Discussions

Recently Viewed