AD7873
PRODUCTIONTouch Screen Digitizer
- Part Models
- 6
- 1ku List Price
- Starting From $2.47
Overview
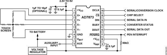
- 4-Wire touch screen interface
- On-chip temperature sensor: –40°C to +85°C
- On-chip 2.5 V reference
- Direct battery measurement (0 V to 6 V)
- Touch pressure measurement
- Specified throughput rate of 125 kSPS
- Single supply, VCC of 2.2 V to 5.25 V
- Ratiometric conversion
- High speed serial interface
- Programmable
 8- or 12-bit resolution
- One auxiliary analog input
- Shutdown mode: 1 µA maximum
- 16-lead QSOP, TSSOP, and LFCSP packages
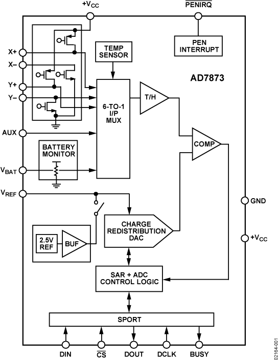
The AD7873 is a 12-bit successive approximation ADC with a synchronous serial interface and low on resistance switches for driving touch screens. The AD7873 operates from a single 2.2 V to 5.25 V supply, with a throughput rate of 125 kSPS.
The AD7873 features direct battery measurement, temperature measurement, and touch pressure measurement. The AD7873 also has an on-board reference of 2.5 V that can be used for the auxiliary input, battery monitor, and temperature measurement modes. When not in use, the internal reference can be shut down to conserve power. An external reference can also be applied and varied from 1 V to VCC with an analog input range from 0 V to VREF. The device includes a shutdown mode that reduces the current consumption to less than 1 µA.
The AD7873 features on-board switches. This, coupled with low power and high speed operation, makes the device ideal for battery-powered systems with resistive touch screens. The part is available in a 16-lead, 0.15 inch quarter size outline package (QSOP), a 16-lead, thin shrink small outline package (TSSOP), and a 16-lead, lead frame chip scale package (LFCSP).
PRODUCT HIGHLIGHTS
- Ratiometric conversion mode available, eliminating errors due to on-board switch resistances.
- On-board temperature sensor: −40°C to +85°C.
- Battery monitor input.
- Touch pressure measurement capability.
- Low power consumption of 1.37 mW maximum with the reference off, or 2.41 mW typical with the reference on, at 125 kSPS and VCC at 3.6 V.
- Package options include 4 mm × 4 mm LFCSP.
- Analog input range from 0 V to VREF.
- Versatile serial I/O ports.
APPLICATIONS
- Personal digital assistants
- Smart hand-held devices
- Touch screen monitors
- Point-of-sale terminals
- Pagers
Documentation
Data Sheet 1
User Guide 1
Application Note 1
Technical Articles 1
Evaluation Design File 1
Device Drivers 1
Analog Dialogue 1
ADI has always placed the highest emphasis on delivering products that meet the maximum levels of quality and reliability. We achieve this by incorporating quality and reliability checks in every scope of product and process design, and in the manufacturing process as well. "Zero defects" for shipped products is always our goal. View our quality and reliability program and certifications for more information.
| Part Model | Pin/Package Drawing | Documentation | CAD Symbols, Footprints, and 3D Models | 
|---|---|---|---|
| AD7873ARQZ | 16-Lead QSOP | ||
| AD7873ARQZ-REEL | 16-Lead QSOP | ||
| AD7873ARQZ-REEL7 | 16-Lead QSOP | ||
| AD7873ARUZ | 16-Lead TSSOP | ||
| AD7873ARUZ-REEL | 16-Lead TSSOP | ||
| AD7873ARUZ-REEL7 | 16-Lead TSSOP | 
| Part Models | Product Lifecycle | PCN | 
|---|---|---|
| Aug 26, 2010 - 10_0001 Halogen Free Material Change for QSOP Products | ||
| AD7873ARQZ | PRODUCTION | |
| AD7873ARQZ-REEL | PRODUCTION | |
| AD7873ARQZ-REEL7 | PRODUCTION | |
| Feb 8, 2010 - 04_0080 Qualification of the 8" C6 and Q Wafer Fab Processes at Analog Devices, Limerick, Ireland. | ||
| AD7873ARQZ | PRODUCTION | |
| AD7873ARQZ-REEL | PRODUCTION | |
| AD7873ARQZ-REEL7 | PRODUCTION | |
| AD7873ARUZ | PRODUCTION | |
| AD7873ARUZ-REEL | PRODUCTION | |
| AD7873ARUZ-REEL7 | PRODUCTION | |
| Feb 11, 2011 - 10_0005 Halogen Free Material Change for TSSOP Products Assembled at Amkor | ||
| AD7873ARUZ | PRODUCTION | |
| AD7873ARUZ-REEL | PRODUCTION | |
| AD7873ARUZ-REEL7 | PRODUCTION | |
This is the most up-to-date revision of the Data Sheet.
Software Resources
Device Drivers 1
Evaluation Software 0
Can't find the software or driver you need?
