
Save time and deliver your solutions faster with ADI’s new suite of precision technology signal chains. Align your applications ranging from Smart Industry to Instrumentation, Electrification to Digital Health, to exactly the right precision technology combinations.
Tailor your signal chain with confidenceAD688
PRODUCTIONHigh Precision ±10 V Reference
- Part Models
- 4
- 1ku List Price
- Starting From $20.61
Part Details
- ±10 V tracking outputs
- Kelvin connections
- Low tracking error: 1.5 mV
- Low initial error: 2.0 mV
- Low drift: 1.5 ppm/°C
- Low noise: 6 µVp-p
- Flexible output force and sense terminals
- High impedance ground sense
- Wide body SOIC and CERDIP packages
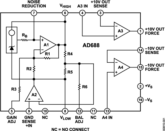
The AD688 is a high precision ±10 V tracking reference. Low tracking error, low initial error and low temperature drift give the AD688 reference absolute ±10 V accuracy performance previously unavailable in monolithic form. The AD688 uses a proprietary ion-implanted buried Zener diode, and laser-wafer-drift- trimming of high stability thin-film resistors to provide outstanding performance at low cost.
The AD688 includes the basic reference cell and three additional amplifiers. The amplifiers are laser-trimmed for low offset and low drift and maintain the accuracy of the reference. The amplifiers are configured to allow Kelvin connections to the load and/or boosters for driving long lines or high current loads, delivering the full accuracy of the AD688 where it is required in the application circuit.
The low initial error allows the AD688 to be used as a system reference in precision measurement applications requiring 12-bit absolute accuracy. In such systems, the AD688 can provide a known voltage for system calibration and the cost of periodic recalibration can therefore be eliminated. Furthermore, the mechanical instability of a trimming potentiometer and the potential for improper calibration can be eliminated by using the AD688 and calibration software.
The AD688 is available in three versions. The AD688AQ and BQ grades are packaged in 16-pin cerdip (0.3") packages and are specified for operation from -40°C to +85°C. The AD688SQ grade is specified for operation from -55°C to +125°C.
PRODUCT HIGHLIGHTS
- Precision Tracking. The AD688 offers precision tracking ±10 V Kelvin output connections with no external components. Tracking error is less than 1.5 mV and fine-trim is available for applications requiring exact symmetry between the +10 V and −10 V outputs.
- Accuracy. The AD688 offers 12-bit absolute accuracy without any user adjustments. Optional fine-trim connections are provided for applications requiring higher precision. The fine-trimming does not alter the operating conditions of the Zener or the buffer amplifiers and thus does not increase the temperature drift.
- Low output noise. Output noise of the AD688 is low— typically 6 μVp-p. A pin is provided for broadband noise filtering using an external capacitor.
Documentation
Data Sheet 2
Frequently Asked Question 1
ADI has always placed the highest emphasis on delivering products that meet the maximum levels of quality and reliability. We achieve this by incorporating quality and reliability checks in every scope of product and process design, and in the manufacturing process as well. "Zero defects" for shipped products is always our goal. View our quality and reliability program and certifications for more information.
Part Model | Pin/Package Drawing | Documentation | CAD Symbols, Footprints, and 3D Models |
---|---|---|---|
5962-9321401MEA | 16 ld CerDIP | ||
AD688AQ | 16 ld CerDIP | ||
AD688ARWZ | 16 ld SOIC - Wide | ||
AD688BQ | 16 ld CerDIP |
Part Models | Product Lifecycle | PCN |
---|---|---|
Jul 16, 2025 - 25_0091 Qualification of Wafer Fabrication Site Analog Devices, Inc. Camas WA for (Bipolar) Products |
||
5962-9321401MEA | PRODUCTION | |
AD688AQ | PRODUCTION | |
AD688ARWZ | PRODUCTION | |
AD688BQ | PRODUCTION | |
Apr 9, 2018 - 16_0026 Qualify TeamQuest Technology, Inc. for Burn-in and Life Test of Military and Aerospace Devices |
||
5962-9321401MEA | PRODUCTION | |
Nov 7, 2012 - 12_0199 Qualification of New Conductive Silver-Filled Glass Die Attach Adhesive for Cerdip and Ceramic Flatpack (Cerpack) Packages. |
||
5962-9321401MEA | PRODUCTION | |
AD688AQ | PRODUCTION | |
AD688BQ | PRODUCTION | |
Jun 6, 2012 - 12_0066 Add capacity for Burn In of Hermetic, 883 & QMLQ/Class B devices at TSSI Cavite |
||
5962-9321401MEA | PRODUCTION | |
Nov 9, 2011 - 11_0050 Transfer of ADI Hermetics Assembly location from Paranaque, Manila to General Trias, Cavite Philippines |
||
5962-9321401MEA | PRODUCTION | |
AD688AQ | PRODUCTION | |
AD688BQ | PRODUCTION | |
Nov 9, 2011 - 11_0182 Test Site Transfer from Analog Devices Philippines Inc in Paranaque to Analog Devices General Trias in Cavite, Philippines |
||
5962-9321401MEA | PRODUCTION | |
AD688AQ | PRODUCTION | |
AD688BQ | PRODUCTION | |
Feb 7, 2011 - 10_0003 Halogen Free Material Change for SOIC Wide Body Products Assembled at Amkor |
||
AD688ARWZ | PRODUCTION |
This is the most up-to-date revision of the Data Sheet.