MAX895L

PRODUCTION

Dual, Current-Limited, High-Side P-Channel Switches with Thermal Shutdown

Low Resistance P-Channel Switches with Adjustable, Accurate Current Limit Protects Systems and USB

Viewing:

Overview

  • +2.7V to +5.5V Input Range
  • Programmable Current Limits
  • Low Supply Current:
    • 16µA IQ at VIN = 3.3V
    • 0.1µA with Switch Off
  • Thermal Shutdown

The MAX894L/MAX895L smart, dual, low-voltage, P-channel, MOSFET power switches are intended for high-side load-switching applications. These switches operate with inputs from +2.7V to +5.5V, making them ideal for both 3V and 5V systems. Internal current-limiting circuitry protects the input supply against overload. Thermal-overload protection limits power dissipation and junction temperature.

The MAX894L/MAX895L's maximum current limits are 500mA and 250mA, respectively. The current limit through the switches is programmed with resistors from SET A/SET B to ground. When the switches are on, the quiescent supply current is a low 16µA. When the switches are off, the supply current decreases to 0.1µA.

The MAX894L/MAX895L are available in an 8-pin SO package.

Applications

  • Access Bus Slots
  • PCMCIA Slots
  • Portable Equipment

MAX895L
Dual, Current-Limited, High-Side P-Channel Switches with Thermal Shutdown
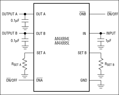
MAX894L, MAX895L: Typical Operating Circuit
Add to myAnalog

Add product to the Products section of myAnalog (to receive notifications), to an existing project or to a new project.

Create New Project
Ask a Question

Documentation

Learn More
Add to myAnalog

Add media to the Resources section of myAnalog, to an existing project or to a new project.

Create New Project

Software Resources

Can't find the software or driver you need?

Request a Driver/Software

Hardware Ecosystem

Parts Product Life Cycle Description
MOSFET & Gate Drivers 1
MAX890L PRODUCTION 1.2A, Current-Limited, High-Side P-Channel Switch with Thermal Shutdown
Protection Switches & Controllers 2
MAX869L PRODUCTION 2A, Current-Limited, High-Side P-Channel Switch with Thermal Shutdown
MAX891L PRODUCTION Current-Limited, High-Side P-Channel Switches with Thermal Shutdown
Modal heading
Add to myAnalog

Add product to the Products section of myAnalog (to receive notifications), to an existing project or to a new project.

Create New Project

Latest Discussions

No discussions on MAX895L yet. Have something to say?

Start a Discussion on EngineerZone®

Recently Viewed