MAX86180

RECOMMENDED FOR NEW DESIGNS

High SNR Dual-Channel AFE for Multi-Wavelength Optical Spectroscopy

Viewing:

Overview

  • Complete Dual-Channel Optical Data Acquisition System
  • Works Efficiently with Dual as well as Single Stand-Alone Supply
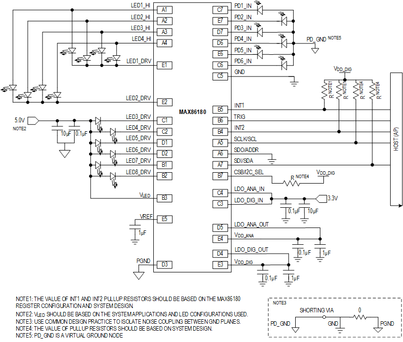
  • Supports Connection with up to 32 Individual LEDs
  • Samples up to 20 Unique Exposure Measurements in a Single Time Frame
  • Ultra Low-Power Operation for Body Wearable Devices
    • Low-Power Operation, Optical Readout Channel < 20μA at 25fps
    • Exposure Integration Period Ranging from 14.6μs to 118.2μs
    • Low Shutdown Current < 1.1μA
  • Excellent Top-End SNR = 98.7dB in White Card Loop-Back Test (Nyquist Sample-to-Sample Variance)
  • Extended Dynamic Range up to 120dB (Averaging and Off-Chip Filtering)
  • Improved Ambient Light Rejection to Over 90dB at 120Hz
  • Supports Frame Rates from 1fps to 1927.53fps
  • High Resolution 20-bit Charge Integrating ADCs
  • Low Dark Current Noise of < 52pA RMS (Sample-to-Sample Variance in 118.2μs Integration Time)
  • Excellent Ambient Range and Rejection Capability
    • > 200μA Ambient Photodetector Current
    • >90dB Ambient Rejection at 120Hz (Average Mode > 2)

The MAX86180 is an ultra-low-power optical data acquisition system with both transmit and receive channels. On the transmitter side, the MAX86180 has two, high-current 8-bit programmable LED drivers. The MAX86180 can drive up to 32 LEDs. On the receiver side, MAX86180 has two low-noise charge integrating front-ends such that each include independent 20-bit analog-to-digital converters (ADCs) and best-in-class ambient light cancellation (ALC) circuits, producing the highest performing integrated optical data acquisition system in the market today.

Due to its low power consumption, compact size, ease and flexibility of use, the MAX86180 is ideal for a wide variety of optical sensing applications such as pulse oximetry and heart rate detection.

The MAX86180 operates on a 3.3V analog supply voltage, a 3.5V to 5.5V LED driver supply voltage, and a 1.8V digital supply voltage. With two integrated LDOs, the MAX86180 can operate on a single 3.5V VLED supply. The device supports both I2C and SPI compatible interfaces in a fully autonomous way. The device has a large 512-word built-in FIFO. The MAX86180 is available in 7 x 5 35-bump wafer-level package (WLP) with package dimensions of 2mm x 2.63mm and operates over -40ºC to +85ºC temperature range.

APPLICATIONS

  • Wearable Devices for Fitness, Wellness, and Medical Applications
  • Suitable for Wrist, Finger, Ear, and Other Locations
  • Optimized Performance to Detect
    • Heart Rate
    • Heart Rate Variability
    • Oxygen Saturation (SpO2)
    • Body Hydration
    • Optical Spectroscopy

MAX86180
High SNR Dual-Channel AFE for Multi-Wavelength Optical Spectroscopy
MAX86180 Simplified Block Diagram MAX86180 Typical Application Circuit MAX86180 Pin Configuration
Add to myAnalog

Add product to the Products section of myAnalog (to receive notifications), to an existing project or to a new project.

Create New Project
Ask a Question

Documentation

Data Sheet 1

Request an NDA

Complete documentation is available upon completion of a Non-Disclosure Agreement (NDA). To request an NDA, click here.

Learn More
Add to myAnalog

Add media to the Resources section of myAnalog, to an existing project or to a new project.

Create New Project

Software Resources

Can't find the software or driver you need?

Request a Driver/Software

Evaluation Kits

eval board
MAX86180EVSYS

MAX86180 Evaluation System

Features and Benefits

  • Quick Evaluation of the MAX86180
  • Supports Optimization of Configurations
  • Facilitates Understanding MAX86180 Architecture and Solution Strategy
  • Real-Time Monitoring
  • Data Logging Capabilities
  • On-Board Accelerometer
  • Bluetooth® LE
  • Windows® 10-Compatible GUI Software

Complete documentation is available upon completion of a Non-Disclosure Agreement (NDA). To request an NDA, click here.

Product Details

The MAX86180 evaluation system (EV system) allows for the quick evaluation of the MAX86180 optical AFE for applications at various sites on the body, particularly the wrist. The EV sys supports both I2C and SPI compatible interfaces. The EV sys has two optical readout channels that operate simultaneously. The EV sys allows flexible configurations to optimize measurement signal quality at minimal power consumption. The EV sys supports file logging and flash logging, allowing the user to disconnect from the computer for more convenient data capturing sessions, such as overnight or outdoor running.

The EV sys consists of two boards. MAXSENSORBLE_EVKIT_B is the main data acquisition board while MAX86180_OSB_EVKIT_B is the sensor daughter board for the MAX86180. To enable PPG measurement capabilities, the sensor board contains seven LEDs (one OSRAM SFH7016, red, green, and IR 3-in-1 LED package, one OSRAM SFH4053 IR LED, one QT-BRIGHTEK QBLP601-IR4 IR LED, one Würth Elektronik INC. W150060BS75000 Blue LED and one QT-BRIGHTEK QBLP595-AG1 green LED) and four discrete photodiodes (VISHAY VEMD8080), and an accelerometer. The EV sys is powered through a LiPo battery attached inside it,and can be charged using a Type-C port. The EV Sys communicates with MAX86180GUI (should be installed in user’s system) using Bluetooth® built into Windows® (Win BLE). The EV sys contains the latest firmware but comes with the programming circuit board MAXDAP-TYPE-C in case a firmware upgrade is needed.

MAX86180EVSYS
MAX86180 Evaluation System
MAX86180 EV System Internal Components

Latest Discussions

Recently Viewed