MAX25169

RECOMMENDED FOR NEW DESIGNS

Automotive, I2C-Controlled, 6-Channel, 150mA Backlight Driver and 4-Output TFT-LCD Bias with ASIL B Features

Viewing:

Overview

  • 4-Output TFT-LCD Bias Power
    • 2.65V to 5.5V Input for the TFT-LCD Section
    • Integrated 420kHz or 2.1MHz Boost and Buck-Boost Converters
    • Positive and Negative 15mA Gate Voltage Regulators with Adjustable Output Voltage (Tripler/Inverting Doubler)
    • Flexible Sequencing
    • Undervoltage Detection on All Outputs
    • Low-Quiescent-Current Standby Mode
  • 6-Channel, 36V LED Backlight Driver
    • NGATE Control for External nMOSFET Series Switch
    • Programmable nMOSFET Current Limit
    • Up to 150mA Current per Channel
    • 4.5V to 36V Input Voltage Range, 3V Operation after Startup
    • Integrated Boost/SEPIC Controller (400kHz to 2.2MHz with Synchronization)
    • Dimming Ratio 16,667:1 at 200Hz
    • Adaptive Voltage Optimization to Reduce Power Dissipation in the LED Current Sinks
    • Open-String, Shorted-LED, and Short-to-GND Diagnostics
  • Low EMI
    • Phase-Shift Dimming of LED Strings
    • Spread Spectrum on LED Driver and TFT Outputs
    • Selectable Switching Frequency
  • I2C Interface for Control and Diagnostics
    • Fault Indication through the FLTB Pin and I2C
    • Nonvolatile Configuration Memory
  • Overload and Thermal Protection
  • ASIL B Compliant
  • -40°C to +125°C Ambient Temperature Operation
  • 7mm x 7mm, 48-Pin TQFN Package with Exposed Pad
  • AEC-Q100 Grade 1

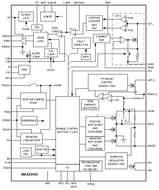
The MAX25169 is a highly integrated TFT power supply and LED backlight driver IC for automotive TFT-LCD applications. This IC integrates one boost converter, one inverting buck-boost converter, two gate-driver supplies, and a boost/SEPIC controller that can power 1 to 6 strings of LEDs in the display backlight.

The source-driver power supplies consist of a boost converter which can provide up to +18V in unipolar mode and an inverting buck-boost converter that can generate a voltage down to -10.5V. The AVDD output can deliver up to 300mA at 13.5V while NAVDD can provide up to 200mA. The positive source-driver supply-regulation voltage (VAVDD) is set using internal NV memory or through I2C. The negative source-driver supply voltage (VNAVDD) is always tightly regulated to -VAVDD. The source-driver supplies operate from an input voltage between 2.65V and 5.5V.

The gate-driver power supplies consist of regulated charge pumps that generate up to +31.5V and down to -18V and can deliver up to 15mA each.

The IC features a 6-string LED driver with input switch control (NGATE) that can power up to 6 strings of LEDs with 150mA (max) of current per string.

Logic-controlled and I2C-controlled pulse-width modulation (PWM) dimming are included, with minimum pulse widths as low as 300ns and the option of phase shifting the LED strings with respect to one another. When phase shifting is enabled, each string is turned on at a different time, reducing the input and output ripple, as well as audible noise. With phase shifting disabled, the current sinks turn on simultaneously and parallel connection of current sinks is possible.

The startup and shutdown sequences for all power domains are controlled using one of the eight preset modes, which are selectable using internal nonvolatile memory or through the I2C interface.

The MAX25169 is available in a 7mm x 7mm, 48-pin TQFN package with an exposed pad, and operates over the -40°C to +125°C ambient temperature range.

MAX25169
Automotive, I2C-Controlled, 6-Channel, 150mA Backlight Driver and 4-Output TFT-LCD Bias with ASIL B Features
MAX25169 Block Diagram MAX25169 Typical Application Circuit MAX25169 Pin Configuration
Add to myAnalog

Add product to the Products section of myAnalog (to receive notifications), to an existing project or to a new project.

Create New Project
Ask a Question

Documentation

Learn More
Add to myAnalog

Add media to the Resources section of myAnalog, to an existing project or to a new project.

Create New Project

Software Resources

Can't find the software or driver you need?

Request a Driver/Software

Tools & Simulations

Software Development 1


Evaluation Kits

eval board
MAX25169EVKIT

Evaluation Kit for MAX25069 and MAX25169

Features and Benefits

  • Demonstrates Robustness of MAX25069 or MAX25169 ASIL Version
  • 2.65V to 5.5V Input Range for TFT-LCD Power Section
  • Wide 4.5V to 36V Input Range for LED Driver Section
  • Selectable Switching Frequency (2.1MHz or 420kHz)with Spread-Spectrum Option on TFT Power Section.
  • 2.2MHz or 400kHz Resistor-Programmable Switching Frequency with Spread-Spectrum Option on LED Driver Section with Six 150mA LED drivers.
  • Synchronization input for 400kHz to 2.2MHz Switching Frequency
  • Default Output Voltages (Stand-Alone Mode)
    • 6.8V Output at 200mA (Boost Converter)
    • -6.8V Output at -200mA (Inverting Regulator)
    • 12.8V Output at 15mA (Positive-Charge Pump Regulator)
    • -9.5V Output at 15mA (Negative-Charge Pump Regulator)
  • On-Board Programmability for Other Values in the Available Set.
  • Phase-Shift Dimming Option
  • Demonstrates Cycle-by-Cycle Current Limit and Thermal-Shutdown Features
  • Demonstrates Wide Dimming Ratio
  • Demonstrates Hybrid Dimming for Better EMI and Acoustic Performance and Higher Dimming Ratio
  • Demonstrates Fade In/Out for Smooth Brightness Transition
  • Designed to Show Thermal Foldback Function
  • I2C Programmability
  • Dedicated GUI
  • Full Sequencing Flexibility
  • Proven PCB Layout
  • Fully Assembled and Tested
  • Product Details

    The MAX25169 evaluation kit (EV kit) demonstrates the MAX25069/MAX25169 IC, which is a highly integrated power supply plus LED backlight driver for automotive TFT-LCD applications. The EV kit is a fully assembled and tested surface-mount PCB that provides a complete power-management solution for automotive displays. The EV kit demonstrates one current-mode boost converter with sequencing switch (HVINP–AVDD), one current mode inverting regulator (NAVDD), positive and negative gate-voltage controllers (VGON), and (VGOFF), and a boost converter that powers a six-string LED driver.

    The EV kit can be configured to operate in a stand-alone mode or an I2C mode.

    The TFT-LCD Power Section of the EV kit operates from a 2.65V to 5.5V DC supply voltage. The BOOST regulator (HVINP) is configured in bipolar Mode from 4.9V to 10.5V or in unipolar Mode from 11.7V to 18V output that provides up to 300mA. The inverting regulator (NAVDD) generates a negative output that tracks the voltage of the boost converter and provides up to 200mA. The gate-driver power supplies consist of regulated charge pumps that generate in Bipolar Mode from 8.4V to 21V or in Unipolar Mode from 12.6V to 31.5V (VGON), and (VGOFF) from -4V to -18V. They can deliver up to 15mA each, depending on the AVDD setting.

    The HB LED Driver Section demonstrates a step-up DC-DC pre-regulator followed by six channels of linear current sinks. The step-up pre-regulator switches at 2.2MHz or 400kHz and operates as a current-mode controlled regulator capable of providing up to 900mA for the current sinks. Each LED channel can operate up to 36V and provides up to 150mA.

    The LED driver portion of the EV kit operates from a DC supply voltage of 3V up to the High-Brightness (HB) LED string-forward voltage. The EV kit also demonstrates the IC’s other features, such as adjustable output voltage, extensive diagnostics to aid in fulfilling ASIL-B safety level, thermal shutdown, phase-shifted pulse-widthmodulation (PWM) dimming, etc.

    Dimming can be performed either externally using a PWM signal applied to the DIM pad or internally by programming the desired dimming frequency and individual duty cycle through I2C. The hybrid dimming feature can be enabled through a register bit to reduce EMI.

    The EV kit provides an I2C interface that can operate in conjunction with the PICO BOARD MAX32625 or a thirdparty I2C master such as a general-purpose microcontroller.

    The EV kit also includes Windows®-compatible software that provides a simple graphical user interface (GUI) for exercising the features of the IC.

    MAX25169EVKIT
    Evaluation Kit for MAX25069 and MAX25169
    MAX25169EVKIT Angle MAX25169EVKIT Top MAX25169EVKIT Bottom

    Latest Discussions

    Recently Viewed