LTC3538

RECOMMENDED FOR NEW DESIGNS

800mA Synchronous Buck-Boost DC/DC Converter

Viewing:

Overview

  • Regulated Output with Input Voltages Above, Below, or Equal to the Output
  • 800mA Continuous Output Current from a Single Lithium-Ion/Polymer Cell
  • Single Inductor
  • 1.8V to 5.25V VOUT Range
  • 2.4V to 5.5V VIN Range
  • 1MHz Fixed Frequency Operation
  • Output Disconnect in Shutdown
  • 2.4V to 5.5V Input
  • 35µA Quiesecent Current in Burst Mode Operation
  • <5µA Shutdown Current
  • Internal Soft-Start
  • Small, Thermally Enhanced 8-Lead (2mm x 3mm) DFN package

The LTC3538 is a highly efficient, low noise, buck-boost DC/DC converter that operates from input voltages above, below, and equal to the output voltage. The topology incorporated in the IC provides a continuous transfer function through all operating modes, making the product ideal for single Lithium Ion or multicell Alkaline or NiMH applications where the output voltage is within the battery voltage range.

The LTC3538 is suited for use in Micro Hard Disk Drive (µHDD) applications with its 800mA current capability. Burst Mode® operation provides high efficiency at light loads.

The LTC3538 includes two 0.17Ω N-channel and two 0.2Ω P-channel MOSFET switches. Operating frequency is internally set to 1MHz to minimize solution footprint while maximizing efficiency.

Other features include <5µA shutdown current, internal soft-start, short circuit protection and thermal shutdown. The LTC3538 is available in a low profile (0.75mm), thermally enhanced 8-lead (2mm x 3mm) DFN package.

Applications

  • Miniature Hard Disk Drives
  • MP3 Players
  • Digital Cameras
  • Cellular Handsets
  • PDAs, Handheld PC
  • GPS Receivers

LTC3538
800mA Synchronous Buck-Boost DC/DC Converter
Li-Ion/Polymer to 3.3V at 800mA Efficiency vs VIN Product Package 1
Add to myAnalog

Add product to the Products section of myAnalog (to receive notifications), to an existing project or to a new project.

Create New Project
Ask a Question

Documentation

Data Sheet 1

Reliability Data 1

User Guide 1

Data Sheet

This is the most up-to-date revision of the Data Sheet.

Learn More
Add to myAnalog

Add media to the Resources section of myAnalog, to an existing project or to a new project.

Create New Project

Software Resources

Can't find the software or driver you need?

Request a Driver/Software

Tools & Simulations

LTspice


Models for the following parts are available in LTspice:

  • LTC3538
LTspice

LTspice® is a powerful, fast and free simulation software, schematic capture and waveform viewer with enhancements and models for improving the simulation of analog circuits.


Evaluation Kits

eval board
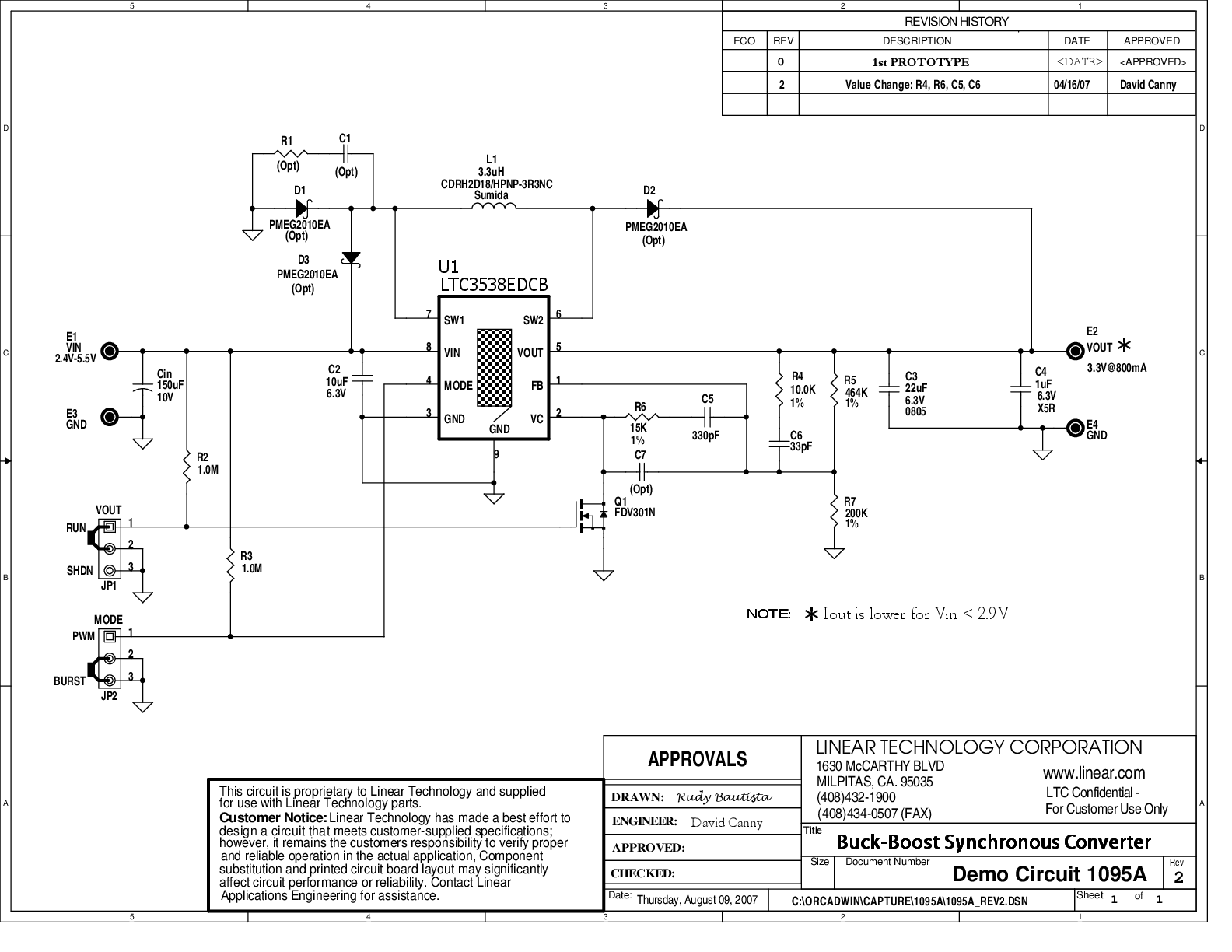
DC1095A

LTC3538EDCB Demo Board | Buck-Boost, 2.4V ≤ VIN ≤ 5.5V, VOUT = 3.3V @ 0.8A

Product Details

Demonstration circuit DC1095 is a micropower synchronous buck-boost converter based on the LTC3538 monolithic buck-boost regulator. The DC1095 has an input voltage range of 2.4V to 5.5V and an output of 3.3V @ 800mA.



DC1095A
LTC3538EDCB Demo Board | Buck-Boost, 2.4V ≤ VIN ≤ 5.5V, VOUT = 3.3V @ 0.8A
DC1095A - Schematic

Latest Discussions

Recently Viewed