ADPL42001

RECOMMENDED FOR NEW DESIGNS

4V to 20V, 100mA, Ultra-Low Quiescent Current, Linear Regulator

Viewing:

Overview

  • Easy to Use 
    • Only 4 External Components Required 
    • Stable with Tiny 4.7μF, 0805 Output Capacitor
    • All Ceramic Capacitors, Compact Layout
  • Reduces Number of Linear Regulators to Stock
    • Wide 4V to 20V Input Voltage Range
    • Adjustable 0.6V to 18V Output
    • Up to 100mA Load Current Capability
  • Operates Reliably in Adverse Industrial Environments
    • Built-In Output Voltage Monitoring with PGOOD Pin
    • High-Voltage ENABLE Input
    • Low 8μA Quiescent Current
    • Low Dropout Voltage of 560mV at 100mA
    • Overload Protection
    • Overtemperature Protection
    • Wide -40°C to +125°C Ambient Operating Temperature Range/-40°C to +150°C Junction Temperature Range

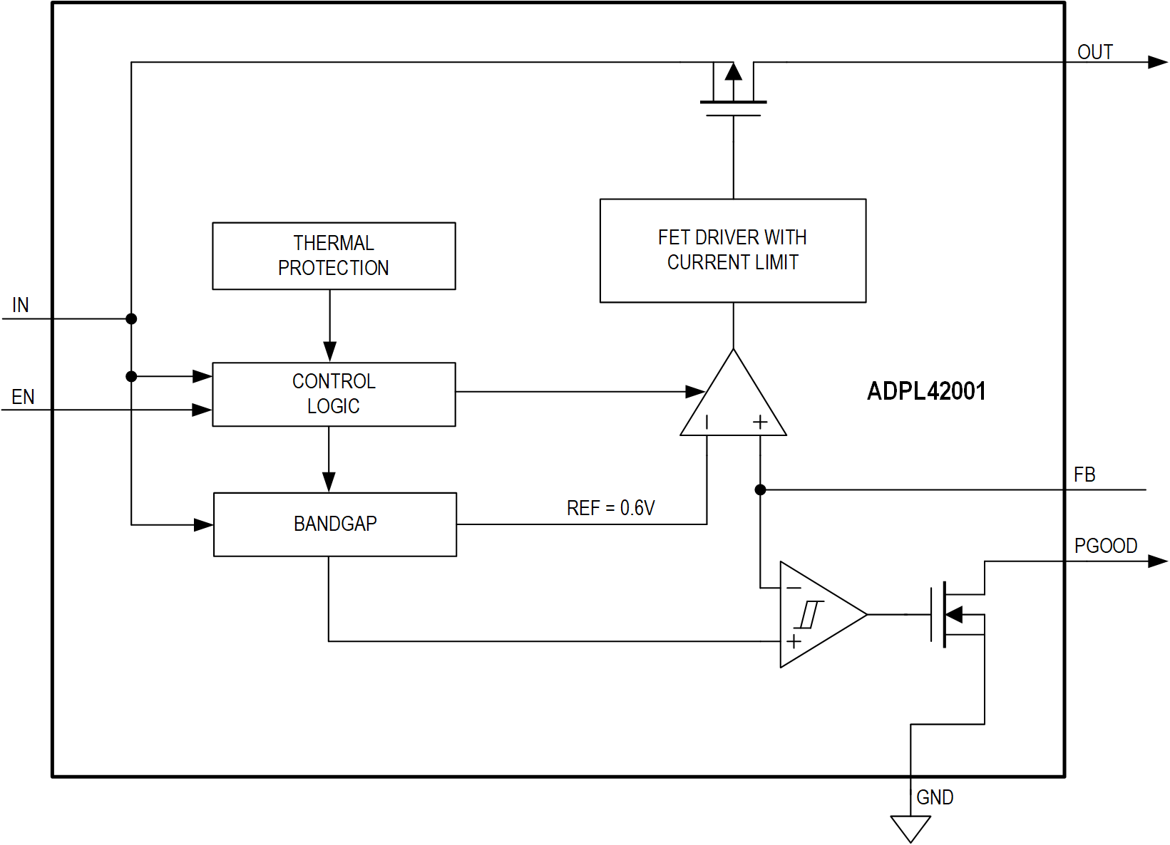
The ADPL42001 ultra-low quiescent current, highvoltage linear regulator is ideal for use in industrial and battery-operated systems. The device operates from a 4V to 20V input voltage, delivers up to 100mA of load current, and consumes only 8μA of quiescent current at no load. The device consumes only 0.9μA current when in shutdown. Output voltage is adjustable in the 0.6V to 18V voltage range. Feedback voltage accuracy is ±2% over temperature.

An open-drain PGOOD pin provides a power-good signal to the system, achieving successful regulation of the output voltage. The device also incorporates an enable pin (EN) that allows the user to turn the part on or off. The device has a thermal shutdown feature that shuts down the part when the die temperature exceeds 165°C. The ADPL42001 operates over the -40°C to +125°C industrial temperature range and is available in a 6-lead, compact TSOT and a 6-pin (3mm x 3mm) TDFN packages.

APPLICATIONS

  • Battery-Powered Equipment
  • Post Regulator for Switching Power Supplies
  • Body Electronics and Lighting

ADPL42001
4V to 20V, 100mA, Ultra-Low Quiescent Current, Linear Regulator
ADPL42001 Typical Application Circuit ADPL42001 Functional Diagram ADPL42001 Pin Configuration ADPL42001 Chip ADPL42001 Chip
Add to myAnalog

Add product to the Products section of myAnalog (to receive notifications), to an existing project or to a new project.

Create New Project
Ask a Question

Documentation

Learn More
Add to myAnalog

Add media to the Resources section of myAnalog, to an existing project or to a new project.

Create New Project

Software Resources

Can't find the software or driver you need?

Request a Driver/Software

Evaluation Kits

eval board
EVAL-ADPL42001

Evaluation Kit for ADPL42001

Features and Benefits

  • Wide 4V to 20V Input Voltage Range
  • Jumper Configurable 12V, 5V, and 3.3V Outputs
  • Up to 100mA Load Current Capability
  • 8μA No-Load Supply Current
  • Active-High, Enable Input
  • PGOOD Output for Regulator Output Voltage Monitoring
  • Overload Protection
  • Overtemperature Protection
  • Proven PCB Layout
  • Fully Assembled and Tested

Product Details

The ADPL42001 evaluation kit (EV kit) is a fully assembled and tested circuit board that demonstrates the performance of the ADPL42001 high-voltage, ultra-low quiescent current linear regulator. The EV kit operates over a wide input voltage range of 4V to 20V and provides up to 100mA load current. It draws only 8μA supply current under no-load conditions. The device is simple to use and easily configurable with minimal external components. It features overload current protection and thermal shutdown.

The EV kit consists of two circuits: one circuit is installed with the ADPL42001AZT+ in a 6-pin, compact TSOT package. The second circuit is installed with the ADPL42001ATT+ in a 6-pin, (3mm x 3mm) TDFN package.

EVAL-ADPL42001
Evaluation Kit for ADPL42001
EVAL-ADPL42001 Board Photo Angle View EVAL-ADPL42001 Board Photo Top View EVAL-ADPL42001 Board Photo Bottom View

Latest Discussions

No discussions on ADPL42001 yet. Have something to say?

Start a Discussion on EngineerZone®

Recently Viewed