ADM485
PRODUCTION5 V, Low Power, 5 Mbps, Half Duplex EIA RS-485 Transceiver
- Part Models
- 10
- 1ku List Price
- Starting From $1.18
Overview
- Meets EIA RS-485 Standard
- 5 Mbps Data Rate
- Single 5 V Supply
- –7 V to +12 V Bus Common-Mode Range
- High Speed, Low Power BiCMOS
- Thermal Shutdown Protection
- Short-Circuit Protection
- Driver Propagation Delay: 10 ns
- Receiver Propagation Delay: 15 ns
- High Z Outputs with Power Off
- Superior Upgrade for LTC485
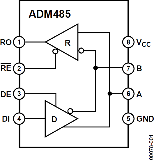
The ADM485 is a differential line transceiver suitable for high speed bidirectional data communication on multipoint bus transmission lines. It is designed for balanced data transmission and complies with both EIA Standards RS-485 and RS-422. The part contains a differential line driver and a differential line receiver. Both the driver and the receiver may be enabled independently. When disabled, the outputs are tristated.
The ADM485 operates from a single +5 V power supply. Excessive power dissipation caused by bus contention or by output shorting is prevented by a thermal shutdown circuit. This feature forces the driver output into a high impedance state if during fault conditions a significant temperature increase is detected in the internal driver circuitry.
Up to 32 transceivers may be connected simultaneously on a bus, but only one driver should be enabled at any time. It is important, therefore, that the remaining disabled drivers do not load the bus. To ensure this, the ADM485 driver features high output impedance when disabled and also when powered down.
This minimizes the loading effect when the transceiver is not being utilized. The high impedance driver output is maintained over the entire common-mode voltage range form -7V to +12 V.
The receiver contains a fail safe feature which results in a logic high output state if the inputs are unconnected (floating).
The ADM485 is fabricated on BiCMOS, an advanced mixed technology process combining low power CMOS with fast switching bipolar technology. All inputs and outputs contain protection against EDS; all diver outputs feature high source and sink current capability. An epitaxial layer is used to guard against latch-up.
The ADM485 features extremely fast switching speeds. Minimal driver propagation delays permit transmission at data rates up to 5 Mbits/s while low skew minimizes EMI interference.
The part is fully specified over the commercial and industrial temperature range and is available in an 8-pin DIL/SOIC packages.
Documentation
Data Sheet 1
Application Note 2
Informational 1
Video 1
3rd Party Solutions 1
Analog Dialogue 2
Webcast 2
ADI has always placed the highest emphasis on delivering products that meet the maximum levels of quality and reliability. We achieve this by incorporating quality and reliability checks in every scope of product and process design, and in the manufacturing process as well. "Zero defects" for shipped products is always our goal. View our quality and reliability program and certifications for more information.
| Part Model | Pin/Package Drawing | Documentation | CAD Symbols, Footprints, and 3D Models |
|---|---|---|---|
| ADM485ANZ | 8-Lead PDIP | ||
| ADM485ARMZ | 8-Lead MSOP | ||
| ADM485ARMZ-REEL | 8-Lead MSOP | ||
| ADM485ARMZ-REEL7 | 8-Lead MSOP | ||
| ADM485ARZ | 8-Lead SOIC | ||
| ADM485ARZ-REEL | 8-Lead SOIC | ||
| ADM485JNZ | 8-Lead PDIP | ||
| ADM485JRZ | 8-Lead SOIC | ||
| ADM485JRZ-REEL | 8-Lead SOIC | ||
| ADM485JRZ-REEL7 | 8-Lead SOIC |
| Part Models | Product Lifecycle | PCN |
|---|---|---|
|
Apr 28, 2014 - 14_0130 Notification of Qualification of Alternate fab foundry for RS-485 Transceiver die at ADI, Limerick, Ireland |
||
| ADM485ANZ | ||
| ADM485ARMZ | PRODUCTION | |
| ADM485ARMZ-REEL | PRODUCTION | |
| ADM485ARMZ-REEL7 | PRODUCTION | |
| ADM485ARZ | PRODUCTION | |
| ADM485ARZ-REEL | PRODUCTION | |
| ADM485JNZ | PRODUCTION | |
| ADM485JRZ | PRODUCTION | |
| ADM485JRZ-REEL | PRODUCTION | |
| ADM485JRZ-REEL7 | PRODUCTION | |
|
Aug 19, 2009 - 07_0024 Package Material Changes for SOT23, MiniSO, MQFP, PDIP, PLCC, SOIC (narrow and wide body), SSOP, TSSOP and TSSOP exposed pad |
||
| ADM485ANZ | ||
| ADM485JNZ | PRODUCTION | |
|
Jan 26, 2016 - 15_0176 Assembly Transfer of Select 8/10L MSOP Products to Amkor Philippines |
||
| ADM485ARMZ | PRODUCTION | |
| ADM485ARMZ-REEL | PRODUCTION | |
| ADM485ARMZ-REEL7 | PRODUCTION | |
|
May 15, 2012 - 10_0006 Halogen Free Material Change for mini SOIC Products |
||
| ADM485ARMZ | PRODUCTION | |
| ADM485ARMZ-REEL | PRODUCTION | |
| ADM485ARMZ-REEL7 | PRODUCTION | |
|
Feb 3, 2010 - 09_0256 Jiangsu Changjiang Electronics Technology Co. Ltd. (JCET), China as additional assembly and test sub-contractor for Narrow Body SOIC. |
||
| ADM485ARZ | PRODUCTION | |
| ADM485ARZ-REEL | PRODUCTION | |
| ADM485JRZ | PRODUCTION | |
| ADM485JRZ-REEL | PRODUCTION | |
| ADM485JRZ-REEL7 | PRODUCTION | |
|
Jan 13, 2010 - 07_0090 Certification of STATSChipPAC China (SCC) as an additional Test facility for ADI |
||
| ADM485ARZ | PRODUCTION | |
| ADM485ARZ-REEL | PRODUCTION | |
| ADM485JRZ | PRODUCTION | |
| ADM485JRZ-REEL | PRODUCTION | |
| ADM485JRZ-REEL7 | PRODUCTION | |
This is the most up-to-date revision of the Data Sheet.