Overview
Product Details
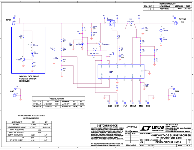
DC1935A-B: Demo Board for the LT4363 High Voltage Surge Stopper with Current Limit.
Markets and Technologies
Applicable Parts
Documentation & Resources
- 
                                                                
                                                                    
                                                                                                                                            DC1935A - Schematic4/24/2012PDF53K
- 
                                                                
                                                                    
                                                                                                                                            DC1935A - Demo Manual4/24/2012PDF393K
- 
                                                                
                                                                    
                                                                                                                                            DC1935A - Design Files4/24/2012ZIP812K
 
                             
                         
                         
                                                 
                                                 
                                                 
                                                 
                                                



