The Industrial Automation Power Dilemma: Part 1 - Industrial Control Architecture
Read other articles in this series.
摘要
Growing challenges are placed on the designers of industrial automation systems. Rack mounting such equipment causes increased size and thermal constraints. Sensitive electronics require tightly regulated voltages in the harsh industrial environment, and customers demand increased performance and functionality. In part 1 of this two-part series, we examine the conflicting demands placed on industrial power supplies and the trade-off associated with common solutions.
A similar article appears on Power Electronics, January 21, 2014.
Introduction
Industrial-automation system design presents unique challenges. This is, in fact, the story of conflicting demands. The introduction of low-cost modular racks to house system components such as programmable logic controllers (PLCs) and I/O modules places severe space and thermal restraints on the engineer and the solution. Such challenges are compounded by the need to ensure highly reliable operation in harsh environments subject to dirt, humidity, and vibration.
Customers, moreover, expect enhanced functionality in subsequent generations of automation systems, and all without an associated increase in power consumption, equipment size, heat generation, and cost. That enhanced functionality is typically underpinned by advances in electronics technology, but often comes at a cost: tighter power tolerances and proliferation of voltage levels that must be kept stable while being derived from a less-than-perfect mains supply.
And yet, the engineer does not want to spend valuable project time designing a power supply that goes unnoticed by the customer and is often considered as wasting valuable real estate. Instead, the engineer prefers to focus on the things that clearly differentiate his automation system from the competition.
Semiconductor vendors have responded to the industrial-automation system designer's conflicting demands by introducing modules that integrate many of the key functions of a power supply in a single device. However, modules designed to operate from the 12, 24, or 48VDC supply used by industrial automation systems must either be protected by voltage clamps or use asynchronous switching technology to withstand the voltage spikes that plague the mains power source. Both solutions result in larger, more expensive and less efficient power systems—precisely what the system engineer is trying to avoid.
This application note is Part 1 of our two-part series on regulators for industrial control. Here we discuss the industrial control architecture, and the power architecture that makes it unique, a design challenge. In our Part 2 of this series we will discuss the new generation of power devices that take advantage of the latest silicon manufacturing techniques allied to innovative chip design.
Industrial Control Architecture
While 24VDC has become the de facto voltage for the majority of industrial-control applications (particularly those that employ PLCs), 12VDC is also common, typically as a battery-backup voltage or supplied by an alternative energy source such as photovoltaic (PV) panels. The recent introduction of Power-over-Ethernet (PoE) has also encouraged manufacturers of industrial automation to design equipment that operates from the 48VDC supply mandated by that standard. A typical industrial-control system employing a 24VDC supply is shown in Figure 1.

Figure 1. Typical industrial-control system
The system comprises I/O modules for receiving information from sensors or sending instructions to actuators, multichannel digital inputs, multichannel analog inputs and outputs, communications functions, and a processor (CPU) linked by a digital bus. A PLC typically provides the computing muscle. Electrical power is supplied from the mains, stepped down to 24VDC, and distributed via a backplane.
A closer look at the system's power supply reveals greater complexity dictated by the different voltage and current levels demanded by the various system elements. Figure 2 illustrates a small part of the power architecture. The 120VAC/230VAC mains supply is initially stepped down to the standard 12VDC or 24VDC system backplane supply using an industrial power module. At the system level this backplane voltage is then further stepped down to the lower voltage levels demanded by the individual components.

Figure 2. Part of the power architecture for an industrial automation system.
The PLC, for example, could comprise a microprocessor, digital signal processor (DSP), and field-programmable gate array (FPGA). These devices require voltages ranging from 5V down to 1V. Yet the PLC as a whole may require up to 3.5A of current. Similarly, a multichannel analog I/O module requires both ±15V and 5V supplies for its various amplifiers, analog-to-digital converters (ADCs), and multiplexers (MUXes) with current up to 500mA.
To make things just a little more complicated, the designer needs to take into account transient voltage spikes ("overvoltages") that affect the mains supply through events such as lighting strikes on the distribution network, or by rapid switching of heavy loads that share the same mains circuit as the industrial automation system. Voltage spikes can also occur within the power-supply architecture itself, for example, when the power module steps down the mains voltage to 12VDC or 24VDC, particularly if a switch-mode type device is used.
These overvoltage occurrences are so common that organizations such as the International Electrochemical Commission (IEC) advise engineers to design their systems to withstand them. For example, IEC 60664, which deals with insulation coordination in low-voltage (1kVAC and 1.5kVDC) systems, notes that "Category-II" equipment (which includes the type of equipment used for industrial automation) powered from a mains-derived 24VDC supply should be designed to withstand overvoltages up to 60V.
Fundamentals of DC-DC Voltage Regulation
DC-DC voltage conversion (or "regulation") is big business and semiconductor vendors have invested large sums to develop a wide range of products for all applications. Devices break down into two groups: low-dropout voltage regulators (LDOs), also known as linear regulators; and switching voltage regulators.
When carefully matched to the operational characteristics of the application, switching regulators are generally more efficient across a wide input-voltage range compared to LDOs. Moreover, switching regulators can step up ("boost"), step down ("buck"), and invert voltages with ease. (Note that voltage inversion is required for some parts of an industrial-automation system's power supply.) In contrast, LDOs can only buck voltages.
There is one drawback of switching regulators compared to simple-to-use LDOs: the regulators have a more complicated design. This happens because output filtering is needed to attenuate voltage and current ripples generated by the high-frequency switching operation. This will present problems for sensitive chips and it generates electromagnetic interference (EMI). Nonetheless, engineers designing many contemporary applications increasingly favor switching regulators.
The key to the operation of a switching regulator is the use of a metal-oxide semiconductor field-effect transistor (MOSFET) as the switching device. When the MOSFET is on, current flows both to the load and to an external inductor that stores the energy. When the MOSFET switches off, the inductor supplies its stored energy to the load.
Pulse-width modulation (PWM) is generally used to control the output voltage. The frequency is held constant and the pulse width ("on-time") is adjusted to deliver the required voltage. The high-frequency switching of the voltage regulator limits losses in the system while maintaining a relatively steady voltage output over a range of inputs and loads.
In an asynchronous topology switching regulator (Figure 3), the energy stored in the inductor and then delivered to the load during the MOSFET's off-cycle does not flow directly to the load. Instead it travels via an external Schottky diode. Provided that the inductor is selected according to the anticipated load, the switching regulator will operate in a continuous conduction mode, thus supplying a steady, regulated voltage.

Figure 3. An asynchronous buck regulator circuit
The ultimate efficiency of this type of switching regulator is primarily determined by two factors: the external Schottky diode's forward voltage drop, and the device's reverse-leakage current characteristics. The forward voltage drop has approached a limit of around 0.3V in modern devices. That does not sound like much, but it does cause a constant drain on the device and reduces efficiency.
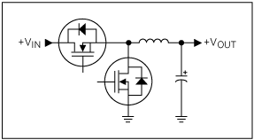
Replacing the Schottky diode with a MOSFET improves efficiency because the on-resistance (RON) of the transistor can be lowered using advanced manufacturing techniques that make its forward voltage (and hence losses) lower than the original diode. The operation of the two MOSFETs in this circuit must be synchronized such that one is on while the other is off. (See Figure 4.)

Figure 4. Synchronous buck regulator circuit.
The second MOSFET of a so-called synchronous regulator can be integrated into the module. In addition to eliminating the external Schottky diode, this eases circuit design and reduces the Bill-of-Materials (BOM).
One side effect of the synchronous regulator's design is that current flows in both directions in the inductor due to the switching operation of the two MOSFETs (i.e., doubling the inductor's losses). This is compared to the single direction of flow in the asynchronous type. The losses are typically small in a synchronous regulator, but can become more significant at lower loads where the device's efficiency could be lower than an equivalent asynchronous type.
Major semiconductor vendors have addressed this drawback using a number of technologies. Analog Devices, for example, has introduced a range of high-voltage synchronous voltage regulators, like the MAX17503, with a MODE feature that can be used to operate the device(s) in three selectable modes of operation: PWM, pulse-frequency modulation (PFM), and discontinuous-conduction mode (DCM). PWM is used for normal operation. PFM improves efficiency at lower loads by eliminating reverse inductor current and skipping pulses. DCM also eliminates reverse inductor current for better efficiency at lower loads, but does not skip pulses. This makes DCM suitable for frequency-sensitive applications.
Summary
High-voltage, high-output-current synchronous voltage regulators meet the industrial automation need for compact, efficient, and easy-to-design-in power modules. There are several factors that contribute to the industrial power dilemma, but a high-voltage synchronous regulator architecture that satisfies all the demands is now available. Although the current selection of suitable components is limited, the range continues to expand to cover all of the DC-DC voltage conversion requirements of a typical system across power outputs from a few hundred milliamps up to several Amps. In Part 2, we will discuss how new innovations in synchronous regulators help with the power dilemma.