摘要
该应用笔记讨论如何利用MAX2016 RF检测器实现超外差收发器的增益自动测量。本文比较了三种方案的性能和测量精度:增益测量和校准,具有失调修正的增益测量和具有失调、斜率修正的增益测量。
概述
作为一个双路RF功率检测器,MAX2016可以测量RF电路或复杂的超外差收发阵列的增益测量。该器件的一个关键特性是包含一个比较器,可以计算出两个功率电平的差值。即通过该电路可以很容易地实现简单的增益计算:增益 = POUTPUT - PINPUT = POUTA - POUTB = POUTD。但是,需要保证满足测量精度的要求。
根据应用情况,可能需要进行一次校准,以消除线路和耦合损耗以及器件之间的差异。以下概括了几种RF增益测量的基本校准方法,并提供了两个常见实例。第一个例子详细描述了超外差收发器的增益测量,第二个例子说明如何在工厂自动测试设备(ATE)中利用经过校准的MAX2016取代速度低、价格昂贵的功率计。在自动测试设备(ATE)中,我们比较了校准和没有校准情况下的测量精度。两个例子都说明测量设备中校准过程的重要性。
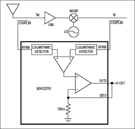
典型的RF收发器增益测量
由于MAX2016功率检测器可以工作在直流到2.5GHz频率范围内,所以,该器件可以很容易地配置用于测量单个增益模块(图1a)或整个超外差收发阵列的增益(图1b)。

图1a. 单个RF增益模块的增益测量。

图1b. 超外差接收机的增益测量。
上述配置中,测量的不确定因素都会影响增益测量的精度,绝对增益测量会受线路差异、耦合器损耗以及MAX2016器件之间差异的影响。尽管MAX2016集成了两路完全相同的对数检测器,但是斜率和截取点的微小差异会导致差分输出误差。
补偿这些差异的简单方法是在出厂测试时进行斜率和截取点的一次校准。图2是超外差接收机的测试配置框图。如图所示,将一个功率电平已知的RF信号送入接收器前端。然后,利用一个外部功率检测器测量下变频转换后的接收功率。如果下变频信号不容易采样,可以利用收发器的板上高速模数转换器ADC近似表示接收功率。由于大多数接收器使用某种可变增益放大器/可变电压放大器(VGA/VVA)提高其动态范围,所以在测试中和随后的斜率测量、增益-VOUTD响应截取点的测量中,可以改变接收器的增益。把斜率和响应截取点存储到收发器的非易失存储器(NVM)中,可以将随后测量的VOUTD 映射为绝对增益值。也可以将多个VOUTD和增益值组成的矩阵存储到非易失性存储器(NVM)中,提高精度。利用内插算法可以计算任意VOUTD测量值对应的增益。图3说明了这两种可选方案。

图2. 出厂增益校准设备—所测试的接收器。

图3. 超外差接收器的增益校准图解。
MAX2016的两个内部对数检测器在整个温度范围内保持较好的一致性,计算收发器的绝对增益时无需进行温漂补偿。如果需要更高精度,也可以测量典型的温度漂移,并将其存储到非易失存储器(NVM)中。通过测量当前的工作温度,在温度端点之间进行插值计算,增益-VOUTD算法可以加入对温度漂移的考虑。
用MAX2016代替自动测试设备(ATE)中的两个功率计
如上所述,测量被测件(DUT)增益最简单的方法是以dBm为单位,直接测量它的输入功率和输出功率,然后,用输出功率减去输入功率就可得到增益。传统方案中,使用功率计测量宽带功率是得到精确测量结果的唯一方法。但是,功率计的测量速度很低,无法满足快速测量生产环境的要求。而MAX2016的双路对数检测器具有相当短的响应时间(~100ns),可以实现快速增益测量。如上所述,将被测件(DUT)的输入功率耦合到MAX2016的一个端口,同时将被测件(DUT)的输出功率耦合到MAX2016的第二个端口,就可实现简单的增益测量。VOUTD引脚输出正比于器件增益的直流电压(VOUTD_MEAS)。增益可根据下式计算:
增益(dB) = (VOUTD_OFFSET - VOUTD_MEAS) / VOUTD_SLOPE
使用MAX2016数据资料给出的未经校准的VOUTD_OFFSET和VOUTD_SLOPE典型值, 可以将该式简化为:增益(dB) = (1.0 - VOUTD_MEAS) / 0.025。详细信息请参考MAX2016数据资料。
虽然这个简单的表达式对于计算增益很有用,我们还是推荐采用校准过程来提高增益测量精度。通过执行多个校准步骤,可以得到不同程度的绝对精度。下文详细介绍了一种校准方法,这种方法需要测量VOUTD_OFFSET和VOUTD_SLOPE的精确值。根据不同的精度要求,用户可以选择执行一种或两种校准。本文对使用VOUTD_OFFSET校准和同时使用VOUTD_OFFSET、VOUTD_SLOPE校准得到的精度进行了比较(参见下文)。
通用测试装置
为了得到更精确的VOUTD_OFFSET,在MAX2016的两个输入端口输入同样的功率电平。VOUTD引脚的输出直流电压等于VOUTD_OFFSET。将一个经过校准的衰减器与MAX2016的一个输入端口串联,测量VOUTD,用户即可根据给定的VOUTD_OFFSET和衰减器损耗求解对应的VOUTD_SLOPE值。图4是测试装置框图。该增益测量/校准方案使用了一块MAX2016评估板。

图4. 实验室评估装置。
该评估方法使用固定功率衰减器校准VOUTD_SLOPE。但所得结果对其它增益器件同样适用。频率和精确的衰减量由MAX3654可变增益放大器(VGA)的测试要求决定,MAX3654是具有自动增益控制(AGC)的CATV互阻放大器,增益范围为0dB到20dB。在其它应用场合,可以根据要求选择不同的频率和衰减器。
校准VOUTD_OFFSET和VOUTD_SLOPE
首先使用URV5 RF功率计测量不同的衰减器。随后,在图4的A点进行测量,以准确表现真实的衰减量,包括电缆损耗。
接下来,在每个测试频率下分别测量VOUTD_OFFSET和VOUTD_SLOPE。
- 为了测量VOUTD_OFFSET,将衰减器旁路,在MAX2016的两个输入端口输入同样的信号电平。这样,VOUTD引脚的输出直流电压就是OUTD_OFFSET的校准值。.
- 为了测量VOUTD_SLOPE,串联一个经过校准的10dB衰减器,再次测量VOUTD引脚的输出直流电压(定义该值为VOUTD_MEAS)。给定VOUTD_OFFSET和VOUTD_MEAS,且已知衰减器的衰减量为10dB,可利用式1计算VOUTD_SLOPE。衰减器的衰减量代表式1中-10dB的增益。因为10dB是MAX3654增益范围的中间值,所以,我们选择了10dB衰减。表1列出了VOUTD_OFFSET和VOUTD_SLOPE的对应值。
| VOUTD_OFFSET (V) | VOUTD_SLOPE (mV/dB) | |
| At 50MHz | 1.044 | 27.8 |
| At 900MHz | 1.043 | 26.3 |
校准精度比较
分别使用六个独立的衰减器(1、2、8、10、12和20dB),在每个测试频率下分别测量VOUTD。这样通过计算就可以得到下面三种情况下测量的衰减值和对应精度:
- 无校准
- 只进行失调校准
- 进行失调和斜率校准
下面的表2至表6给出了测试结果。
| VOUTD (V) | CALIBRATED ATTENUATION (dB) |
MEASURED ATTENUATION (dB) |
MEASUREMENT ERROR (dB) |
| 1.022 | 0.9 | 0.9 | 0.0 |
| 0.993 | 2.0 | 0.3 | -1.7 |
| 0.827 | 7.9 | 6.9 | -1.0 |
| 0.763 | 10.1 | 9.5 | -0.6 |
| 0.713 | 11.9 | 11.5 | -0.4 |
| 0.481 | 20.2 | 19.2 | -1.0 |
| VOUTD (V) | CALIBRATED ATTENUATION (dB) |
MEASURED ATTENUATION (dB) |
MEASUREMENT ERROR (dB) |
| 1.022 | 0.9 | 0.9 | 0.0 |
| 0.993 | 2.0 | 2.0 | 0.0 |
| 0.827 | 7.9 | 8.7 | 0.8 |
| 0.763 | 10.1 | 11.2 | 1.1 |
| 0.713 | 12.0 | 13.2 | 1.2 |
| 0.481 | 20.2 | 22.5 | 2.3 |
| VOUTD (V) | CALIBRATEDB ATTENUATION (dB) |
MEASURED ATTENUATION (dB) |
MEASUREMENT ERROR (dB) |
| 1.022 | 0.9 | 0.8 | -0.1 |
| 0.993 | 2.0 | 1.9 | -0.1 |
| 0.827 | 7.9 | 7.8 | -0.1 |
| 0.763 | 10.1 | 10.1 | 0.0 |
| 0.713 | 12.0 | 12.0 | 0.0 |
| 0.481 | 20.2 | 20.2 | 0.0 |
| VOUTD (V) | CALIBRATED ATTENUATION (dB) |
MEASURED ATTENUATION (dB) |
MEASUREMENT ERROR (dB) |
| 1.021 | 0.9 | 0.9 | 0.0 |
| 0.994 | 2.0 | 2.0 | 0.0 |
| 0.834 | 7.9 | 8.4 | 0.5 |
| 0.774 | 10.1 | 10.8 | 0.7 |
| 0.720 | 12.0 | 12.9 | 0.9 |
| 0.509 | 20.2 | 21.4 | 1.2 |
| VOUTD (V) | CALIBRATED ATTENUATION (dB) |
MEASURED ATTENUATION (dB) |
MEASUREMENT ERROR (dB) |
| 1.021 | 0.9 | 0.9 | 0.0 |
| 0.994 | 2.0 | 1.9 | -0.1 |
| 0.834 | 7.9 | 8.0 | 0.1 |
| 0.774 | 10.1 | 10.1 | 0.0 |
| 0.720 | 12.0 | 12.1 | 0.1 |
| 0.509 | 20.2 | 20.3 | 0.1 |
MAX2016作为RF检测器的生产测试
观察上面所给出的数据我们可以得出以下结论。
首先,没有校准时,测量误差(表2)较大。如果自动增益放大器(VGA)MAX3654等器件在生产过程中采用未经校准的MAX2016测量增益,考虑到它所产生的较大误差,必须放宽自动增益放大器(VGA)的测试要求。因而,也就相应放宽了数据资料中的增益指标,从而失去了对设计者的吸引力。
其次,对于衰减值为0.9dB和2.0dB的衰减器,只进行失调校准时,误差是可以控制的(表3和表5)。这对于测量只有一个增益值的DUT非常有用,如果DUT电路板已经设计好,DUT输出端的衰减等于所期望的典型增益,那么,功率检测器端口的输入电平近似相等。假定增益指标的变化小于2dB,对于0.9dB和2.0dB的衰减器所得的精度表明,只需进行失调校准即可得到准确的测量结果。但是,随着衰减值的增大,测量精度会迅速下降。所以,在对MAX3654等存在很大增益偏差的VGA进行测量时,这种方法会存在问题。
表4和表6说明在测量变化范围较大的增益,同时校准失调和斜率能够得到精确的结果。为了进行校准,DUT必须能够在MAX2016的功率检测端口输入同样的信号电平,而且可以在经过校准的衰减器之间进行切换。
图5提供了一个MAX2016输入端RF开关的范例。测量DUT的增益时,将开关切换到位置A。进行失调校准时,将开关切换到位置B。进行斜率校准时,将开关切换到位置C。校准斜率时所使用的衰减值等于DUT增益的典型值。即使使用与斜率校准值相差很大的衰减值(10dB),所得误差仍然很小。数据表明假设增益-VOUTD曲线具有极小的非线性是正确的,建议只需使用斜率校准即可。

图5. MAX2016RF输入校准切换开关。