Synchronous, Phase Modulated, Full Bridge Converter Targets Isolated High Power Applications
Synchronous, Phase Modulated, Full Bridge Converter Targets Isolated High Power Applications
by
Kurk Mathews
2003-09-01
Introduction
In networking and telecom equipment, power supplies provide isolated low voltage outputs from the 48V input supply rail, with the added requirements of high efficiency (to reduce heat dissipation) and low component height. These requirements become even more difficult to meet with increased power levels, because of the corresponding component power dissipation and increased transformer size. Simple power supply topologies give way to more complex single and two-stage approaches that focus on transformer and semiconductor utilization.
One such approach, the phase modulated full bridge converter, is a popular choice for high power supplies. Unfortunately, until now, there has not been a controller that offers both the flexibility in timing control and features (such as synchronous rectifier outputs) to manage a variety of high power applications. The new LTC3722-1 current-mode controller is designed specifically with these issues in mind, providing a full-featured controller for high power, phase modulated, full bridge converters.
12V Isolated Converter
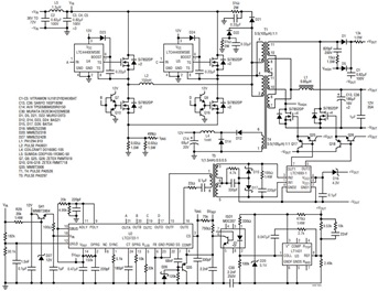
Figures 1 and 2 show a 36V–72V input to isolated 12V at 35A supply using the LTC3722EGN-1 (24-lead SSOP) and LTC4440 high side drivers. The low profile design features surface mount power MOSFETs and planar transformers (less than 0.4” high) configured in a parallel/series configuration. With a 48V input, this circuit has a typical full load (35A) efficiency of 93%. The PCB board shown in Figure 1 is 3"× 5", and with 200 linear feet per minute of airflow provides full load operation from 48V input to 50°C ambient without the use of a heat sink. The actual PCB area can be reduced further (depending on airflow and ambient temperature) when used as part of a large system board.

Figure 1. LTC3722-1 36–72V input to 12V/35A isolated power supply.

Figure 2. LTC3722-1 36–72V input to 12V/35A isolated synchronous full bridge power supply.
Even with 12V output, the synchronous rectifiers reduce the power dissipation in the secondary rectifiers. The output of 12V is chosen here because it is a good intermediate bus voltage, but the circuit is easily modified to meet other input or output voltages. For example, applications not requiring the full input voltage range or tight regulation could further optimize transformer and semiconductor utilization resulting in increased efficiency.
Operation
The start-up of the circuit in Figure 2 begins with C14 trickle charging via R29 and Q41's base-collector junction until U2’s VIN pin reaches 10.2V (the internal shunt regulator voltage). Assuming the undervoltage lockout pin (UVLO) is above a 5V threshold, switching begins. C14 keeps the U2’s VIN pin above its 6.0V shutdown threshold until a bias winding on T4 (along with D12, D14 and L4) takes over. U4 and U5 provide the level translation for the two high side switches. U2’s OUTE and OUTF pins provide synchronous timing signals to the output rectifiers gate drive transformer T5 and the LTC1693 gate driver. The loop is closed by U3, the LT1431 programmable reference, and optocoupler ISO1.
Operation of the phase modulated full bridge converter is similar to a conventional full bridge converter in that power is delivered when diagonal switches are on. It differs in that during the free-wheeling portion of the switching cycle, either the top or bottom switches of the bridge remain on. This provides for recovery of parasitic energy and zero-voltage turn-on transitions for the primary switches. The LTC3722-1 can be configured to provide adaptive (with programmable time-out) or fixed delay control for zero voltage switching operation. In adaptive DirectSense™ mode, the turn-on timing adjusts automatically by sensing the transition voltages on the bridge legs, eliminating external trims. This provides accurate zero voltage transition timing with changes in input voltage, output load and circuit parasitics. Fixed (or manual) delay control is also available, which allows for fixed transition delays or even custom dynamic timing schemes. The LTC3722-1 also features adjustable synchronous rectifier timing.
Conclusion
The new LTC3722-1 current-mode controller provides a wealth of features targeted at high power isolated full bridge applications, including flexible timing control, synchronous rectifier outputs, under-voltage lockout, programmable slope compensation and current mode leading edge blanking.