SOT-23 Micropower, Rail-to-Rail Op Amps Operate with Inputs above the Positive Supply
SOT-23 Micropower, Rail-to-Rail Op Amps Operate with Inputs above the Positive Supply
1999-11-01
Introduction
The only SOT-23 op amps featuring Over-The-Top™ operation—the ability to operate with either or both inputs above the positive rail—are the 55µA LT1782 and the 300µA LT1783. Over-The-Top operation is important in many current-sensing applications, where the inputs are required to operate at or above the supply. A wide supply voltage range, from 2.7V to 18V, gives the LT1782/LT1783 broad applicability. The guaranteed offset voltage of 950µV over temperature is the lowest of any SOT-23 op amp. There is even a shutdown feature for ultralow supply current applications.
General Purpose Appeal
The LT1782/LT1783 SOT-23 op amps are ideal for general-purpose applications that demand high performance. These SOT-23 op amps handle input voltages as high as 18V, both differential and common mode, independent of the supply voltage, making them ideal for applications with wide input range requirements and/or unusual input conditions. (For a description of the unique input stage that achieves this, see Linear Technology VIII:2, May 1998, p.10.) In applications that require more bandwidth than the 200kHz LT1782, the LT1783’s sixfold increase in supply current gives it six times more bandwidth and slew rate. The LT1782/LT1783 are available in two pinouts: a 6-lead version with a shutdown feature that reduces supply current to only 5µA and a standard-pinout 5-lead version. Table 1 summarizes the performance of these new op amps.
| Parameter | LT1782 | LT1783 |
| Supply Voltage Range | 2.7V to 18V | 2.7V to 18V |
| Supply Current | 55μA | 300μA |
| Input Offset Voltage | 800μV | 800μV |
| Input Bias Current | 15nA | 80nA |
| Input Current, V+ = 0V (typ) | 0.1nA | 0.1nA |
| Input Offset Current | 2nA | 8nA |
| Open Loop Gain, RL = 10kΩ | 200V/mV | 200V/mV |
| PSRR | 90dB | 90dB |
| CMRR | 90dB | 90dB |
| Common Mode Range | 0V to 18V | 0V to 18V |
| Output Swing, Low, Relative to V– | 8mV | 8mV |
| Output Swing, High, Relative to V+ | 90mV | 90mV |
| Slew Rate (typ) | 0.07V/μs | 0.42V/μs |
| Gain Bandwidth Product (typ) | 200kHz | 1.25MHz |
| CLOAD Stability (typ) | 500pF | 500pF |
| Input Noise Voltage (typ) | 50nV/√Hz | 20nV/√Hz |
| Input Noise Current (typ) | 0.06pA/√Hz | 0.14pA/√Hz |
Read All of the Specs
The appeal of other SOT-23 op amps begins to diminish when the specifications are reviewed in detail. Common factors that keep most SOT-23 parts from being general-purpose amplifiers include low supply voltage range, high input offset voltage, low voltage gain and poor output stage performance.
To address these problems, the LT1782/LT1783 are fabricated on Analog Devices' “workhorse” high speed bipolar process, which allows the amplifiers to operate on all single and split supplies with a total voltage of 2.7V to 18V. For improved precision, thin film resistors are tightly trimmed at wafer sort; this guarantees that the input offset voltage will be under 950µV over the commercial temperature range. This results in the lowest offset voltage of any SOT-23 amplifier. Furthermore, unlike competitive amplifiers with meager open-loop voltage gains of 20V/mV or less, the LT1782/LT1783 have a guaranteed voltage gain of 200V/mV into a 10k load.
Finally, to optimize the output stage, nitride capacitors were added to the process. This halves the area of the internal compensation capacitors and allows small die size with excellent frequency stability. In fact, the LT1782/LT1783 are stable with capacitive loads up to 500pF under all load conditions. The minimum output stage current is ±18mA and the output swing is guaranteed within 8mV of ground and 90mV of the positive rail with no load. A problem encountered with other op amps in some applications is that as the output approaches the rail or ground, the gain degrades. The data sheet typically claims the output can swing to within a few millivolts of the rail, but the input overdrive required to achieve this can be quite high. This is not the case with the LT1782/LT1783; a few millivolts of input overdrive is enough to swing the outputs to their guaranteed value. Figure 1 shows the typical output saturation voltage vs input overdrive.

Figure 1. Output saturation voltage vs input overdrive.
Other Niceties
Attention to small details is important for universal acceptance into general-purpose applications. The parts are completely specified on 3V, 5V and ±5V supplies and the op amps operate properly if the shutdown pin is left floating. Input-stage phase-reversal protection prevents the output from reversing phase when the input is forced up to 9V below the negative supply. Input protection resistors safely limit the current to less than 3mA when the inputs are forced to this extreme.
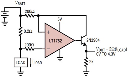
An Over-The-Top Sensing Application
The circuit of Figure 2 utilizes the Over-the-Top capabilities of the LT1782. The 0.2Ω resistor senses the load current while the op amp and NPN transistor form a closed loop, making the collector current of Q1 proportional to the load current. The 2k load resistor converts the current into a voltage. The positive input voltage, VBATT, is not limited to the 5V supply of the op amp and could be as high as 18V. The LT1783 draws only 0.1nA of current through the inputs when it is powered down, extending the battery life.

Figure 2. Positive-supply-rail current-sense application.
Conclusion
Analog Devices' first SOT-23 op amps are not just space savers, they are tiny, tough and boast a variety of features that all join to make the LT1782/LT1783 truly general purpose amplifiers. These new products will enhance the superior line of operational amplifiers from Analog Devices.