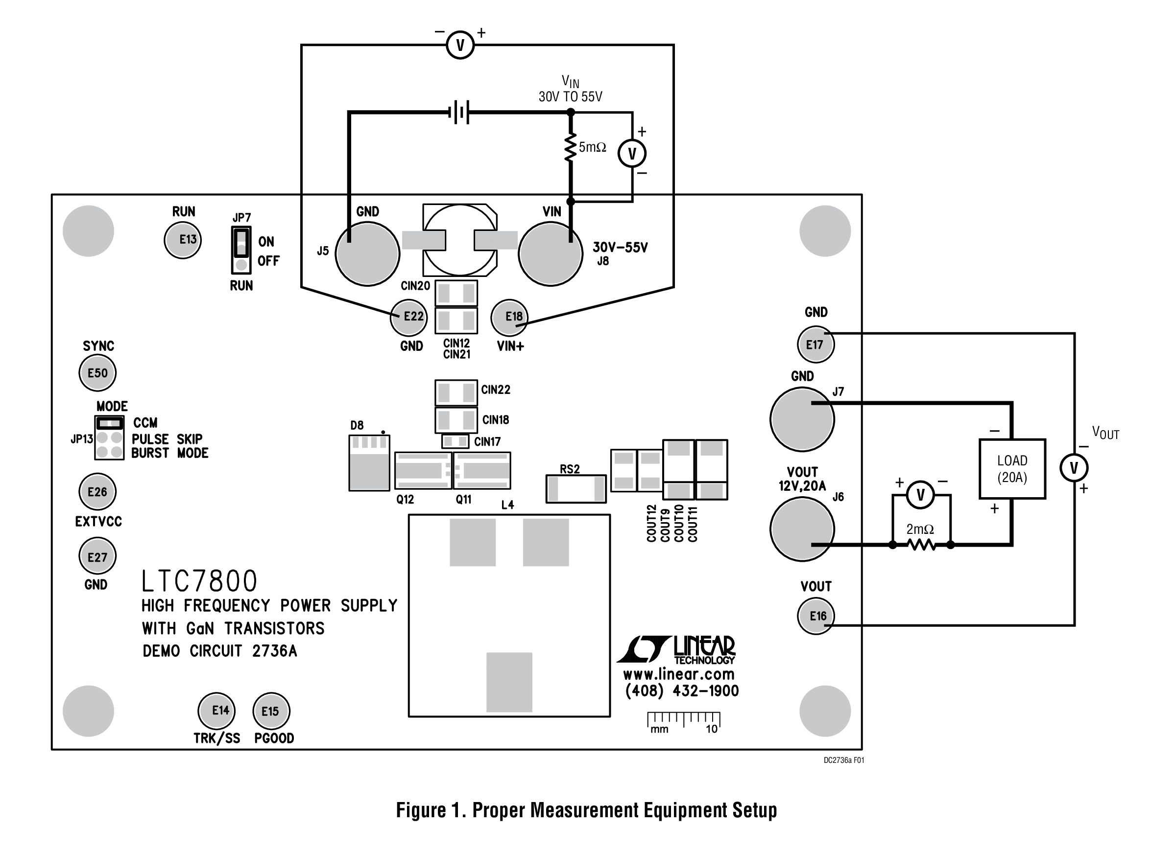
LTC7800EUDC Demo Board With GaNFETS/500kHz | 30V ≤ VIN ≤ 55V; VOUT = 12V @ 20A
Demonstration circuit 2736A is a single output high voltage nonisolated synchronous step-down converter that drives all GaN transistor power stage. It features the LTC®7800, a low quiescent current high frequency (programmable fixed frequency from 320kHz up to 2.25MHz) synchronous step-down DC/DC controller housed in a small 3mm × 4mm QFN package.
