LTC1709-85 High Efficiency Converter with VRM 8.5 Compliant VID Control Minimizes Input and Output Capacitors
LTC1709-85 High Efficiency Converter with VRM 8.5 Compliant VID Control Minimizes Input and Output Capacitors
by
Peter Guan
2001-09-01
Introduction
The LTC1709-85 is a 5-bit VID programmable, 2-phase, current mode, step-down switching regulator controller that drives two synchronous stages, composed of all N-channel power MOSFETs, 180° out of phase. This architecture reduces the number of input and output capacitors without increasing the switching frequency. The relatively low switching frequency and integrated high current MOSFET drivers help provide high power-conversion efficiency for low voltage, high current applications. Because of the resulting output ripple current cancellation, lower value inductors can be used, resulting in a faster load transient response. This, plus the 5-bit VID table, makes this device particularly attractive for CPU power supply applications. The VID table complies with the Intel VRM 8.5 specification.
Design Example
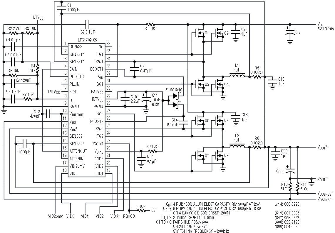
Figure 1 shows the schematic diagram of a 30A power supply for the Intel Pentium® III microprocessor; its output voltage is programmable from 1.05V to 1.825V in 25mV intervals by the 5 VID input bits. With only one LTC1709-85, eight tiny SO-8 N-channel power MOSFETs, and two 1µH low profile surface mount inductors, an efficiency of 86% is achieved. Greater than 85% efficiency can be maintained throughout the load range of 3A to 30A.

Figure 1. Schematic diagram of a 30A power supply using the LTC1709-85.
Features of the LTC1709-85 include true output remote sensing for high current applications, constant frequency operation for lower EMI, current mode control to ensure true load current sharing and OPTILOOP™ compensation for optimum transient response with minimized output capacitance. Protection features such as overvoltage soft latch, current foldback, output short-circuit latch-off and soft start are included to ensure smooth operation and to protect the device itself as well as the load (CPU) during faults on the input and output. It is also pin-to-pin compatible with the LTC1709-7.
The LTC1709-85’s 4 MSB (VID0 to VID3) VID input bits are backward compatible with the previous generation of Pentium microprocessor (VRM 8.4). The new LSB, VID25mV, provides 25mV interval steps to the output. VRM 8.5 voltage range is from 1.05V to 1.825V.
Compared to single-phase switching regulators, a 2-phase converter such as the LTC1709-85 reduces the input ripple current by 35% and the output ripple current by 45% through ripple-current cancellation, a benefit of the two output stages being driven 180° out of phase (see Table 1). As a result, the reduction in the cost and size of the input and output capacitors and the elimination of heat sinks combine to minimize the overall cost of the power supply.
| Phases | Input Ripple Current (ARMS) | Output Ripple Current (AP-P) |
| 1 | 10 | 8.7* |
| 2 | 6.5 | 4.75 |
| *Assumes that the single-phase circuit uses two 10μH/15A inductors in parallel to provide 30A output | ||