LTC Power System Management Tips for Success
2014-07-28
Here are some tips to make sure you get the most out of Analog Devices' Power System Management (PSM) products by using them the way they were intended. Follow these rules to stay out of trouble.
Rule #1: When Sharing is Good
- Always connect SHARE_CLK pins together. This keeps all LTC PSM devices on a common time base for things like sequencing.
- Connect the FAULT pins together. This allows all LTC PSM devices to share fault information and take advantage of the built-in automatic fault handling capabilities.

Figure 1. DPSM System.
Rule #2: When Sharing is Bad
- If using the internal linear regulator to provide VDD33, never connect the VDD33 pins between devices. The regulators are not intended to share current and one will likely end up taking all the load.
- Never connect the VDD25 pins between devices. The regulators are not intended to share current and one will likely end up taking all the load.
- Do not duplicate I2C addresses. Make sure every device has a unique I2C address. Whenever possible, use unique ASEL pin settings instead of EEPROM.
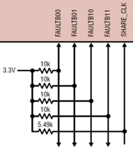
Rule #3: Pull-ups are Your Friend
- Use pull-up resistors to 3.3V on all FAULT and SHARE_CLK pins.

Figure 2. DPWM Pullups.
For more information, please contact us.