LT3790 98% 高效 240W (24V/10A) 并联稳压器
The LT3790 is a 4-switch synchronous buck-boost DC/DC converter that regulates both constant voltage and constant current at up to 98.5% efficiency using only a single inductor. It can deliver hundreds of watts and features a 60V input and output rating, making it an ideal DC/DC voltage regulator and battery charger when both step-up and step-down conversion are needed.
A single LT3790 converter can deliver high power due to its synchronous switching topology, but eventually the switching and/or conduction losses at higher power can overwhelm a single converter with excessive board heating. Although heat can be mitigated with bulked up heat sinks, additional external gate drivers, and/or forced airflow, it may be better to simply tie together two or more converters in parallel to spread the load. This is easy to do with the LT3790 buck-boost regulator.
Ideally, paralleled switching converters share the load equally throughout the entire output range. The LT3790’s ability to run in either constant voltage or constant current operation allows one master converter to control the output voltage, while its current monitor output (ISMON) tells one or more slave converters how much output current to regulate (CTRL input) in order to match its own output level. Current matching between multiple converters is nearly ideal using this technique.

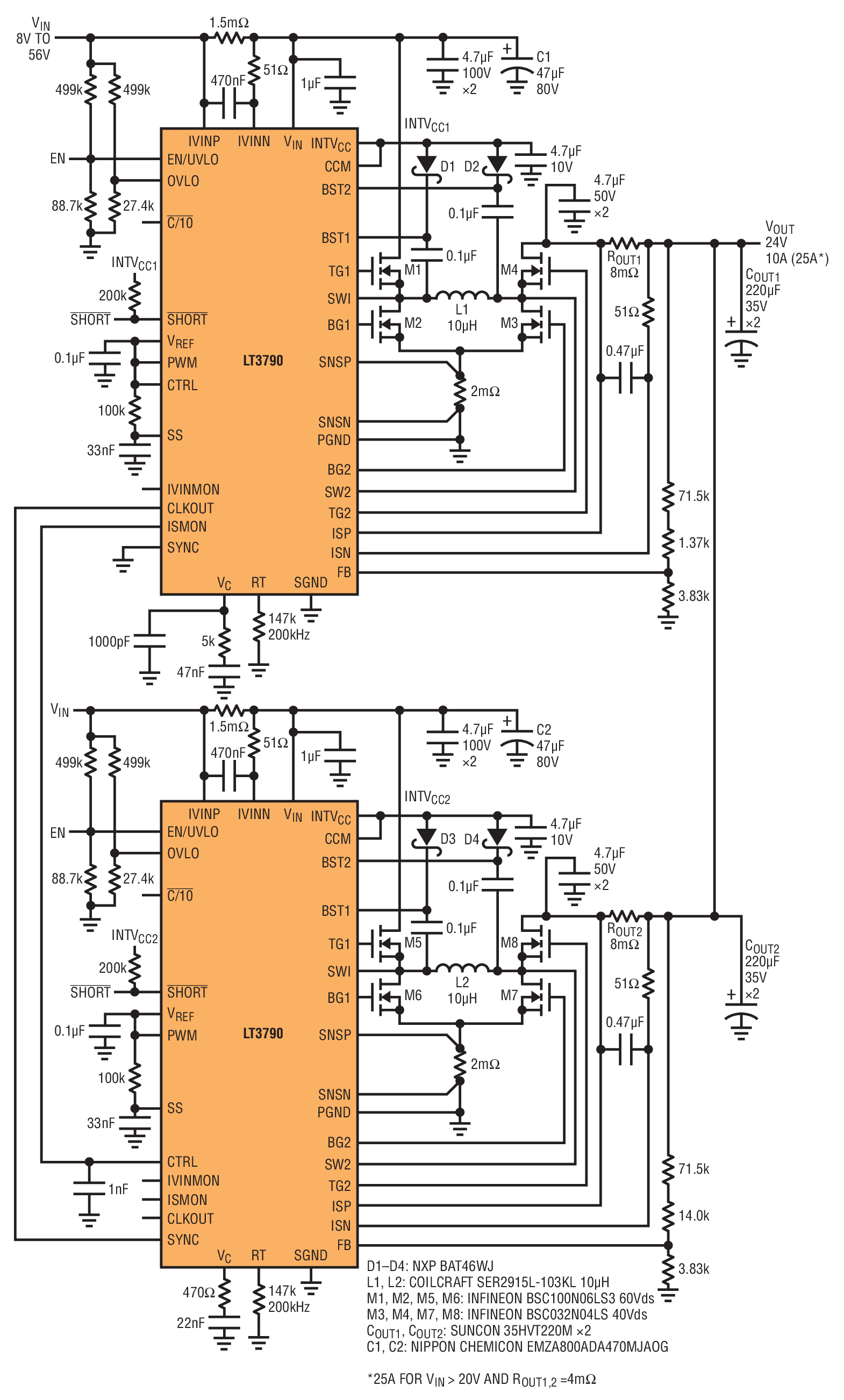
Figure 1. Two LT3790 24V voltage regulators are easy to parallel for double the output with limited discrete component temperature rise.
The CLKOUT pin of the master can be directly tied to the SYNC input pin of the slave for 180° phase-interleaving of the two parallel converters. The 180° phase difference between the converters reduces overall converter output ripple, instead of doubling it. If more than two converters are connected in parallel, they can be synchronized to either operate phase-shifted or in-phase with an external clock source, or daisy-chaining CLKOUT pins.
The circuit in Figure 1 shows a 24V, 10A (or 25A under certain conditions, see figure) voltage regulator formed by running two LT3790s in parallel. By using two parallel circuits, the maximum temperature rise on any one discrete component is only 20°C for the M3 and M7 MOSFETs at 12V input and 50°C at 9V input. The top converter (master) regulates the 24V output voltage and commands the current level that is regulated by the bottom (slave) converter. The ISMON output of the master indicates how much current the master is providing, and by connecting ISMON directly to the CTRL input of the slave, the slave is forced to follow the master. The LT3790 ISMON output level and CTRL input level are identically mapped so that a direct connection from one to the other is possible, and doing so forces the total output current to be shared equally between the parallel converters, as shown below in Figure 2. Note that the output voltage of the slave is set slightly higher (28V) so that the voltage feedback loop of the slave is not in regulation, allowing it to follow the master.

Figure 2. Parallel converter inductor and output current matching.
Transient response and network analyzer loop analysis can be used to measure stability. A transient response of 50% to 100% current, shown in Figure 3, demonstrates a properly compensated converter and equally shared load current.

Figure 3. Parallel converter transient response evenly shares current.