摘要
The 1-Wire® bus has become increasingly popular for the authentication and calibration of sensors and consumables in medical equipment, where galvanic isolation is required. Building on application note 4206, " Choosing the Right 1-Wire Master for Embedded Applications," this article explains how to modify existing 1-Wire master circuits to implement galvanic isolation. In addition to the classic optoisolators, digital isolators using magnetic and capacitive coupling have been developed in recent years. This application note introduces each of these technologies and product lines, and identifies and compares isolators that are suitable for use in 1-Wire master circuits.
A similar version of this article appeared in the April 2012 issue of Electronic Engineering magazine.
Introduction
When electricity was first adapted for practical uses, scientists quickly realized that safety was critical for the success of harnessing this form of energy. The most obvious safety measure is to stay away from dangerous voltages. If this cannot be avoided, users must keep the "live wire" isolated from other objects. Over time, more sophisticated safety measures evolved, the most important of which is galvanic isolation: an isolation barrier that separates functional sections of electrical systems, but allows the free flow of energy and data. In case of equipment malfunction, galvanic isolation protects users from electrical hazards, and, at the same time, protects equipment from ground loops, electrical noise from the environment, and static discharge. This is of particular importance for medical equipment, which must comply with IEC 60601 technical standards to protect patients, operators, and their surroundings¹. Due to their simplicity, 1-Wire® devices have become increasingly popular in the medical field, where they provide calibration data and authentication of sensors and consumables².
Typical 1-Wire Master Circuits
There are multiple ways to build a 1-Wire master. Best suited for isolation are circuits that attach to the unidirectional ports of a microcontroller or field programmable gate array (FPGA) that functions as a host processor. The attachment can be as simple as a transistor with a pullup resistor or a monolithic protocol converter. Although quite popular and cost effective for embedded applications, circuits that attach to bidirectional ports are less desirable when isolation is needed. Adding isolation requires the bidirectional bus to be split into a forward and a backward path. To prevent the backward path from latching the forward path when the slave responds with a zero, one either needs to accept a glitch at the host side or introduce a second low level that is low enough for the host, but too high to cause latching.
The circuits discussed in this section are designed for isolators with digital inputs and outputs, as is typical for newer isolator products. The input of low-cost optoisolators is usually the cathode of a light-emitting diode (LED) with the open collector of a transistor functioning as an output. To work with low-cost optoisolators, the circuits need to be modified accordingly (e.g., by inserting a current-limiting resistor in the input path and performing signal conditioning at the output with a Schmitt trigger/inverter).
Circuits for Unidirectional Ports
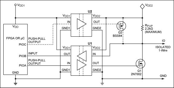
The circuit in Figure 1 is a simple port pin attachment to a microcontroller or FPGA as host processor. Isolators U1 and U2 are added. U1 isolates the forward path and the backward path. U2, if installed, allows activating Q2 for extra power delivery ("strong pullup") to the 1-Wire slave. Unless the isolator adds a delay of 100ns or more, this circuit works for standard and overdrive 1-Wire speeds.

Figure 1. An isolated 1-Wire master circuit with a microcontroller or FPGA as host processor.
The circuit in Figure 2 uses an integrated RX/TX protocol converter. Isolator U1, which isolates the forward path and the backward path, is added. All the time critical operations are controlled by a serial to 1-Wire line driver like the DS2480B, which is limited to a maximum data rate of 115.2kbps (8.68µs/bit). Consequently, the signal delay added by the isolator is not critical as long as it does not exceed 1µs, regardless of the 1-Wire speed. Some of the cost of the DS2480B can be recovered when choosing a low-cost optoisolator for U1 and modifying the circuit accordingly.

Figure 2. An isolated 1-Wire master circuit with a RX/TX protocol converter.
Circuits for Bidirectional Ports
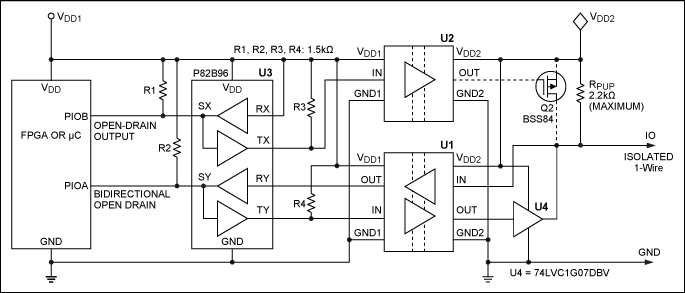
The circuit in Figure 3 is a simple port pin attachment to a microcontroller or FPGA as host processor. In contrast to Figure 1, the communication port is bidirectional. Isolators U1 and U2, bus buffer U3, open drain driver U4, and the resistors R2, R3, and R4 are added. The lower part of U3 splits the bidirectional data path of PIOA into the forward path (TY of U3 to IN of U1) and the backward path (OUT of U1 to RY of U3). The noninverting driver U4 joins the forward and backward path to the bidirectional 1-Wire bus. The upper part of U3 (SX to TX) connects PIOB to the input of U2 (forward path). The backward path (RX to SX) is not used. U2, if installed, allows activating Q2 for extra power delivery ("strong pullup") to the 1-Wire slave. Note that the bus buffer U3 introduces a significant round trip delay (2 × ~250ns). Although this is tolerable at standard 1-Wire speed, caution is advised at overdrive speed. The P82B96 is designed for I²C applications. The voltage levels on the host side (SY, PIOA) are compatible to I²C devices, but the low level is too high for 1-Wire slaves and integrated 1-Wire masters. Before considering this circuit, verify whether the VOLMAX at SY is compatible to VILMAX at PIOA. The PCA9600 is an upgrade of the P82B96; it has half the propagation delay and a slightly reduced VOLMAX level, but consumes more power. Generally, the circuit in Figure 4 is a better alternative.

Figure 3. An isolated 1-Wire master circuit with a bidirectional host processor port.
The circuit in Figure 4 uses an integrated I²C to 1-Wire protocol converter. Isolators U1 and U2, bus buffer U3, open drain driver U4, and the resistors R1, R2, and RP3 are added. The lower part of U3 splits the bidirectional SDA path into the forward path (TY of U3 to IN of U1) and the backward path (OUT of U1 to RY of U3). The noninverting driver U4 joins the forward and backward path to the bidirectional isolated SDA. Since the 1-Wire master U5 does not use clock stretching, the SCL path (SX to TX of U3 and to IN of U2) is unidirectional. Therefore, it is permissible to connect the push-pull output of U2 to directly to SCL of the protocol converter. All the time critical operations are controlled by the 1-Wire master, which supports I²C clock rates of up to 400kHz. Consequently, the signal delay added by the bus buffer and isolator is not critical. Since the bus buffer already adds 2 × ~250ns, the isolator needs to be fairly fast, e.g., 50ns maximum per direction. Due to popular demand, I²C modules are available that combine the bus buffer, isolators, and driver in a single SOIC package.

Figure 4. An isolated 1-Wire master circuit with an I²C protocol converter.
Isolation Technologies
The classic isolation device is the transformer, which is still used in power supplies. Transformers work well over a fairly limited frequency range. They cannot handle very low frequencies, as they are needed in control systems. Early optoisolators, constructed from a light source as simple as a flashlight bulb and a light-dependent resistor (LDR) filled this gap. With the advent of LEDs in the 1970s, a new and faster generation of optoisolators emerged that worked from DC up to several thousand pulses per second. Technical progress since then has improved optoisolators, which now can handle data rates of more than 10 million bits per second. The miniaturization of transformers down to the chip level and the discovery of the giant magnetoresistive effect (GMR) have led to new types of isolators that are even faster. Capacitive coupling, which was not feasible in the early days, is now deployed in a new type of isolators that contains an RF transmitter and receiver in a small SOIC package.
In the discussion below, for each technology, one major vendor was identified. Where possible, this article identifies a single- and a dual-channel device for 2.5kV isolation that is suitable for 1-Wire overdrive speed from each vendor. The information was initially compiled in August 2011 from manufacturer data sheets and application notes. Besides technical challenges, anything that affects security needs to comply with country-specific regulations. The Avago Regulatory Guide to Isolation Circuits³ is an excellent introduction to the matter. All isolator data sheets list certificates with which the products comply.
A term that is frequently—but not always—found in conjunction with safety is "fail safe." In conjunction with isolator devices, the general understanding is that "fail safe" relates to the state of the isolator's output if the isolator's input has no power. It is important to check the product data sheet for details and to verify the circuit's behavior using samples. Products from the same vendor can exhibit different behavior. In some cases, one can chose between parts that, without power on the input side, have the output high or low, depending on what works best in the application.
Optoisolation (Avago Technologies)
Optoisolators based on LEDs and phototransistors dominated the market until the early 2000s, when competing technologies were introduced. Table 1 shows characteristic parameters of the ACPL-077L and ACSL-7210 optoisolators from Avago (formerly Agilent, a Hewlett-Packard spin off). Although there is an abundant variety of optoisolators available including those from other manufacturers, there are very few optoisolators with a true digital logic input and output, as needed to fit into the schematics provided in Figures 1 through 4 of this article.
Based on their way of operation, it is no surprise that the current consumed by LEDs depends on the logic state. Since the light output of a LED deteriorates over time, the idle state should be chosen with the LED off, which minimizes the current consumption and maximizes the lifetime. Compared to other technologies, optoisolators require a fairly high operating current.
| Parameter | Single-Channel ACPL-077L | Dual-Channel ACSL-7210 | |
| Safety | Minimum isolation voltage | 3750VRMS | 3750VRMS |
| Minimum transient voltage (immunity) | 35kV/µs | 25kV/µs | |
| Certificates | UL1577, CSA #5, IEC/EN/DIN EN 60747-5-5 | UL1577, CSA #5, IEC/EN/DIN EN 60747-5-5 | |
| Immunity | Insensitive to external DC, AC magnetic field | Insensitive to external DC, AC magnetic field | |
| Performance | Maximum data rate | 25Mbps | 25Mbps |
| Maximum propagation delay | 40ns | 40ns | |
| Maximum pulse width distortion | 6ns | 10ns | |
| Operating voltage (±10%) | 3.3V, 5.0V | 3.3V, 5.0V | |
| Maximum quiescent current | Input/Output low: 8mA/2.5mA Input/Output high: 2mA/2.5mA |
Input/Output low: 15mA/15mA Input/Output high: 5mA/5mA |
|
| Operating current | — | — | |
| Power-on behavior | Correct output guaranteed by concept | Correct output guaranteed by concept | |
| DC correctness | Ensured by concept | Ensured by concept | |
| Source: ACPL-072L and ACSL-7210 data sheets (September 2013 editions) | |||
Chip-Scale Transformer (Analog Devices)
In 2001, Analog Devices introduced the iCoupler® device, an isolator that is based on a chip-scale microtransformer integrated on a semiconductor substrate. Logic transitions at the input cause narrow (~1ns) current pulses that are sent to a decoder via the transformer. The bistable decoder is either set or reset by the pulses, indicating input logic transitions. In the absence of logic transitions of more than ~1µs at the input, the correct output state is achieved through a periodic set of refresh pulses that indicate the input state.
Table 2 shows characteristic parameters of the ADuM3100A and the ADuM3201B. The current consumption is much less than with optoisolators and does not depend on the logical state of the input. Some iCoupler devices include a DC-DC converter (isoPower® technology) to provide isolated power to the other side. Particularly convenient are the I²C modules ADuM1250 and ADuM1251, which merge U1, U2, U3 and U4 of Figure 4 into a single package.
| Parameter | Single-Channel ADuM3100A | Dual-Channel ADuM3201B | |
| Safety | Isolation voltage | 2500VRMS | 2500VRMS |
| Minimum transient voltage (immunity) | 25kV/µs | 25kV/µs | |
| Certificates | UL1577, CSA #5, VDE V 0884-10 | UL1577, CSA #5, VDE V 0884-10 | |
| Immunity | Insensitive to external DC magnetic field. For AC magnetic field, see data sheet. | Insensitive to external DC magnetic field. For AC magnetic field, see data sheet. | |
| Performance | Maximum data rate | 25Mbps | 10Mbps |
| Maximum propagation delay | 28ns at 3.3V, less at 5.0V | 60ns at 3.3V, less at 5.0V | |
| Maximum pulse width distortion | 3ns at 3.3V, less at 5.0V | 4ns | |
| Operating voltage (±10%) | 3.3V, 5.0V | 3.3V, 5.0V | |
| Maximum quiescent current | 1.8mA/0.25mA at 5.0V, less at 3.3V | 1.4mA/1.4mA at 5.0V, less at 3.3V | |
| Operating current | 4.5mA/1.1mA at 25Mbps and 5.0V, less at 3.3V | 1.5mA/1.8mA at 2Mbps and 5.0V, less at 3.3V | |
| Power-on behavior | Correct output guaranteed within 1µs | Correct output guaranteed within 1µs | |
| DC correctness | Ensured by design | Ensured by design | |
| Source: ADuM3100A data sheet (June 2007 edition) and ADuM3201B data sheet (November 2011 edition). | |||
Giant Magnetoresistive Technology (NVE Corporation)
In 2002, NVE Corporation introduced the IsoLoop® digital isolator. The input side looks the same as with the iCoupler, but the receiver side is different. Logic transitions at the input are converted into narrow (~2.5ns) current pulses through a planar coil, creating a magnetic field around the GMR Wheatstone bridge. Depending on the direction of the magnetic field, the bridge causes the output comparator to switch according to the change of the input signal. An internal refresh clock ensures the synchronization of input and output within 9µs of the supply voltage crossing the power-on threshold. Avago's HCPL-90xx/09xx series uses the same technology.
Table 3 shows characteristic parameters of the IL510 and IL514. The current consumption is comparable to the chip-scale transformer products. The isolators of the IL51x series should not be confused with the older IL71x series product, which do not have the internal refresh function.
Capacitive Isolation (Silicon Laboratories)
The ISOpro digital isolators of Silicon Laboratories are very similar to optoisolators. Instead of light, they use an RF carrier that is on or off, depending on the input signal. When the input state is high, the transmitter generates an RF carrier that propagates across the capacitive isolation barrier to the receiver. The receiver asserts logic high on its output if sufficient in-band carrier energy is detected. When the input state is low, the transmitter is disabled, and no carrier is present. The receiver, therefore, detects no in-band carrier energy and drives the output low.
Table 4 shows characteristic parameters of the Si8410AB and the Si8422AB. The current consumption is very low, but—as with optoisolators—depends on the state of the input signal. The default output state (when the input side has no power) is either fixed (high or low) or an ordering option. Particularly convenient are the I²C modules Si8400AB and Si8401AB, which merge U1, U2, U3 and U4 of Figure 4 into a single package.
| Parameter | Single-Channel IL510 | Dual-Channel IL514* | |
| Safety | Isolation voltage | 2500VRMS | 2500VRMS |
| Minimum transient voltage (immunity) | 20kV/µs | 20kV/µs | |
| Certificates | UL1577, IEC 61010 | UL1577, IEC 61010 | |
| Immunity | Depends on operating voltage, frequency, and field direction; see data sheet. | Depends on operating voltage, frequency, and field direction; see data sheet. | |
| Performance | Maximum data rate | 2Mbps | 2Mbps |
| Maximum propagation delay | 25ns | 25ns | |
| Maximum pulse width distortion | 10ns | 10ns | |
| Operating voltage (±10%) | 3.3V, 5.0V | 3.3V, 5.0V | |
| Maximum quiescent current | 0.04mA/3mA at 5.0V, less at 3.3V | 3mA/6mA at 5.0V, less at 3.3V | |
| Operating current | Varies with data rate, details not specified. | Varies with data rate, details not specified. | |
| Power-on behavior | Correct output guaranteed within 9µs | Correct output guaranteed within 9µs | |
| DC correctness | Ensured by design | Ensured by design | |
| *The IL514 includes 3 channels, two forward and one back. Source: IL510 and IL514 data sheets (June 2011 editions). |
|||
| Parameter | Single-Channel Si8410AB | Dual-Channel Si8422AB | |
| Safety | Isolation voltage | 2500VRMS | 2500VRMS |
| Transient voltage (immunity) | 25kV/µs (typ.) | 20kV/µs (min.) | |
| Certificates | UL1577, CSA #5, IEC 60747-5-2 | UL1577, CSA #5, IEC 60747-5-2 | |
| Immunity | High electromagnetic immunity | High electromagnetic immunity | |
| Performance | Maximum data rate | 1Mbps | 1Mbps |
| Maximum propagation delay | 35ns | 35ns | |
| Maximum pulse width distortion | 25ns | 25ns | |
| Operating voltage (±10%) | 3.3V, 5.0V | 3.3V, 5.0V | |
| Maximum quiescent current | 2.7mA/1.2mA | 5.6mA/5.6mA | |
| Operating current | 2.0mA/1.4mA (max.) at 1Mbps | 4.2mA/4.2mA (max.) at 1Mbps | |
| Power-on behavior | Correct output guaranteed within 40µs | Correct output guaranteed within 40µs | |
| DC correctness | Ensured by design | Ensured by design | |
| Source: Si8410AB data sheet (December 2011 edition) and Si8422AB data sheet (August 2011 edition). | |||
Capacitive Isolation (Texas Instruments)
In contrast to Silicon Laboratories, the digital isolators of Texas Instruments use a 2-path topology to transmit the input signal via RF to the output side, treating slow and fast signals differently. The fast signal path is not encoded and it transmits data transitions across the barrier after a single-ended-to-differential conversion. The slow-signal path first encodes the data in a pulse-width-modulated (PWM) format and then transmits differentially, ensuring the accurate communication of the steady-state conditions. On the other side of the isolation barrier, differential comparators receive the logic transition information, then set or reset a flip-flop and the output circuit accordingly. A periodic update pulse is sent across the barrier to ensure the proper DC level of the output. If this DC-refresh pulse is not received for more than 4µs, the input is assumed to be unpowered or not being actively driven, and the fail-safe circuit drives the output to the default state.
Table 5 shows characteristic parameters of the ISO721 and the ISO7221C. The operating current is quite high, comparable to optoisolators, but independent of the input state. The default output state (when the input has no power) is high. Particularly convenient are the I²C modules ISO1540 and ISO1541, which merge U1, U2, U3, and U4 of Figure 4 into a single package.
| Parameter | Single-Channel ISO721 | Dual-Channel ISO7221C | |
| Safety | Isolation voltage | 2500VRMS | 2500VRMS |
| Minimum transient voltage (immunity) | 25kV/µs (typ.) | 25kV/µs (min.) | |
| Certificates | UL1577, CSA #5, IEC 60747-5-2 | UL1577, CSA #5, IEC 60747-5-2 | |
| Immunity | High electromagnetic immunity | High electromagnetic immunity | |
| Performance | Maximum data rate | 100Mbps | 25Mbps |
| Maximum propagation delay | 30ns at 3.3V, less at 5V | 52ns at 3.3V, less at 5V | |
| Maximum pulse width distortion | 3ns at 3.3V, less at 5V | 3ns at 3.3V, less at 5V | |
| Operating voltage (±10%) | 3.3V, 5.0V | 3.3V, 5.0V | |
| Maximum quiescent current | 1mA/12mA at 5V, less at 3.3V | 17mA/17mA at 5V, less at 3.3V | |
| Operating current | 4mA/14mA (max.) at 25Mbps and 5V, less at 3.3V | 22mA/22mA (max.) at 25Mbps and 5V, less at 3.3V | |
| Power-on behavior | Not specified | Not specified | |
| DC correctness | Ensured by design | Ensured by design | |
| Source: ISO721 data sheet (December 2011 edition) and ISO7221C data sheet (September 2011 edition). | |||
Conclusion
This article describes the topology of 1-Wire master circuits with galvanic isolation using digital isolators from several vendors. Best suited for isolation are host processors that use separate, unidirectional ports for 1-Wire communication. The 1-Wire communication signals can either be created directly under software control or through a RX/TX-to-1-Wire converter chip. Bidirectional ports require splitting the signal into a forward and backward path that is then routed through separate isolators. Thanks to single-package I²C isolation modules and I²C-to-1-Wire protocol converter chips, a host processor with I²C port is a viable alternative.