概览
设计资源
设计与集成文件
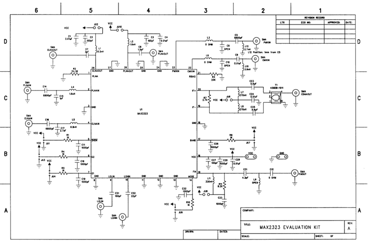
- Schematic of MAX2323 Evaluation Kit
- Bill of Materials Pt 1
- Bill of Materials Pt 2
- Cellular LNA/Mixer IIP3 Measurement Test Setup
- Cellular LNA/Mixer Noise-Figure Measurement Test Setup
- PCS LNA/Mixer IIP3 Measurement Test Setup
- PCS LNA/Mixer Noise-Figure Measurement Test Setup
描述
目标:开发一套测试方法比较这款修正版CDMA双频三模前端IC的微小改进。
Analog不断地改进某些IC的性能以满足顾客特殊的要求。MAX2323是MAX2320新的版本。本设计的目标是证实这一修正版与其上一代相比的微小改进,并展示评估LNA和混频器的正确设置。总之,我们将注意到很小的改进,至少可以肯定修正版和它的上一代一样的优秀。
MAX2323低噪声放大器(LNA)与混频器是为双频CDMA蜂窝手机设计的,但它也可以用在双频TDMA、GSM、EDGE或WCDMA的应用中。与其上一代(MAX2320)的区别是为此蜂窝频段LNA增加了第三个“中等增益”状态从而改善了切换滞后裕量。它还使用更小的封装(28-QFN)并提供更高的三阶输入截取点。
快速工程原型(rapid engineering prototypes)是Analog应用工程师在实验室里建立并进行产品测试的实际电路。它们是新的射频工程设计的起点。它们不作为评估测试工具。
优势和特点
重要通知及免责声明
请阅读关于ADI设计信息和资源的参考设计免责声明。
所用产品
文件和资源
-
REP019 Design Files2021/3/3ZIP155 K
支持与培训
搜索我们的知识库,获取技术问题答案。我们专门的应用工程师团队也会随时为您解答技术问题。
