概览
设计资源
优势和特点
- 高集成式3线RTD测量系统
- 24位分辨率
- 精度: <1℃
- 低功耗
- 精度: <1°C(整个温度范围)
参考资料
-
CN-0383:采用低功耗、精密、 24 位 Σ- 型 ADC 的全集成式 3 线 RTD 测量系统2015/7/31PDF655 K
-
如何设计和认证功能安全电阻温度检测器(RTD)系统2022/7/21
电路功能与优势
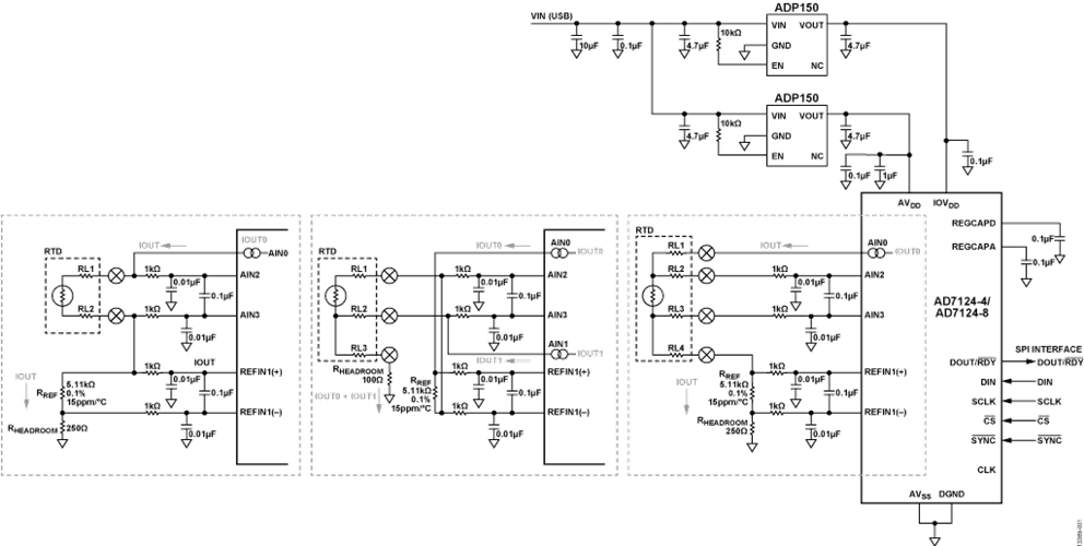
图1所示电路是一个集成的2线、3线或4线电阻温度检测器(RTD)系统,基于 AD7124-4/AD7124-8 低功耗、低噪声、24位Σ-Δ型模数转换器(ADC),针对高精度测量应用而优化。

本电路笔记使用B类Pt100 RTD传感器,其在0°C时的精度为±0.3°C,但它可以支持其他精度更高的RTD类型,如A类、AA类、1/3 DIN或1/10 DIN。此电路还支持低功率应用中使用的Pt1000 RTD。
AD7124-4/AD7124-8可以实现高分辨率、低非线性、低噪声性能及50 Hz/60 Hz高抑制性能,适合于工业RTD系统。在全功率模式、选择sinc4滤波器、输出数据速率为50 SPS的条件下,系统的典型峰峰值分辨率为0.0043°C(17.9位);在低功耗模式、选择后置滤波器、输出数据速率为25 SPS的条件下,系统的典型峰峰值分辨率为0.0092°C(16.8位)。这些设置表明,系统精度明显优于传感器精度。
AD7124-4/AD7124-8集成了支持RTD测量所需的几个重要系统构建模块。包括可编程激励电流源和可编程增益放大器(PGA)在内的多种功能分别用于激励和放大RTD信号,从而支持其直接与传感器连接并简化设计,同时降低成本和功耗。
片内数字滤波的多个选项和三种集成功耗模式(其中电流消耗、输出数据速率范围、建立时间和均方根噪声均得到优化)为应用提供了灵活性。低功耗模式下消耗的电流仅为255 µA,全功率模式下消耗的电流为930 µA。在关断模式下,整个ADC及其辅助功能全被关断,此时AD7124-4/AD7124-8的典型功耗为1 µA。这些功耗选项使得AD7124-4/AD7124-8既适合功耗不重要的应用,如输入模块,也适合低功耗应用,如环路供电智能变送器(整个变送器的功耗必须低于4 mA)。
AD7124-4/AD7124-8还集成了丰富的诊断功能,作为其全面特性组合的一部分。此功能可用来检查模拟引脚上的电平是否在额定工作范围以内。这些器件还包括对串行外设接口(SPI)总线的循环冗余校验(CRC)和信号链检查,从而提供更鲁棒的解决方案。这些诊断功能可减少执行诊断功能所需的外部元件,从而减小解决方案尺寸、缩短设计时间并节省成本。
电路描述
RTD简介
RTD是温度测量常用的传感器。RTD由纯金属(如铂、镍或铜)制成,其电阻随温度的变化是可预测的,通常可测量最高+850°C的温度。与其它类型的温度传感器(如热敏电阻、热电偶或半导体(IC)温度传感器)相比,RTD具有高精度和良好的稳定性。最常用的RTD是铂Pt100和Pt1000。这些传感器按其在0°C时的标称电阻进行分类。有多个行业标准定义了铂RTD传感器的容差和精度限值。
图1所示电路使用B类Pt100 RTD传感器,其温度测量范围为-200°C至+ 600°C。B类Pt100 RTD的电阻在0°C时通常为100 Ω,典型温度系数约为0.385 Ω/°C(见图2),在0°C时的容差为±0.3°C。在任何高于或低于RTD校准温度(0°C)的温度时,它都有更宽的容差带和更低的精度。Pt1000 RTD也具有类似的范围和容差。但是,Pt1000 RTD的电阻值比Pt100传感器的电阻值高出十倍。

RTD测量应用中常用的三种RTD配置类型为2线、3线和4线式。2线配置最简单。但在这种配置中,引线电阻会增加误差,因为此电阻与RTD串联,无法进行补偿。因此,2线RTD用在引线很短的时候,以使引线电阻对精度的影响最小。长导线的电阻可利用3线连接和两个激励电流来补偿,而使用4线连接几乎可以消除长导线的电阻引起的误差。因此,4线配置可实现最佳性能。
但是,3线RTD仅需要与RTD建立三个连接,这在连接器尺寸最小化的设计中很有用(仅需要3连接端子,而4线RTD需要4线端子)。
RTD传递函数
根据PT100 RTD的规格,电阻变化率约为0.385 Ω/°C。可利用此关系快速获得RTD的近似温度。由于RTD的温度系数在整个温度范围内略有变化,因此上述方法不够精确,但可以利用它来快速检查温度。
使用公式1计算近似温度,RTD电阻在0℃时为100 Ω。

RTD转换函数即所谓Callender-Van Dusen公式,可提供更精确的结果。它由两个不同的多项式公式组成。0°C以下的温度使用公式2,0°C以上的温度使用公式3。
温度(T) ≤ 0°C时,公式为:

T ≥ 0°C时,公式为:

其中:
RRTD(T)为RTD在温度(T)时的电阻。
R0 为RTD在0°C时的电阻(本例中R0 = 100 Ω)。
A = 3.9083 × 10−3。
T 为RTD温度(°C)。
B = −5.775 × 10−7。
C = −4.183 × 10−12。
结合公式2和公式3给出的传递函数,有多种方法可以确定作为RTD电阻函数的温度值。本电路笔记选择直接数学方法,因为其精度高。根据公式3可得出以下温度计算公式:

其中r为RTD电阻,其他变量的定义如上所述。
此方法能够很好地处理≥0°C的温度。计算0°C以下的RTD温度需要使用最佳拟合多项式表达式。本电路笔记使用的多项式为五阶多项式,如公式5所示。

RTD测量
为了精确测定RTD电阻,须利用一个恒定激励电流源在RRTD上产生一个低电平电压。此低电平电压由ADC的片内PGA放大,然后通过24位Σ-Δ ADC转换为精密数字信号。将测量值折合为精密参考电阻(RREF)两端的电压(由同一电流源驱动),即可轻易消除电流源中的误差,从而产生比例测量结果。
当ADC工作在单极性模式时,计算RTD电阻(R)的通用表达式如下所示:

当ADC工作在双极性模式时,计算RTD电阻(R)的通用表达式如下所示:

其中:
CODE 为ADC码。
RREF 为参考电阻。
N 为ADC的分辨率(本电路为24)。
G 为所选增益。
例如,温度设置为25°C时,从配置为双极性模式的AD7124-4/AD7124-8读取的数字码为11270065。利用公式7将此数字码转换为电阻,结果如下:

利用公式4进行线性化,得出温度为24.921°C。
第二个例子,温度设置为-25°C时,从配置为双极性模式的AD7124-4/AD7124-8读取的数字码为10757779。
将此数字码转换为电阻,结果如下:

利用公式5进行线性化,得出温度为-24.982°C。
RTD设计考虑
下面几节介绍关于设计电路元件和设置图1所示RTD测量电路的所需操作的一般指南。
"RTD接线配置"部分介绍每种接线配置所使用的不同电路技术和连接。针对所示每种电路配置的所有考虑和计算可以参考"RTD接线配置"部分。
ADC
除RTD传感器规格外,系统的精度还取决于ADC的性能。AD7124-4/AD7124-8为RTD测量提供了集成解决方案。这些器件可以实现高分辨率、低非线性、低噪声性能及50 Hz/60 Hz高抑制性能。AD7124-4/AD7124-8由片内可编程激励电流源、基准电压缓冲器和低噪声PGA组成,该PGA可放大来自RTD的小信号,从而支持与传感器直接连接,最大限度地减少所需的外部电路。
电源
AD7124-4/AD7124-8具有单独的模拟电源和数字电源。数字电源IOVDD独立于模拟电源,可以为1.65 V至3.6 V范围内的值(以DGND为基准)。模拟电源AVDD以AVSS为基准,范围是2.7 V到3.6 V(中低功率模式)或2.9 V至3.6 V(全功率模式)。图1所示电路采用单电源供电。因此,AVSS和DGND连在一起,仅使用一个接地层。AVDD和IOVDD电压利用ADP150稳压器分别产生。AVDD电压设置为3.3 V,IOVDD电压设置为1.8 V,采用ADP150稳压器。使用单独的稳压器可确保噪声最低。
功耗模式的选择取决于最终应用的电流预算分配。如果应用需要非常高的输出数据速率和更好的噪声性能,可以将器件设置为全功率模式。便携式应用须使用低功耗器件。对于某些工业应用,整个系统都由4 mA到20 mA环路供电,因此允许的电流预算最大值为4 mA。对于此类应用,可以将器件设置为中功率或低功耗模式。
激励电流和输出顺从电压
AD7124-4/AD7124-8提供两个这样的激励电流源,可通过寄存器编程将其设置为50 μA到1 mA的值。激励电流的选择会影响RTD输入电压范围、增益选择以及基准电阻和基准电压缓冲器裕量电阻。应使可用激励电流最大化以获得更好的性能。然而,进行RTD测量时,还必须考虑激励电流源的输出顺从电压。本电路选择500 μA,其输出顺从电压为AVDD − 0.37 V。本电路的AVDD电源电压为3.3 V。因此,激励电流源的输出顺从电压必须低于2.93 V。
利用Callender-Van Dusen公式,RTD温度范围为−200°C至+600°C,使用500 µA激励电流在RTD两端产生的电压约为9.26 mV至156.85 mV。
模拟输入和增益选择
来自传感器的信号相当小,必须由低噪声增益级放大。RTD的输出电平从数十毫伏到数百毫伏不等,取决于所选的RTD。可以使用内置PGA的ADC,避免使用外部放大器元件。AD7124-4/AD7124-8片内集成低噪声PGA,可放大RTD的小信号,增益编程范围为1到128,因而可以直接与传感器接口。增益级具有高输入阻抗,输入漏电流在全功率模式下不超过3.3 nA,在低功耗模式下为1 nA(典型值)。如果片内激励电流设置为500 µA,在最高温度600°C时,RTD上产生的电压约为156.85 mV。
为确保使用AD7124-4/AD7124-8的最大范围,PGA增益设置为16。PGA将RTD传感器最大输出电压放大至2.5096 V。
基准电压源和基准电压缓冲器裕量
对于图1所示电路,所用的基准输入为REFIN+和REFIN1−。流经RTD的电流也会流过精密基准电阻,产生基准电压。此精密基准电阻上产生的电压与RTD上的电压成比例。因此,激励电流的任何变化都会被消除。
基准电压由开关电容连续采样。在该电路中,基准输入由外部基准电阻驱动。注意,大RC值可能导致测量出现增益误差。使能内部基准电压缓冲器可以支持宽范围的电阻值或EMC滤波,而不会增加任何误差。由于基准电压缓冲器已使能,务必满足正常工作所需的裕量。
基准电压必须在最小和最大基准电压之内才能正常工作。AD7124-4/AD7124-8的基准电压范围为0.5 V至(AVDD − AVSS)。基准电压缓冲器需要供电轨上下至少0.1 V的裕量。
使用500 µA激励电流(IEXC)和ADC的放大电压(VRTD MAX),基准电阻值为:

因此,选择5.11 kΩ电阻,其产生的基准电压(VREF)为:

0.125 V (500 µA × 250 Ω)的裕量由250 Ω接地电阻提供,如图1所示(参见2线和4线部分)。如果基准电阻设置在电路的低端,则需要该裕量电阻。如果基准电阻位于高端,如图1所示(参见3线部分),则进行较高RTD温度测量(大于300°C)时,基准电压缓冲器的裕量要求得到满足。因此,该测量配置不需要额外的裕量电阻。但是,对于较低RTD温度测量(小于300°C),0.1 V (500 µA × 100 Ω)的裕量由100 Ω接地电阻提供,如图1所示(参见3线部分)。
根据先前的讨论,该电路的AVDD电源电压为3.3V。因此,激励电流源的输出顺从电平必须小于2.93 V,并且基准电压必须在0 V至3.3 V范围内。
电路满足这一要求,因为AIN0 (IOUT0)引脚的最大电压等于精密基准电阻上的电压加上RTD上的电压和裕量电阻上的电压:

数字和模拟滤波
差分滤波器(截止频率约为800 Hz)和共模滤波器(截止频率约为16 kHz)在模拟输入端和基准输入端实现。为了抑制调制器频率及其倍数处的干扰,必须使用这种滤波。
为了从传感器获得高精度测量结果,必须让传感器噪声和精度控制系统总误差,这也很重要。噪声会影响系统精度,因为它会限制ADC能够识别的传感器信号电平的最小可能变化,因此会直接影响系统的分辨率。当执行校准以及需要精确可重复的测量结果时,噪声也会产生影响。因此,ADC的分辨率和噪声性能必须优于传感器的噪声和分辨率。
AD7124-4/AD7124-8在片内数字滤波方面拥有很大的灵活性。有多个滤波器选项可用。所选滤波器选项会影响输出数据速率、建立时间和50 Hz/60 Hz抑制性能。对于此电路笔记,电路实现了sinc4滤波器和后置滤波器。之所以使用sinc4滤波器,是因为它在整个输出数据速率范围具有出色的噪声性能,另外还有出色的50 Hz/60 Hz抑制性能。后置滤波器用于提供50 Hz和60 Hz同时抑制,建立时间为40 ms。
相应的系统RMS噪声值如表1所示,表2还显示了相同滤波器、增益和输出数据速率设置下ADC模拟输入短路时的噪声性能。连接RTD后,由于RTD有一些噪声,测得的噪声会较高。
| RTD配置 | 输入条件 | RMS噪声(nV) | 无噪声分辨率 |
| 2线 | RTD连接 短路 |
169.33 102 |
0.0029°C (18.09 位) 0.0017°C (18.83 位) |
| 3线 | RTD连接 短路 |
199.37 100 |
0.0032°C (17.9 位) 0.0018°C (18.7 位) |
| 4线 | RTD连接 短路 |
199.37 100 |
0.0032°C (17.9 位) 0.0018°C (18.7 位) |
| RTD配置 | 输入条件 | RMS噪声(nV) | 无噪声分辨率 |
| 2线 | RTD连接 短路 |
347 335 |
0.0059°C (17.05 位) 0.0057°C (17.1 位) |
| 3线 | RTD连接 短路 |
774 360 |
0.0070°C (16.8 位) 0.0050°C (17.3 位) |
| 4线 | RTD连接 短路 |
774 360 |
0.0070°C (16.8 位) 0.005°C (17.3 位) |
校准
AD7124-4/AD7124-8提供不同的校准模式,通过校准可消除失调和增益误差。对于本电路笔记,电路使用了内部零电平校准和内部满量程校准。注意,这些校准只能消除ADC增益和失调误差,而不能消除外部电路引起的增益和失调误差。
诊断
AD7124-4/AD7124-8的片内诊断功能可检查模拟引脚上的电平是否在额定工作范围以内。所有模拟输入引脚(AINx)都可以单独检查是否发生过压和欠压,以及ADC是否饱和。当模拟输入上的电压超过AVDD时,过压标志就会置1;当模拟输入上的电压低于AVSS时,欠压标志就会置1。该系统的丰富诊断功能还包括SPI总线上的CRC和信号链检查,从而提供更强大的解决方案。这些诊断功能可减少执行诊断功能所需的外部元件,从而减小解决方案尺寸、缩短设计时间并节省成本。根据IEC 61508标准,典型应用的失效模式影响和诊断分析(FMEDA)表明安全失效比率(SFF)大于90%。
RTD接线配置
AD7124-4可配置为4个差分或7个伪差分输入通道,AD7124-8可配置为8个差分或15个伪差分输入通道。它使用灵活的多路复用器,传感器连接得以简化,而且同一块板上可容纳多个2线、3线和4线RTD(参见表3)。
| 产品 | 接线配置 |
||
| 2 线 | 3 线 | 4 线 | |
| AD7124-4 | 2 | 2 | 2 |
| AD7124-8 | 5 | 4 | 5 |
下面几节说明图1所示的三种RTD接线的电路和ADC配置。这些章节提供了更深入的解释,并聚焦于每种RTD配置设计,考虑了RTD连接ADC所需的不同技术,以及ADC的要求,例如ADC配置、传感器连接、输出顺从电压、基准电压源和增益选择,这些内容已在"RTD设计考虑"部分中进行了讨论。每个部分还讨论了单个RTD传感器使用每种配置的结果、经验教训以及要点。
2线RTD配置
2线RTD配置是最简单的配置。AD7124-4/AD7124-8的三个模拟引脚用于实现2线配置:AIN0、AIN2和AIN3。AIN2和AIN3配置为全差分输入通道,用于检测RTD上的电压。使用的基准输入为REFIN+和REFIN1-。由于使用了低端基准电阻,因此需要基准裕量电阻。
2线配置需要一个激励电流源。用于激励RTD电阻、基准电阻和裕量电阻的激励电流源由AVDD产生,并流向AIN0 (IOUT0)。相同的电流流经RTD和精密基准电阻(其产生基准电压),从而确保进行比例式测量。
对于2线配置,AIN0和AIN2引脚必须在连接器处短路。AIN3和REFIN1(+)也必须在连接器处短路。图3详细显示了模拟引脚及其配置。基准和裕量电阻的选择基于"RTD设计考虑"部分以及激励、增益和数字滤波。

针对2线RTD测量的AD7124-4/AD7124-8配置如下:
- 差分输入:正模拟输入(AIN+) = AIN2,负模拟输入(AIN−) = AIN3
- 激励电流:IOUT0 = AIN0 = 500 µA
- 增益 = 16
- 5.11 kΩ精密基准电阻
- 250 Ω裕量电阻
- 数字滤波(sinc4、50 SPS和后置滤波器、25 SPS)
对于图3所示RTD电路,我们采集了AD7124-4/AD7124-8在不同数字滤波器和功耗模式配置下获得的数据,sinc4滤波器用于全功率模式,后置滤波器用于低功耗模式,如"数字和模拟滤波"部分所述。
2线系统的典型无噪声码分辨率为:在选择sinc4滤波器的全功率模式下为18.09位,在使用后置滤波器的低功耗模式下为17.05位,这相当于每个温度测量分别有大约0.0029°C和0.0059°C的误差变化。图4和图5显示了连接2线RTD时的噪声分布。


采用两点校准和线性化,在−50°C至+165°C的温度范围内,2线系统的整体精度优于±1°C。对于每个温度,按照上述方法利用AD7124-4/ AD7124-8测量RTD上的相应电压。然后将此电压转换为电阻,按照"RTD转换函数"部分所述进行线性化并转换为温度。
图6和图7显示了由此产生的误差(设定温度减去实测温度)。对于每个RTD温度设置,AD7124-4/AD7124-8均保持在25°C。如图所示,误差在0°C时接近RTD包络线,引线电阻增加了误差。高于或低于0°C时,测量结果完全在RTD规格范围内。图6和图7还显示了RTD误差在AD7124-4/AD7124-8不同温度设置下的偏差。对于AD7124-4/AD7124-8的每个温度设置,执行内部零电平校准和满量程校准。如图6和图7所示,对于2线测量,总误差在0°C时同样接近于RTD包络线。在所有其他温度下,对于AD7124-4/AD7124-8的所有温度设置,RTD误差都在B类RTD的预期误差范围内。


图8和图9显示了在25°C执行一次性内部零电平和满量程校准后的RTD实测温度误差。图8和图9说明,当AD7124-4/ADA7124-8处于较高温度时,由于引线电阻误差,25°C时的一次性校准或AD7124-4/AD7124-8各温度下的校准的性能会下降。


2线RTD的引线电阻考虑
2线RTD实施产生的误差非常接近误差范围的下限。其背后的原因是由于引线电阻,2线RTD的测量结果总是高于实际测量结果。对于2线RTD配置,图3中的引线电阻RL1和RL2会增加与RTD元件串联的电阻,从而提高ADC输入两端的电压测量值,导致实测温度比施加的温度高。
例如,24 AWG铜线的标称电阻为每英尺0.026 Ω(每米0.08 Ω)。如果RTD的引线长度为25英尺,则其总引线电阻(RL1和RL2)等于1.3 Ω。RTD温度系数约为0.385 Ω/°C。因此,1.3 Ω引线电阻产生的误差为(1.3/0.385) = 3.38°C。
补偿此误差的唯一方法是手动校准失调,这只要引线电阻保持恒定便能做到。但是,引线电阻也会随温度而变化。因此,当环境温度改变时,引线电阻也会变化,这会在温度测量中引入一定程度的误差。如果导线很长,此误差源将颇为显著。
因此,2线RTD配置主要用于引线很短的应用或使用高电阻传感器(例如PT1000)的应用中,这样可以最大程度地减小引线电阻对精度的影响。
3线RTD配置
3线RTD配置是最常用的配置,因为它有三个引脚,相对于其他配置具有精度优势。
图10所示电路利用AD7124-4/AD7124-8的4个模拟引脚实现3线测量:AIN0、AIN1、AIN2和AIN3。AIN2和AIN3配置为全差分输入通道,用于检测Pt100 RTD传感器上的电压。用于激励RTD的激励电流源由AVDD产生,并流向AIN0。一个相同的电流流向AIN1,并流经RL2引线电阻,从而产生一个电压,其抵消RL1引线电阻上的压降。使用的基准输入为REFIN1+和REFIN−。同样使用比率式配置,从而消除激励电流变化引起的误差。
图10详细显示了模拟引脚及其配置。

针对3线RTD测量的AD7124-4/AD7124-8配置如下:
- 差分输入:AIN+ = AIN2且AIN− = AIN3
- 激励电流:IOUT0 = AIN0 = 500 µA
- 激励电流:IOUT1 = AIN1 = 500 µA
- 增益 = 16
- 5.11 kΩ精密基准电阻
- 100 Ω裕量电阻
- 数字滤波(sinc4、50 SPS和后置滤波器、25 SPS)
基准电压源、激励电流、增益和数字滤波的选择均基于"RTD设计考虑"部分。
PGA使能时,模拟输入缓冲器自动使能。PGA允许输入引脚上的电压低至AVSS。因此,模拟输入引脚不需要裕量电阻。基准电压缓冲器也使能。基准电阻位于高端,进行较高RTD温度测量(大于300°C)时,基准电压缓冲器的裕量要求得到满足。因此,该测量配置不需要额外的裕量电阻。但是,较低RTD温度测量(低于300°C)需要基准裕量电阻。
3线RTD测量需要两个精密激励电流源,以便轻松消除RL1和RL2产生的引线电阻误差。注意,RL3引线电阻不会影响测量精度。对于图10所示3线RTD配置,基准电阻放在RTD的高端。对于此设置,一个激励电流流经基准电阻和RTD;另一个电流流经RL2引线电阻,其产生的电压抵消RL1引线电阻上的压降。由于仅利用一个激励电流来产生基准电压REFIN1+/REFIN-和RTD上的电压,因此,该电流源的精度、失配和失配漂移对ADC转换函数的影响极小。
3线RTD结果
对于图10所示RTD电路,我们采集了AD7124-4/AD7124-8在不同数字滤波器和功耗模式配置下获得的数据,sinc4滤波器用于全功率模式,后置滤波器用于低功耗模式,如"数字和模拟滤波"部分所述。
3线系统的典型无噪声码分辨率为:在选择sinc4滤波器的全功率模式下为17.9位,在使用后置滤波器的低功耗模式下为16.8位,这相当于每个温度测量分别有大约0.0033°C和0.0070°C的误差变化。图11和图12显示了连接3线RTD时的噪声分布。


采用两点校准和线性化,在−50°C至+200°C的温度范围内,3线系统的整体精度优于±1°C。对于每个温度,按照上述方法利用AD7124-4/ AD7124-8测量RTD上的相应电压。然后将此电压转换为电阻,按照"RTD转换函数"部分所述进行线性化并转换为温度。
图13和图14显示了由此产生的误差(设定温度减去实测温度)。对于每个RTD温度设置,AD7124-4/AD7124-8均保持在25°C,误差完全在Pt100 B类的误差范围内。图13和图14还显示了RTD误差在AD7124-4/AD7124-8不同温度设置下的偏差。对于AD7124-4/ AD7124-8的每个温度设置,执行内部零电平校准和满量程校准。如图13和图14所示,总误差完全在允许的误差预算之内。


图15和图16显示了在25°C执行一次性内部零电平和满量程校准后的RTD实测温度误差。图15和图16说明,25°C时的一次性校准与AD7124-4/AD7124-8各温度下的校准得到的性能相似。


3线RTD的引线电阻考虑
对于3线测量,第二激励电流主动补偿引线电阻。因此,引线电阻随温度的任何变化也不再影响测量。
然而,引线电阻补偿的精度取决于各引线的电阻是否相等(即RL1 = RL2)。RL3两端的压降不会影响RTD元件两端测得的电压。因此,对于本电路笔记所述的电路,RL3不会在测量中引入误差。
同样,50英尺24 AWG铜线的电阻为1.3Ω。假设补偿和激励电流完全匹配,10%的引线电阻匹配误差将在RTD测量中产生0.13 Ω误差。RTD温度系数约为0.385 Ω/°C。因此,0.13 Ω引线电阻失配测量误差相当于约(0.13/0.385) = 0.337°C误差。故而,对于精密3线测量,必须精确知道连接电缆的匹配特性。
假设引线电阻完全匹配,激励电流(IOUT0和IOUT1)失配产生的误差与总引线电阻成比例。例如,0.5%的激励电流失配(AD7124-4/AD7124-8的典型规格)将在RTD电阻测量中产生0.5%误差。Pt100 RTD电阻标称温度系数为0.385 Ω/°C,相当于2.6°C/Ω的温度变化。0.5%的电阻测量误差产生的RTD测量误差为(0.005 × 2.6) = 0.013°C/Ω。对于10 Ω的引线电阻(约400英尺24 AWG铜线),电流失配引起的误差仅为0.13°C。
上面的讨论说明,在大多数实际应用中,引线电阻失配引起的误差远大于0.5%的激励电流失配所致误差。
在图10所示电路中,精密基准电阻放置于高端。高端配置非常适合采用单个RTD的系统。使用多个3线RTD时,将精密电阻放在低端更好,因为仅需要一个基准电阻。
电流源失配和失配漂移
基准电阻放在低端时,需要更高的激励电流匹配度(3线RTD)。以下两种技术可使电流失配引起的误差最小化:
- 激励电流斩波
- 通过测量激励电流来校准
激励电流斩波
利用AD7124-4/AD7124-8的交叉点多路复用器很容易实现斩波配置。图17显示3线RTD配置的5.11 kΩ精密基准电阻连接到Pt100 RTD的低端。对于这种配置,必须考虑所用的电流源和增益。IOUT0和IOUT1均设置为250 µA。选择此电流可确保电路符合电流源的输出顺从要求,以及精密电阻上产生的基准电压要求。为确保利用ADC的全部范围,PGA增益设置为32。基准电阻低端需要一个电阻,因为基准电压缓冲器已使能且需要裕量(100 mV)。
为了对电流进行斩波,当IOUT0连接到AIN0且IOUT1连接到AIN1时,对RTD电压进行测量,如图17所示。交换电流后,即IOUT1连接到AIN0,IOUT1连接到AIN1时,再次测量RTD上的电压。然后利用这两次测量的平均值计算RTD电阻,再利用公式2到公式7计算温度。斩波方法可大大降低激励电流失配和失配漂移的影响。然而,由于需要两次测量,对吞吐速率会有影响。

收集采用激励电流斩波方法测得的数据,并记录对应的Pt100温度误差,如图18所示。在AD7124-4/AD7124-8的不同环境温度下,对于所有测量的RTD温度,温度误差都在Pt100 RTD的误差带内。这些结果表明,激励电流斩波所得到的结果可与高端精密基准电阻配置所获得的数据相比拟。

通过测量激励电流来校准
通过测量激励电流来校准3线系统的配置如图19所示。对于此配置,精密基准电阻连接到RTD的低端。该配置与电流斩波所用的配置相似,两个电流均设为250 μA,PGA增益设为32,但主要区别在于需要一个附加差分输入通道。该附加输入通道用于测量两个激励电流。测量方法如下:分别使能各激励电流,相对于内部基准电压测量精密基准电阻上的压降。然后根据精密基准电阻值,将测得的电压转换为电流,并计算电流之比,用以校准失配。

图20显示了RTD测量的校准温度误差。结果表明,RTD误差在RTD的预期误差带内,测量误差接近RTD本身的误差曲线。为确保结果精确,必须定期校准电流。

多个3线RTD配置
AD7124-4/AD7124-8可用作多个3线RTD的测量系统。在多个通道中配置ADC时,ADC将自动遍历各使能通道,在每个通道上执行一次转换。当通道改变时,必须等到滤波器完全建立后才能生成转换结果,这会影响整体吞吐速率。因此,当多个传感器复用时,还必须考虑数字滤波器的延迟时间。激励电流不受序列器控制,这意味着用户必须写入器件以开启或关闭激励电流和/或将这些电流导向特定通道。但是,开启时间取决于连接到ADC的外部RC值。因此,实际的开启或关闭时间不在ADI公司的控制范围之内,进行测量时也必须加以考虑。
要配置单个3线RTD配置,参见"3线RTD配置"部分。
AD7124-4可连接2个3线RTD,而AD7124-8最多可连接4个3线RTD。
使用多个3线RTD时,将精密电阻放在低端更好,因为仅需要一个基准电阻。每个3线RTD至少需要AD7124-4/AD7124-8的四个引脚,两个引脚用于激励电流,两个引脚用于模拟输入。因此,测量RTD电压需要的步骤如下:
- 将外部基准电压设置为REFIN1+和REFIN1−。
- 使能输入端连接有RTD的模拟输入通道。
图21显示了一个例子,4个3线RTD连接到AD7124-8。一个3线RTD连接在AIN2和AIN3模拟输入引脚上(通道0配置),激励电流来自AIN0和AIN1;第二个3线RTD连接在AIN4和AIN5模拟输入引脚上(通道1配置),AIN6和AIN7用于提供激励电流,以此类推。表4详细列出了所有RTD配置。
| 传感器 | 通道 | IOUT0 | IOUT1 | AIN+ | AIN− |
| RTD1 RTD2 RTD3 RTD4 |
0 1 2 3 |
AIN0 AIN6 AIN10 AIN14 |
AIN1 AIN7 AIN11 AIN15 |
AIN2 AIN4 AIN8 AIN12 |
AIN3 AIN5 AIN9 AIN13 |
然后可以按照下述步骤依次对每个RTD执行温度测量:
- 使能要测量的RTD的IOUT0和IOUT1电流。
- 让IOUT0流向AIN0,IOUT1流向AIN1。测量通道0(AIN2和AIN3)上的电压。因此,通道0必须使能。对于此测量,禁用所有其它通道。
- 禁用通道0,使能通道1,让IOUT0和IOUT1电流分别流向AIN6和AIN7。然后测量通道1(AIN4和AIN5)上的电压。注意, EVAL-AD7124-4SDZ/EVAL-AD7124-8SDZ 的AIN4和AIN5上有板载热敏电阻。使用AIN4和AIN5时,应移除此热敏电阻(R28)。
- 重复此序列,直至所有RTD都得到测量。

4线RTD配置
4线RTD配置是最直接、最准确的配置。这种配置的唯一复杂之处在于,4引脚连接器的尺寸相比其他两种配置占据了大部分PCB面积。AD7124-4/AD7124-8上的三个模拟引脚用于实现4线RTD配置:AIN0、AIN2和AIN3。AIN2和AIN3配置为全差分输入通道,用于检测RTD上的电压。使用的基准输入为REFIN1+和REFIN−。由于使用了低端基准电阻,因此需要基准裕量电阻。
4线RTD配置需要一个激励电流源。用于激励RTD电阻、基准电阻和裕量电阻的激励电流源由AVDD产生,并流向AIN0 (IOUT0)。相同的电流流经RTD和精密基准电阻(其产生基准电压),从而确保进行比例式测量。
图22详细显示了模拟引脚及其配置。基准和裕量电阻的选择基于"RTD设计考虑"部分以及激励、增益和数字滤波。

针对4线RTD测量的AD7124-4/AD7124-8配置如下:
- 差分输入:AIN+ = AIN2且AIN− = AIN3
- 激励电流:IOUT0 = AIN0 = 500 µA
- 增益 = 16
- 5.11 kΩ精密基准电阻
- 250 Ω裕量电阻
- 数字滤波(sinc4、50 SPS和后置滤波器、25 SPS)
对于图22所示RTD电路,我们采集了AD7124-4/AD7124-8在不同数字滤波器和功耗模式配置下获得的数据,sinc4滤波器用于全功率模式,后置滤波器用于低功耗模式,如"数字和模拟滤波"部分所述。
4线系统的典型无噪声码分辨率为:在选择sinc4滤波器的全功率模式下为17.9位,在使用后置滤波器的低功耗模式下为16.8位,这相当于每个温度测量分别有大约0.0033°C和0.0070°C的误差变化。图23和图24显示了连接4线RTD时的噪声分布。


采用两点校准和线性化,在−50°C至+200°C的温度范围内,4线系统的整体精度优于±1°C。对于每个温度,按照上述方法利用AD7124-4/ AD7124-8测量RTD上的相应电压。然后将此电压转换为电阻,按照"RTD转换函数"部分所述进行线性化并转换为温度。
图25和图26显示了由此产生的误差(设定温度减去实测温度)。对于每个RTD温度设置,AD7124-4/AD7124-8 均保持在25°C,误差完全在Pt100 B类的误差范围内。图25和图26还显示了RTD误差在AD7124-4/AD7124-8不同温度设置下的偏差。对于AD7124-4/AD7124-8的每个温度设置,执行内部零电平校准和满量程校准。如图25和图26所示,总误差完全在允许的误差预算之内。


图27和图28显示了在25°C执行一次性内部零电平和满量程校准后的RTD实测温度误差。图27和图28说明,25°C时的一次性校准与AD7124-4/AD7124-8各温度下的校准得到的性能相似。


4线RTD的引线电阻考虑
为了完全补偿引线电阻误差,建议使用4线RTD配置。这种情况下,两条额外的导线连接到RTD的两端,一对传递电流,另一对执行电压测量,这样导线的任何电阻都不会对测量产生任何影响。因此,4线RTD可以提供最准确的测量结果。
多个2线/4线RTD配置
AD7124-4/AD7124-8可用作多个2线/4线RTD的测量系统。在多个通道中配置ADC时,ADC将自动遍历各使能通道,在每个通道上执行一次转换。当通道改变时,必须等到滤波器完全建立后才能生成转换结果,这会影响整体吞吐速率。因此,当多个传感器复用时,还必须考虑数字滤波器的延迟时间。激励电流不受序列器控制,这意味着用户必须写入器件以开启或关闭激励电流和/或将这些电流导向特定通道。但是,开启时间取决于连接到ADC的外部RC值。因此,实际的开启或关闭时间不在ADI公司的控制范围之内,进行测量时也必须加以考虑。
要配置单个2线或4线RTD配置,请参阅"2线RTD配置"部分或"4线RTD配置"部分。
AD7124-4可连接2个2线/4线RTD,而AD7124-8最多可连接5个2线/4线RTD。所有RTD可使用同一基准输入,一个电流源可激励所有RTD。当需要进行RTD温度测量时,电流依次流向各RTD的顶端。利用AD7124-4/AD7124-8上的交叉多路复用器可单独配置多个通道,各通道可配置为不同的设置。
测量RTD电压需要的步骤如下:
- 将外部基准电压设置为REFIN1+和REFIN1−。
- 使能要测量的RTD的IOUT0电流。
- 使能输入端连接有RTD的模拟输入通道。
图29和图30显示了一个例子,5个2线/4线RTD连接到AD7124-8。一个2线/4线RTD连接在AIN2和AIN3模拟输入引脚上(通道0配置),激励电流来自AIN0;第二个2线/4线RTD连接在AIN4和AIN5模拟输入引脚上(通道1配置),AIN1用于提供激励电流,以此类推。表5详细列出了所有RTD配置。
| 传感器 | 通道 | IOUT0 | AIN+ | AIN- |
| RTD1 RTD2 RTD3 RTD4 RTD5 |
0 1 2 3 4 |
AIN0 AIN1 AIN8 AIN11 AIN14 |
AIN2 AIN4 AIN6 AIN9 AIN12 |
AIN3 AIN5 AIN7 AIN10 AIN13 |
然后按照下述步骤依次对每个RTD执行温度测量:
- 让IOUT0流向AIN0。测量通道0(AIN2、AIN3)上的电压。因此,通道0必须使能。对于此测量,禁用所有其它通道。
- 禁用通道0,使能通道1,将IOUT0电流导向AIN1。然后测量通道1(AIN4和AIN5)上的电压。注意,EVAL-AD7124-4SDZ或EVAL-AD7124-8SDZ的AIN4和AIN5上有板载热敏电阻。使用AIN4和AIN5时,应移除此热敏电阻(R28)。
- 重复此序列,直至所有RTD都得到测量。


常见变化
使用多个RTD时,将精密电阻放在低端更好,因为仅需要一个基准电阻。使用更高精度、更高等级的RTD(0°C时的容差小于±0.1°C),可以增强电路的性能。对于PT1000传感器,可使用较低的激励电流,因而该器件适合于低功耗应用。
当使用单个2线或4线RTD时,精密电阻也可以放在高端。其性能与基准电阻放在低端时所实现的性能相同。
电路评估与测试
设备要求
2线、3线或4线RTD测量系统需要如下设备:
- EVAL–AD7124-4SDZ 或 EVAL-AD7124-8SDZ 评估板
- EVAL-SDP-CK1Z 或 EVAL-SDP-CB1Z 系统演示平台(SDP)
- AD7124-4_EVAL+ 软件
- USB供电的电源
- B类Pt100、2线、3线或4线RTD
- 运行Windows且带有USB 2.0端口的PC
软件安装
关于 AD7124-4/AD7124-8 和EVAL-SDP-CK1Z或 EVAL-SDP-CB1Z的完整用户指南,请参阅 EVAL-AD7124-4SDZ 或 EVAL-AD7124-8SDZ 用户指南和 SDP用户指南。
需要该软件来与硬件接口。此软件的下载地址:ftp://ftp.analog.com/pub/evalcd/AD7124。如果安装文件未自动运行,请双击setup.exe文件。请先安装评估软件,再将EVAL-AD7124-4SDZ或EVAL-AD7124-8SDZ及EVAL-SDP-CK1Z或EVAL-SDP-CB1Z连接到PC的USB端口,确保评估系统连接到PC时能被正确识别。
完成评估软件安装后,将EVAL-SDP-CK1Z或EVAL-SDP-CB1Z连接到EVAL-AD7124-4SDZ或EVAL-AD7124-8SDZ,然后利用附送的电缆将EVAL-SDP-CK1Z或EVAL-SDP-CB1Z连接到PC的USB端口。检测到评估系统后,确认出现的所有对话框,完成安装。
设置与测试
在EVAL-AD7124-4SDZ或EVAL-AD7124-8SDZ与EVAL-SDP-CK1Z或EVAL-SDP-CB1Z连接之前,请勿给硬件接通电源。图31所示为2线、3线或4线RTD配置的测试设置功能框图。

测试该电路需要EVAL-AD7124-4SDZ或EVAL-AD7124-8SDZ。此外还需要下列传感器和电阻以确保电路正常工作:
- 2线、3线或4线Pt100 RTD,B类
- 5.11 kΩ精密基准电阻
- 用于缓冲器裕量的250 Ω或100 Ω电阻
按照下述步骤配置硬件:
- 将EVAL-AD7124-4SDZ或EVAL-AD7124-8SDZ上的所有链接设为默认位置,如EVAL-AD7124-4SDZ或EVAL-AD7124-8SDZ用户指南所述。
- 利用连接到J5的7 V或9 V电源为EVAL-AD7124-4SDZ或EVAL-AD7124-8SDZ供电。
- 根据所使用的RTD配置(2线、3线或4线),连接RTD、精密基准电阻和缓冲器裕量电阻。参见 CN-0383硬件和软件用户指南 维基百科页面。
- 通过USB电缆将EVAL-SDP-CK1Z或EVAL-SDP-CB1Z连接到PC。
运行AD7124_Eval+软件。此评估软件同时支持AD7124-4和AD7124-8。运行软件时,选择连接到PC的评估板。对于AD7124-8,从下拉菜单中选择EVAL-AD7124-8SDZ(见图32)。

选择评估板后,出现图33所示的窗口。要将AD7124-4/AD7124-8配置为2线、3线或4线RTD测量,请点击2-WIRE RTD、3-WIRE RTD或4-WIRE RTD Demo Modes按钮(参见图33)。

点击Demo Modes(演示模式)按钮,配置每种RTD配置的ADC软件。为每次RTD测量配置AD7124-4/AD7124-8之前,还需要执行一个步骤:AD7124-4/AD7124-8的内部满量程和零电平校准。此校准可通过Registers(寄存器)选项卡执行(参见图34)。

有关ADC寄存器映射设置、校准和测量步骤的更多信息,参见CN-0383硬件和软件用户指南维基百科页面。

