概览
优势和特点
- AD7124-4的全功能评估板
- PC控制结合系统演示平台(EVAL-SDP-CB1Z)
- PC软件用于控制和数据分析(时域)
- 独立工作能力
产品详情
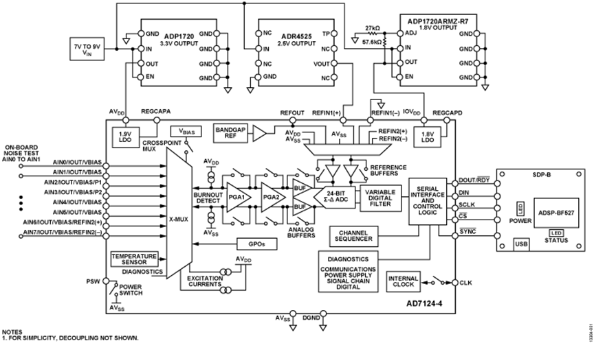
EVAL-AD7124-4SDZ评估套件具有AD7124-4 24位、低功耗、低噪声模数转换器(ADC)。 一个7 V至9 V外部电源调节到3.3 V,以便为AD7124-4供电并支持所有必要的元件。 EVAL-AD7124-4SDZ板通过与EVAL-SDP-CB1Z母板相连而连接到PC的USB端口。EVAL-AD7124-4SDZ软件全面配置AD7124-4器件寄存器功能,并提供波形图、直方图形式的直流时域分析和相关的噪声分析,以便评估ADC性能。
EVAL-AD7124-4SDZ评估板旨在帮助用户评估该ADC的特性。 用户PC软件可执行文件通过系统演示平台板(EVAL-SDP-CB1Z)利用USB控制AD7124-4。
 
                             
                         
                         
                                                