概览
产品详情
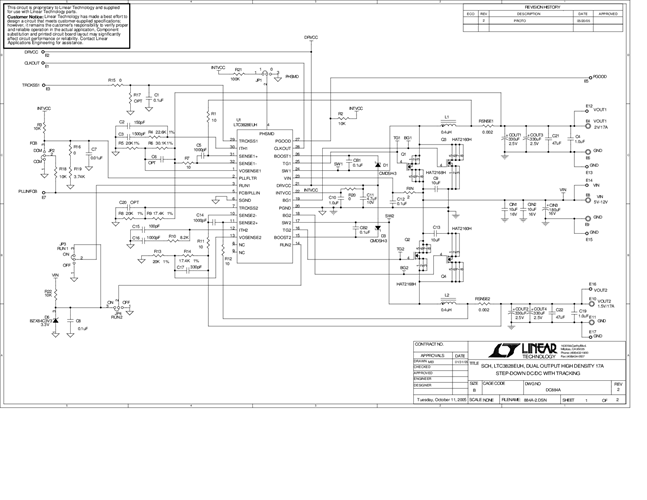
演示电路884是一款高电流密度电源,内置LTC3828EUH,这是一款双路输出、2相同步降压控制器。该演示板的输入电压为4.5V至15V。输出分别为2V/17A和1.5V/17A。
相关产品
文档
-
DC884A - Schematic2009/9/24PDF65K
-
DC884A - Demo Manual2009/9/24PDF439K
-
DC884A - Design File2009/9/24ZIP1M
