文档
-
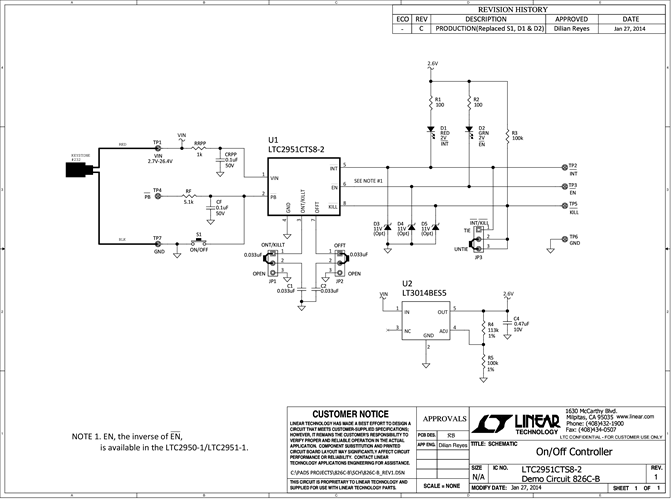
DC826C - Schematic2015/7/21PDF72K
-
DC826C - Demo Manual2015/8/19PDF275K
-
DC826C - Design Files2015/7/21ZIP1M
