概览
产品详情
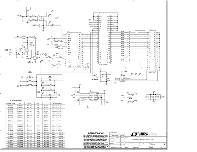
DC782A-J: Demo Board for the LTC2226H 12-Bit, 25Msps 125°C ADC in LQFP.
相关产品
文档
-
DC782A - Schematic2012/1/12PDF40K
-
DC782A - Demo Manual2012/1/12PDF748K
-
DC782A - Design Files2011/6/8ZIP888K
