概览
产品详情
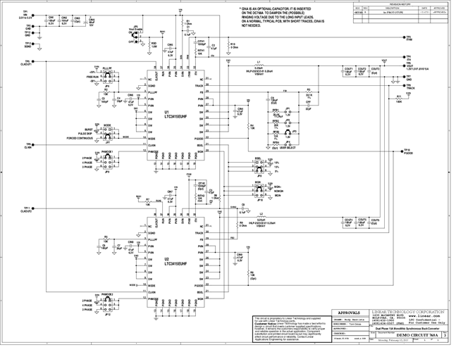
演示电路768是一款15A高效率、可锁相恒频降压转换器,集成了两个LTC3415多相单芯片同步稳压器。DC768具有2.5V至5.5V的输入电压范围和0.6V至5V的输出电压范围。通过适当的跳线连接,可将DC768的输出电压设置为1.2V、1.5V或1.8V,或将其设置为低至0.6V的可调值,即LTC3415的基准电压。
由于并行LTC3415会错相工作,所需的输入和输出电容量都会很小。
相关产品
文档
-
DC768A - Schematic2009/9/24PDF82K
-
DC768A - Demo Manual2009/9/24PDF1M
-
DC768A - Design File2009/9/24ZIP2M
