概览
产品详情
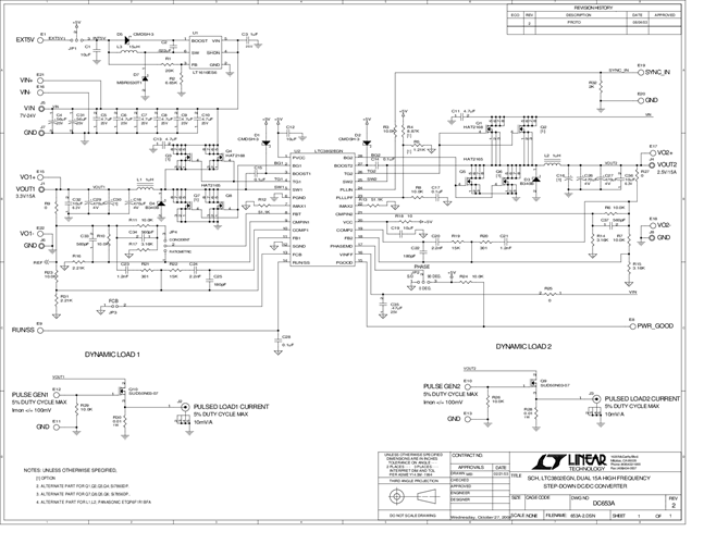
演示电路653A是一款双通道15A降压型DC/DC转换器,内置LTC3802EGN。LTC3802EGN本身是一款同步电压模式控制器。演示电路653A的输出#1是3.3V/15A电源轨,输出#2是2.5V/15A电源轨。输入电压范围为7V至24V。LTC3802的标称开关频率为550kHz,其锁相同步范围为330kHz至750kHz。
相关产品
文档
-
DC653A - Schematic2009/9/24PDF53K
-
DC653A - Demo Manual2009/9/24PDF469K
-
DC653A - Design File2009/9/24ZIP0M
