文档
-
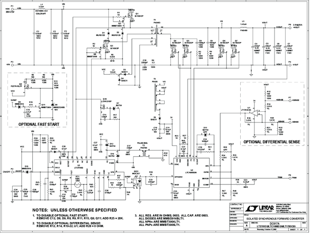
DC617A - Schematic2009/9/24PDF105K
-
DC617A - Demo Manual2009/9/24PDF304K
-
DC617A - Design File2009/9/24ZIP916K
