概览
产品详情
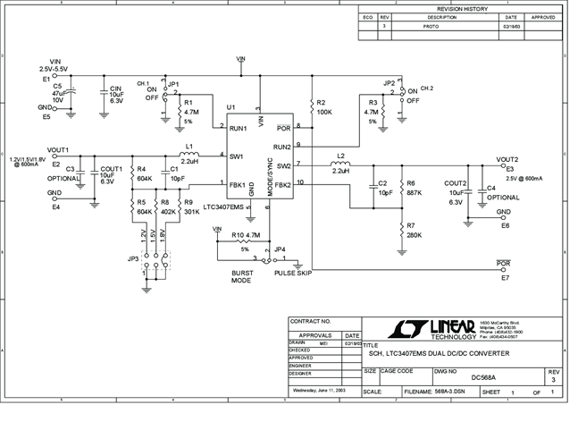
演示电路568是一款内置LTC3407的双通道同步、600mA、1.5MHz降压DC/DC稳压器,采用MSOP-10裸露焊盘封装。DC568具有2.5V至5.5V的输入电压范围,任一输出都能够提供高达600mA的输出电流。在突发工作模式(Burst Mode®)下,LTC3407只需40uA的静态电流;在脉冲跳跃模式下,LTC3407在轻负载电流下提供较低的输出纹波电压。DC568可在任一通道上提供高达96%的效率,在关断模式下电流低至1uA。
相关产品
文档
-
DC568A - Schematic2009/9/24PDF51K
-
DC568A - Demo Manual2009/9/24PDF442K
-
DC568A - Design File2009/9/24ZIP0M
