概览
产品详情
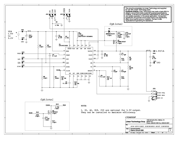
演示电路565是一款采用LTC3421的恒频同步升压转换器。此转换器保证在1V输入电压下启动,并提供高达95%的效率。针对1.8V的较小输入电压,该转换器可提供高达1A的负载电流。此转换器通过消除内部PMOS整流器的体二极管导通,具有真正的输出断开功能。输出电压设置为3.3V。通过更改其中一个反馈电阻可获得2.4V至5.25V范围内的不同输出电压。
相关产品
文档
-
DC565A - Schematic2009/9/24PDF155K
-
DC565A - Demo Manual2009/9/24PDF191K
-
DC565A - Design File2009/9/24ZIP1M
