概览

产品详情

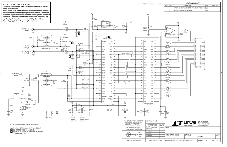
DC520B-A:LTC1748 14位、80Msps低噪声ADC演示板。

相关产品

文档

硬件 (1)

控制器板