文档
-
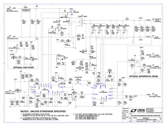
DC479A - Schematic2009/9/24PDF65K
-
DC479A - Demo Manual2009/9/24PDF1M
-
DC479A - Design File2009/9/24ZIP1M
