概览
产品详情
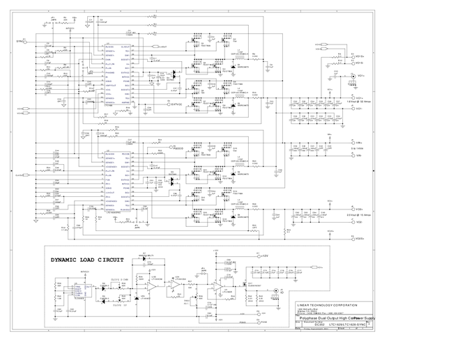
DC352A演示板适用于:
LTC1629多相、高效率、同步降压开关稳压器
LTC1628-SYNC高效率、双相同步降压开关稳压器
相关产品
文档
-
DC352A - Schematic2009/9/24PDF92K
-
DC352A - Demo Manual2009/9/24PDF107K
-
DC352A - Design File2009/9/24ZIP2M
