主页
资源库
评估硬件与软件
产品评估板和套件
DC345B
返回 产品评估板和套件
DC345B
LTC1744CFW | 14位、50Msps ADC(需要DC718控制器)
立即购买
顶部
菜单
关闭
概览
文档
软件
硬件
顶部
评估软件
1
查看全部
概览
产品详情
产品详情
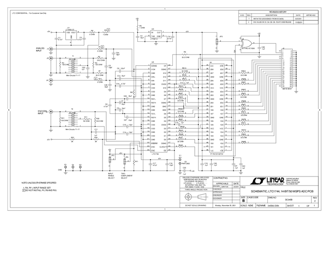
DC345B:LTC1744 14位、50Msps ADC演示板。
相关产品
LTC1744
文档
查看全部
(2)
演示板原理图
(1)
评估设计文件
(1)
Document Type
查看全部 (2)
查看全部
(2)
演示板原理图
(1)
评估设计文件
(1)
关闭
演示板原理图
DC345A - Schematic
2009/9/24
PDF
43K
Show More
评估设计文件
DC345A - Design Files
2009/9/24
ZIP
1M
Show More
软件
查看全部 (1)
评估软件 (1)
评估软件
PScope
Download PScope
硬件 (1)
控制器板
DC718C
用于PScope评估套件的USB数据采集控制器(<135Mbps)
×
×
Close
Modal title