文档
-
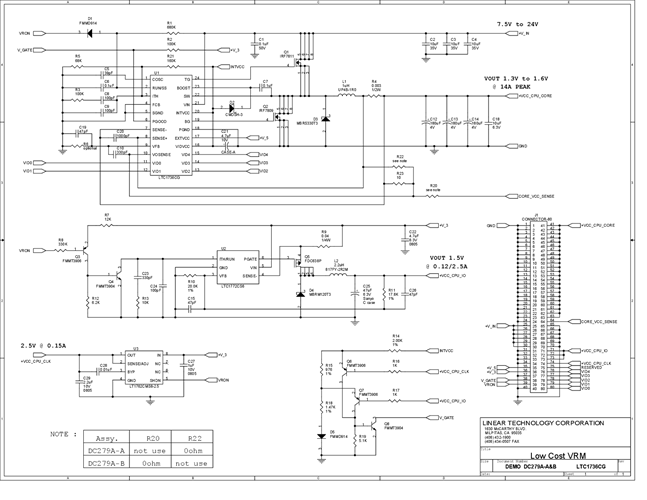
DC2789A - Schematic2018/6/8PDF16 K
-
DC2789A - Demo Manual2018/5/18PDF255 K
-
DC2789A - Design Files2018/5/24ZIP1 M

