概览
产品详情
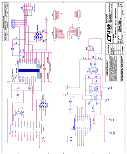
演示电路 2617A 在单个 Arduino 扩展板上实现了 isoSPI 和隔离式 CAN 接口硬件。它支持 Arduino 兼容控制器板与 isoSPI 和/或 CAN 总线网络通信。
文档
-
DC2617A - Schematic2018/1/18PDF96K
-
DC2617A - Demo Board Manual2018/1/18PDF191K
-
DC2617A - Design Files2018/1/18ZIP2M
