文档
-
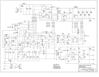
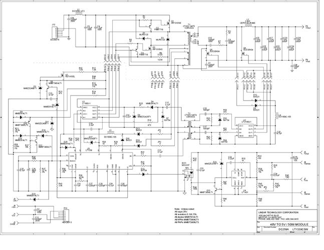
DC259A - Schematic2009/9/24PDF66K
-
DC259A - Demo Manual2009/9/24PDF532K
-
DC259A - Design File2009/9/24ZIP559K
